Падение напряжения на диодах выпрямителя не позволяет увеличить его КПД выше некоторого предела. Шунтированием или заменой каждого диода электронным ключом можно превзойти этот предел. Однако из-за сложности узла управления электронными ключами синхронные выпрямители нашли применение лишь в профессиональной аппаратуре электропитания. В предлагаемой статье описана несложная конструкция синхронного выпрямителя, доступная для повторения в радиолюбительских условиях.
Одна из важнейших задач, стоящих перед конструкторами современных блоков питания, - достижение высокого КПД. Обычно выпрямители выполняют на кремниевых диодах или диодах Шотки, реже - на германиевых диодах. Типовое падение напряжения на кремниевых диодах - 1 В, на германиевых и диодах Шотки - около 0,5 В.
Существенно меньше потери энергии в синхронных выпрямителях на мощных ключевых полевых транзисторах, где диоды заменены полевыми транзисторами. Сопротивление открытого канала современных полевых транзисторов снижено до единиц мил-лиом. Это позволяет на порядок уменьшить падение напряжения и, соответственно, тепловыделение. Но применение полевых транзисторов в выпрямителях имеет ряд особенностей. Первая - наличие в полевом транзисторе внутреннего диода. Если на полевой транзистор подать напряжение обратной полярности, то откроется внутренний диод. При синхронной подаче на затвор транзистора относительно истока напряжения открывающей полярности достаточной величины открывается канал полевого транзистора, подключённый параллельно этому диоду. Так как сопротивление канала открытого полевого транзистора значительно меньше сопротивления открытого диода, практически весь ток потечёт по каналу. Другая особенность полевого транзистора - задержка включения и выключения, обусловленная наличием ёмкостей затвор-исток и затвор- сток. Эти ёмкости сильно зависят от напряжения. Они велики при малом напряжении и уменьшаются при его увеличении. Чтобы гарантированно открыть транзистор, необходимо зарядить входную ёмкость до 10...12 В. Этот процесс затрудняет эффект Миллера, увеличивающий эквивалентную входную ёмкость. Подробнее об особенностях мощных полевых ключевых транзисторов можно прочитать в книге Б. Ю. Семёнова "Силовая электроника: от простого к сложному" (М.: "СОЛОН-Пресс", 2005).

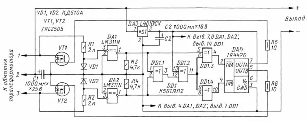
Рис. 1
На рис. 1 показана схема двухполу-периодного синхронного выпрямителя, предназначенного для выпрямления прямоугольного и синусоидального напряжения. Выпрямитель подключают ко вторичной обмотке трансформатора с отводом от середины. Выводы 1 и 3 - к началу и концу обмотки в произвольном порядке, вывод 2 - к отводу обмотки. Для выпрямления используются транзисторы VT1 и VT2 с внутренними диодами. Конденсатор C1 - сглаживающий.
Узел формирования управляющих импульсов, подаваемых на затворы транзисторов, собран на микросхемах DA1, DA2, DD1, DA4, диодах VD1, VD2 и резисторах R1-R6. Этот узел получает напряжение питания 10 В от стабилизатора напряжения на микросхеме DA3.
Если управляющие импульсы на затворы транзисторов не поступают, например, если узел формирования импульсов отключён, выпрямитель работает как обычный (асинхронный) на внутренних диодах транзисторов. Принцип формирования управляющего импульса на затворе транзистора: напряжение импульса должно открывать канал транзистора, когда напряжение на катоде внутреннего диода меньше, чем напряжение на его аноде, который соединён с общим проводом - минусом выходного напряжения. То есть, когда напряжение на катоде минусовой полярности, на затвор транзистора относительно его истока должно подаваться открывающее напряжение плюсовой полярности. В остальное время напряжение между затвором и истоком должно быть равно нулю, чтобы транзистор был закрыт. Очень важно, что открывающие импульсы не должны перекрываться во времени, чтобы оба транзистора не были открыты одновременно.
Узел формирования импульсов работает так. Напряжение на стоках транзисторов отслеживают компараторы DA1 и DA2. На микросхеме DD1 собран узел, исключающий перекрытие открывающих импульсов. Инверторы микросхемы DA4 обеспечивают выходной ток до 1,5 А, который быстро заряжает входную ёмкость транзисторов несмотря даже на мешающее действие эффекта Миллера.
Пусть на стоке транзистора VT1 действует положительная полуволна напряжения. Напряжение +0,7 В с диода VD1 подаётся на инвертирующий вход компаратора DA1 относительно его неинвертирующего входа, в результате чего на выходе DA1 появляется высокий уровень. Это приводит к появлению на выводе 2 драйвера DA4 высокого уровня напряжения, а следовательно, на выходе его будет низкий уровень напряжения. Транзистор VT1 закрыт. Пусть на стоке VT1 действует отрицательная полуволна напряжения, открывающая его внутренний диод. На неинверти-рующем входе компаратора DA1 напряжение больше, чем на инвертирующем, в результате чего на выходе компаратора будет напряжение низкого уровня. Это приведёт к появлению на выводе 2 драйвера DA4 низкого уровня, а на выходе - высокого уровня напряжения. Транзистор VT1 открывается и шунтирует свой внутренний диод, в результате чего снижаются потери энергии на выпрямление. Управление транзистором VT2 осуществляется аналогично.
На микросхеме DD1 выполнен узел контроля правильной работы выпрямителя. Она содержит четыре логических элемента "исключающее ИЛИ". Дело в том, что в момент перехода синусоидального напряжения через нуль на выходах компараторов DA1 и DA2 будут присутствовать одновременно низкие уровни напряжения. Если бы эти выходы были бы соединены со входами микросхемы DA4, это привело бы к одновременному открытию обоих транзисторов VT1 и VT2, что недопустимо из-за сквозного тока через них. Поэтому между выходами компараторов DA1 и DA2 и входами микросхемы DA4 включён узел на микросхеме DD1. Рассмотрим его работу. Пусть на выходах обоих компараторов присутствуют низкие уровни напряжения. Такому сочетанию входных сигналов на входе элемента DD1. 1 соответствует низкий уровень напряжения на его выходе. На элементе dD 1.2 выполнен инвертор, для чего на вывод 13 подано напряжение питания (высокий уровень). Таким образом, на выводе 6 элемента DD1.3 и выводе 9 элемента DD1.4 - высокий уровень напряжения, и они также будут работать как инверторы. В результате на обоих входах драйвера DA4 высокий уровень напряжения, на затворах обоих транзисторов VT1 и VT2 низкий уровень, поэтому они закрыты. Сквозного тока через них не будет. В случае противофазных сигналов на выходах компараторов и соответственно на входах DD1.1 на выводе 3 DD1.1 будет действовать высокий уровень напряжения. После инверсии в логическом элементе DD1.2 низкий уровень напряжения переводит логические элементы DD1.3 и DD1.4 в повторители сигналов. Поэтому сигналы с выходов компараторов DA1 и DA2 пройдут без изменения на выходы драйвера DA1. Один из транзисторов будет открыт, другой закрыт.
Стабилизированное напряжение питания 10 В вырабатывает микросхема L4810CV (DA3), имеющая защиту от перегрузки по выходному току на уровне 1,5 А и узел автоматического отключения при росте температуры выше предельно допустимого значения. Эта микросхема сохраняет режим стабилизации напряжения при уменьшении разности напряжения между входом и выходом вплоть до 0,5 В. Она получает питание от выходного напряжения выпрямителя.

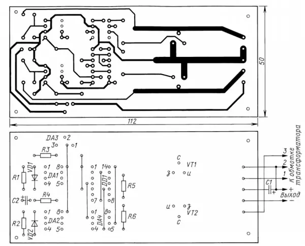
Рис. 2
Синхронный выпрямитель собран на печатной плате из фольгированного с одной стороны стеклотекстолита толщиной 1,5 мм, её чертёж показан на рис. 2. На ней установлены все детали, кроме сглаживающего конденсатора C1. Если транзисторы VT1 и VT2 сильно разогреваются, их устанавливают на теплоотводы. Для их размещения на плате предусмотрено место.
Автор использует синхронный выпрямитель для выпрямления напряжения с вторичной обмотки электронного трансформатора Feron ET105. Вторичная обмотка намотана в нём двумя проводами, что облегчило задачу по выполнению отвода от её середины. Чтобы уменьшить пульсации напряжения с удвоенной частотой сети, на выходе выпрямительного моста внутри электронного трансформатора установлен сглаживающий оксидный конденсатор ёмкостью 10мкФ и номинальным напряжением 400 В. Частота выходного напряжения трансформатора - около 45 кГц. Для этих трансформаторов лимитируется минимальная мощность, что необходимо учесть для обеспечения надёжной работы. Синхронный выпрямитель позволяет с этого электронного трансформатора получить выходное напряжение 12 В при токе нагрузки 9 А.
Сглаживающий конденсатор C1 указанной на схеме ёмкости используется для выпрямления напряжения частотой 45 кГц. Разумеется, синхронный выпрямитель можно применить и для выпрямления напряжения частотой 50 Гц, рассчитав ёмкость сглаживающего конденсатора так же, как и для обычного (асинхронного) двухполупе-риодного выпрямителя.
Автор: В. Калашник, г. Воронеж