Применение цифровой шкалы в трансивере позволяет не только улучшить комфорт оператора при отсчёте частоты, но и простым способом значительно повысить стабильность частоты ГПД, используя систему ЦАПЧ. В состав цифровой шкалы входят, как правило, кварцевый генератор и делитель частоты, необходимые для получения точных интервалов времени, в течение которых и происходит счёт импульсов. В принципе, этот генератор можно из цифровой шкалы исключить и упростить её, воспользовавшись тем, что в трансивере имеется свой кварцевый гетеродин. При этом все импульсные сигналы автоматически получаются синхронизированными, так как используется общий генератор. Кроме того, чем меньше генераторов в аппарате, тем меньше гармоник и поражённых частот, да и проще конструкция - налицо экономия радиодеталей.
Во многих трансиверах (например, в UW3DI) применяется гетеродин частотой 500 кГц. Если его сигнал подать на цифровую шкалу, предварительно разделив его частоту на 5000, то получим импульсы со стабильной частотой повторения 100 Гц, которые в большинстве случаев и нужны для формирования счётного интервала времени.

Рис. 1
Делитель частоты с таким коэффициентом несложно построить на двоичном счётчике К561ИЕ16 по схеме, показанной на рис. 1. В нём используется значительно меньше микросхем, чем в распространённых делителях с таким же коэффициентом на декадных счётчиках.
На транзисторе VT1 собран входной усилитель-формирователь импульсов частотой 500 кГц. У микросхемы DD1 (14-разрядного двоичного счётчика с последовательным переносом) два входа - установки начального состояния R и счётный С. На последний и поступают импульсы с коллектора транзистора VT1. Их счёт происходит по спадающим перепадам (сменам высокого логического уровня низким). Триггеры счётчика возвращаются в исходное нулевое состояние при подаче на вход R сигнала высокого логического уровня.
Логический узел И на элементах DD2.1, DD2.2 и DD3.1 должен иметь столько входов, сколько единиц в двоичном представлении коэффициента деления. В нашем случае 500010=10011100010002, и входы логического узла должны быть соединены с выходами 23 (8), 27 (128), 28( 256), 29 (512) и 212 (4096). Обратите внимание, что показатели степени соответствуют порядковому номеру разряда (начиная с младшего нулевого) в двоичном представлении коэффициента деления. При этом сумма весов использованных разрядов получается равной 5000 - заданному коэффициенту деления. Когда число, накопленное счётчиком, достигает этого значения, уровень на выходе элемента DD3.1 и входе R счётчика становится высоким, счётчик обнуляется и цикл счёта начинается с начала.
Подобным образом на микросхеме К561ИЕ16 можно построить делитель частоты с произвольным коэффициентом деления, вплоть до 214-1 (16383). При этом нужно учитывать, что её максимальная рабочая частота при напряжении питания 9 В - 4 МГц (фактически немного больше). Она изменяется пропорционально этому напряжению.

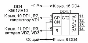
Рис. 2
Микросхема К561ИЕ16 имеет выходы от всех триггеров счётчика, за исключением двух с весами 21 (2) и 22 (4). Если для реализации нужного коэффициента деления потребуются именно такие выходы, их можно организовать, подключив параллельно счётчику К561ИЕ16 (DD1) ещё один малоразрядный двоичный счётчик. Например, как показано на рис. 2, один из счётчиков микросхемы К561ИЕ10 (DD4.1). При синхронной работе со счётчиком DD1 его выходы будут иметь вес 20 (1), 21 (2), 22(4) и 23(8).
Конденсатор C2 служит для первоначальной установки счётчика в исходное состояние при включении питания. Диоды VD2, VD3 и резистор R3 образуют узел ИЛИ, логически суммирующий на входе R счётчика импульсы обнуления при включении питания и поступающие с выхода элемента DD3.1.
Следует учесть, что после выключения питания продолжительность разрядки конденсатора С2 может достигать нескольких минут. Для её уменьшения, в случае необходимости, рекомендуем подключить параллельно конденсатору С2 резистор сопротивлением 1 МОм.
Автор: Ольга Лезная, Казахстан