В статье автор приводит примеры встреченных в его практике реальных дефектов телевизоров и способов их устранения, а также делится опытом подхода к ремонту неизвестных или малоизвестных моделей телевизоров.
Aiwa TV-2102KE
Через несколько минут после включения телевизора начинал подергиваться растр, после чего он поджимался снизу
Неисправность была вызвана некачественной пайкой резистора R407 (рис. 1), причем, было заметно, что печатные проводники и участок платы в районе выводов резистора потемнели. После пропайки указанного резистора нормальная работа телевизора восстановилась.

Рис. 1
Clatronic CTV443 ST/VT
Телевизор включался, имелся растр с помехами и шумами, но изображения и звука не было ни на одном из каналов
Устранение неисправностей этой модели телевизора осложнялось еще и отсутствием ее электрической схемы, любых других сведений о ней и ПДУ (местное управление было представлено кнопками PR-/PR+, VOL-/VOL+).
По типу процессора управления (SAA5521PS/N3) и микросхемы памяти (ST24C08) было предположено, что ПДУ должен быть выполнен на микросхеме SAA3010. Это и подтвердилось после использования универсального пульта KONIG MM9802 с введенным кодом TV358. Но алгоритм настройки каналов оставался неизвестным.
В результате проб и ошибок был подобран пульт "Horizont RC6-5" и найден алгоритм настройки каналов (помогли инструкции фирмы HORIZONT).
Представляется полезным привести этот алгоритм:
1. Включают телевизор в рабочий режим.
2. Нажимают среднюю из группы пяти кнопок (условную) в меню ПДУ RC6-5 на время не менее 5 с до получения на экране телевизора изображения меню с цветными прямоугольниками в левом нижнем углу.
3. Нажимают синюю кнопку ПДУ
4. Снова нажимают условную кнопку меню (см. п. 2), после чего на экране появится изображение меню с алгоритмом настройки каналов.
5. Для выхода из режима настройки нажимают кнопку TV.
После настройки каналов в этом телевизоре выявились еще две неисправности:
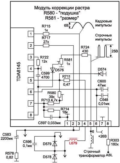
- переменные резисторы модуля коррекции растра (рис. 2) не функционировали, из-за чего не были отрегулированы размер растра и "подушкообразные" искажения по горизонтали;
- не было звукового сопровождения при приеме сигнала с антенны (при воспроизведении с видеомагнитофона звук был и регулировался).

Рис. 2
Первая из этих неисправностей была устранена заменой расположенного на шасси дросселя L679 (он имел потемневшую обмотку и был заменен на два последовательно соединенных дросселя типа ДРТ-1-1 от телевизоров 3УСЦТ).
Вторая неисправность в сущности таковой и не являлась: данный телевизор просто не был рассчитан на прием в стандартах D/K. Пришлось доработать схему, как это показано на рис. 3. На вход (выв. 3) отечественной микросборки УПЧЗ-2 (ее можно снять с телевизора 3УСЦТ) был подан видеосигнал с неотфильтрованной ПЧЗ с выв. 7 микросхемы типа TDA8362A, а с выхода микросборки (выв. 7) аудиосигнал поступает через два конденсатора (0,47 мкФ) на выв. 3 и 5 выходного звукового процессора (TDA9860), расположенного в модуле обработки звуковых сигналов. Предварительно эти конденсаторы были отключены от микросхемы промежуточного процессора (TDA9840) того же модуля.

Рис. 3
LG CF-21D70X (шасси МС-64А)
Телевизор не переводился из дежурного в рабочий режим. В дежурном режиме индикаторный светодиод не светился
После отключения выходного каскада строчной развертки и подключения вместо него эквивалента в виде электролампы на напряжение 220 В и мощностью 40 Вт источник питания заработал, но на лампе оказалось напряжение +150 В вместо положенных +125 В.
Проверка элементов выявила неисправный электролитический конденсатор С824 (рис. 4), который был конструктивно установлен между ребрами (!) радиатора охлаждения микросхемы IC802 (STR-S5107). После его замены на конденсатор емкостью 10 мкФ и на напряжение 63 В нормальная работа телевизора была восстановлена. Вновь установленный конденсатор был отогнут в сторону от упомянутого выше радиатора.

Рис. 4
Philips 25PT4503/58 (шасси MD1.2E AA)
Телевизор не включался
Проверка элементов выявила неисправный выходной транзистор 7421 строчной развертки (рис. 5). Первопричина неисправности заключалась в обрыве цепи строчных катушек ОС в области разъема (см. рис. 5). При устранении дефекта разъем ОС был изъят, а жгут от разъемов L19 и L25 был напрямую припаян к выводам ОС.
Транзистор 7421 типа BU1506DX был заменен на аналог (BU508A) с применением слюдяной прокладки и теплопроводящей пасты.

Рис. 5
Sharp 21H-SC (шасси Н)
Не было ни растра, ни звука
Напряжение на аноде кинескопа составляло около + 10 кВ, а напряжение с источника питания В+ (рис. 6) - около +50 В. Период импульсов запуска строчной развертки составлял около 40 мкс. После отключения выходного каскада строчной развертки и подключения эквивалента нагрузки (электролампа 220 В/40 Вт), напряжение В+ стало равным +1 В.
Неисправным оказался конденсатор С731, после замены которого нормальная работа телевизора была восстановлена.

Рис. 6
Sony KV-M1400K (шасси ВЕ-2А)
Отсутствовал растр. Звуковое сопровождение было нормальным
Из-за обрыва резистора R523 (рис. 7) отсутствовал первоначальный запуск узла строчной развертки, отчего не вырабатывалось напряжение питания видеопроцессора IC502 +8 В и, в свою очередь, микросхема не формировала импульсы запуска строчной развертки.
После замены указанного резистора появилось изображение, но на нем были видны "факелы" на вертикальных линиях изображения, направленные исключительно в правую сторону: темные на чернобелом изображении и цветные - на цветном.
Неисправным в этом случае оказался транзистор Q141 типа BF959, установленный между выходом тюнера и фильтром ПАВ. Омметр показал "утечку" между коллектором и эмиттером транзистора.
После замены транзистора на аналог типа 2SC2188 дефект был устранен.

Рис. 7
Sony KV-M1431K (шасси ВЕ-2А)
Телевизор настраивался только на некоторые каналы, изображение было черно-белым с сильными шумовыми помехами. Звук воспроизводился с сильными хрипами
При воспроизведении сигналов с видеовхода изображение и звук оказались без искажений. Причина дефекта заключалась в неисправности видеопроцессора IC502 типа TDA8304В - потребовалась замена этой микросхемы.
Thomson 55MT52CN (шасси ТХ91)
При работе телевизора внезапно на экране возникла шкала регулировки громкости, указатель которой смещался до нуля. Одновременно уменьшалась до нуля и громкость
"Прозвонка" цепей управления не выявила причины дефекта. Замена процессора управления типа ST9291J6B1/AEN также не привела к положительному результату.
Позднее было замечено, что в режиме регулировки параметров изображения во время указанной неисправности указатель на шкале яркости, насыщенности или контрастности также смещался к нулю, что сопровождалось уменьшением до минимума значения выбранного параметра.
Неисправность была вызвана результатом нерегулярного замыкания кнопки VOL-платы местного управления, хотя при "прозвонке" подобный дефект кнопки не обнаружился. Пришлось заменить эту кнопку.
Упомянутая выше замена процессора управления была осложнена тем, что оригинальная микросхема отсутствовала в продаже. Пришлось вместо него установить более распространенный процессор типа ST9291J6B1/MA. Однако после этой замены отсутствовало звуковое сопровождение при приеме с антенны (в режиме AV звук был). Дополнительный анализ выявил, что шасси ТХ91 имеет несколько вариантов исполнения канала звука:
- с микросхемами STV8224A2 и STV8225, при этом применяется процессор ST9291J6B1/MA;
- с микросхемой STV8224A2 и с модулем 4FM SOUND, при этом применяется процессор ST9291J6D1/AEN).
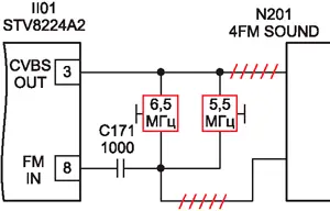
Для использования процессора ST9291J6B1/MA вместо ST9291J6B1/AEN необходимо отключить указанный модуль и установить дополнительно (рис. 8) параллельно включенные фильтры на 6,5 (D/K) и 5,5 (B/G) МГц между выв. 3 (CVBS OUT) и 8 (FM IN) микросхемы STV8224A (через конденсатор С171). При этом прием в стандарте L будет невозможен, но он в нашей стране и не используется. Отметим, что если предполагается использовать только вариант со стандартом D/K, то можно не устанавливать и фильтр на 5,5 МГц.

Рис. 8
Thomson 36MK10X (шасси ТХ91)
Телевизор не переводился из дежурного режима в рабочий
При отключении от напряжения В+ выходного каскада строчной развертки источник питания работал нормально (на эквиваленте нагрузки - электролампа 220 В/40 Вт).
Неисправным оказался выходной строчный трансформатор типа OREGA 40331-01 (или 20526790). Его замена на исправный или аналог HR8057 оказалась затруднительной ввиду отсутствия в продаже. Поэтому был установлен трансформатор BSC21-0525/TLF037-04 от телевизора "Hitachi-Fuyian HFS-1421". Выводы вновь установленного трансформатора были присоединены к выводам печатной платы в соответствии с приведенной таблицей.
Таблица
Номера выводов печатной платы | Номера выводов трансформатора | Обозначения выводов на печатной плате телевизора | ||
1 | 3 | В+ | ||
2 | 1 | С | ||
3 | 7 | ABL | ||
4, 5, 7 | 4 | GND | ||
6 | 6 | +24V | ||
8 | 8 | HTR | ||
9 | 2 | +160V | ||
10 | 5 | + 14V | ||
В рамках данной доработки потребовалось также принять меры по нетрадиционному креплению трансформатора на плате.
О ремонте "таинственного незнакомца"
Зачастую в ремонт попадают совершенно неизвестные модели телевизоров, причем в наличии нет ни схемы, ни потребительской и сервисной инструкций.
К тому же именно в этом случае часто бывает утерян ПДУ. Основываясь на собственном опыте, хотелось бы поделиться им с читателями.
Если неисправность незаурядная, следует поискать "схемного двойника" такой модели (во многих случаях это возможно, так как многие бренды используют "начинку" своих телевизоров от одних и тех же сторонних производителей). Для этого прежде всего надо по возможности переписать типы всех микросхем, установленных на шасси модели, а также на встроенных платах, модулях, субмодулях (если таковые окажутся). Далее по справочной литературе ищут модель с таким же или очень близким набором микросхем. Если повезет, то можно найти схему искомой модели (желательно совпадение и позиционных номеров, но и без этого наличие схемы дает многое).
В менее благоприятном случае следует искать ближайших "двойников" отдельных узлов:источника питания, строчной и кадровой разверток и др. В некоторых случаях бывает достаточным найти документацию (DATASHEET) на конкретные элементы, чтобы по подобным описаниям разобраться в логике работы элементов и сделать выводы о их неисправности.
Для поиска оригинала ПДУ или его замены следует найти схемы моделей телевизоров с такими же микросхемами процессора управления и памяти.
Большое значение имеет также количество и назначение кнопок панели местного управления.
Помочь решению проблемы может использование универсальных ПДУ, например, KONIG MM9802, LOTOS и т.п.
Для моделей телевизоров с такими же или близкими микросхемами процессора управления и памяти необходимо отыскать инструкции по настройке и использовать их для вашей модели телевизора. То же самое надо попытаться сделать для вхождения в сервисный режим, если это необходимо для ремонта.
Автор: Геннадий Романов (г. Москва)
Источник: Ремонт и сервис