В 2004-2006 гг в России было продано большое количество музыкальных центров (минисистем) SAMSUNG серий MAX-Jxxx/KJxxx/ DCxxx/DTxxx/KTxxx/ZJxxx, во многих из которых впоследствии имели место различного рода неисправности и отказы. К рассматриваемым в статье аппаратам относятся следующие модели минисистем:
- "MAX-J530" (разработка 2004 г, см. внешний вид на рис. 1);
- "MAX-KJ610/630/650/KT65Q" (2004 г., см. внешний вид модели "KJ650" на рис. 2);
- "MAX-KJ750/750W" (2004 г., см. внешний вид на рис. 3);
- "MAX-DC640/650" (2005 г);
- "MAX-DT55/KT55" (2005 г.);
- "MAX-ZJ550" (2004 г, см. внешний вид на рис. 4).

Рис. 1. Внешний вид MAX-J530

Рис. 2. Внешний вид KJ650

Рис. 3. Внешний вид MAX-KJ750/750W

Рис. 4. Внешний вид MAX-ZJ550
Приведем основные особенности и параметры этих минисистем.
MAX-J530
- состав: 3-дисковый CD-чейнджер, 2-кассетный магнитофон, тюнер, УЗЧ;
- воспроизводимые диски: CD-Audio, CD-R, CD-RW;
- УМЗЧ: Рвых=2х15 Вт (RMS, КНИ=10%, RH=6 Ом), отношение "сигнал/шум" 75 дБ;
- CD проигрыватель: отношение "сигнал/шум" 90 дБ, КНИ не более 0,05% (f=1 кГц);
- тюнер: УКВ2, СВ, RDS; отношение "сигнал/шум" 40/62 дБ (СВ/УКВ), КНИ 2/0,3% (СВ/УКВ).
MAX-KJ610/630/650
- состав: 3-дисковый DVD-чейнджер, 2-кассетный магнитофон, тюнер, УМЗЧ;
- воспроизводимые диски: DVD Video (и DivX), VCD, CD Audio, CD-MP3, CD-R/RW;
- УМЗЧ: Рвых=2 x 70 Вт (RMS, КНИ=10%); отношение "сигнал/ шум" 75 дБ; караоке; компрессия для Dolby Digital;
- DVD-проигрыватель: отношение "сигнал/шум" 85 дБ, КНИ=0,05% (f=1 кГц); прогрессивная развертка; системы PAL/NTSC; скорость потока данных МР3 - 80320 Кбит/с; АС3 - 128-448 кбит/с; WMA - 56-160 Кбит/с;
- тюнер: УКВ2, СВ; отношение "сигнал/шум" 40/55 дБ (СВ/УКВ), КНИ=2/0,6% (СВ/УКВ);
- разъемы: видеовыход, компонентные выходы (RCA), S-Video выход, линейные выходы, входы звука, выход на сабвуфер.
MAX-KJ750/KJ750W (отличия от KJ610)
- УМЗЧ: 5 каналов, Рвых=60 Вт на канал и 2 канала для сабвуфера с Рвых=75 Вт на канал; отношение "сигнал/шум" 70 дБ; акустические системы: фронт/центр/тыл 150 Гц...20 кГц, 85 дБ/Вт/м, Рмакс=120 Вт, сабвуфер: 30 Гц.150 Гц, 85 дБ/Вт/м, Рмакс=150 Вт;
- беспроводной микрофон (только для "MAX-KJ750W"), с fнесущая =720,4...722,9 МГц (10 каналов), модуляция F3E, Рвых=7 мВт (50 Ом); полоса 80 Гц...8 кГц.
MAX-DC640/650 (отличия от KJ610)
- УМЗЧ: Рвых=80 Вт на канал (RMS, КНИ=10%).
MAX-DТ55/KТ55 (отличия от KJ630)
- УМЗЧ: Рвых=35 Вт на канал (RMS, КНИ=10%);
- разъемы: дополнительно USB-вход для фотокамер нескольких десятков производителей.
MAX-ZJ550 (отличия от MAX-J530)
- УЗЧ: Рвых=50 Вт на канал.
В состав минисистем "MAX-J530/ZJ550" входят следующие узлы и платы: главная плата (MAIN PCB), плата передней панели (FRONT PCB), плата тюнера (TUNER PCB), плата CD-проигрывателя (CD PCB), плата магнитофона (TAPE DECK PCB), силовой трансформатор (POWER P/T), CD проигрыватель, магнитофон и акустические системы. Принципиальная электрическая схема главной платы модели "MAX-J530" приведена в архиве (см. в конце статьи).
Микросхема FIC1/BIC1 типа LC75341 фирмы SANYO обеспечивает коммутацию и усиление звуковых сигналов левого и правого каналов от внешних входов (AUX JACK), тюнера (разъем FW1/FCW1), магнитофона, и предварительного усилителя, выполненного на сдвоенном ОУ FIC2/MIC1 типа 4558 (через дробь приведены обозначения тех же элементов в модели "MAX-ZJ550"). Микрофонный усилитель выполнен на транзисторах MQ1/MJQ1, MQ2/MJQ2 типа 2SD471 (KTD471).
Этой же микросхемой LC75341 регулируются цифровым методом громкость и тембр по НЧ и ВЧ.

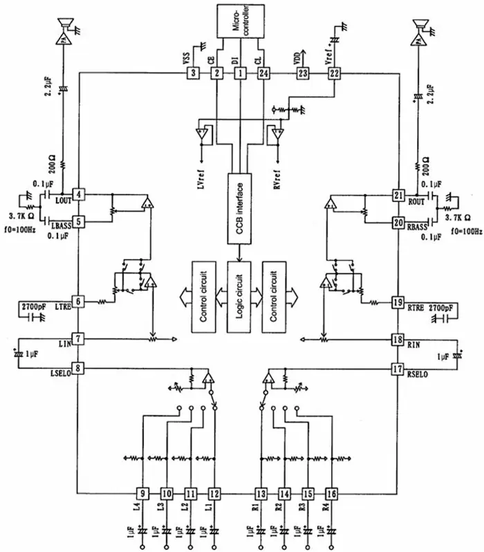
Рис. 5. Структура и типовое включение микросхемы LC75341
Структура и типовое включение микросхемы приведены на рис. 5, основные параметры и особенности микросхемы:
- диапазон регулировки громкости: 0...-79 дБ (шаг 1 дБ);
- диапазоны регулировки НЧ/ВЧ тембра: +20 дБ/±10 дБ (шаг 2 дБ);
- коэффициент усиления: 0...+30 дБ (шаг 2 дБ);
- питание: Uпит=5...10 В, Iпотр=37 мА (при Uпит=10 В);
- максимальная мощность рассеяния: до 450 мВт;
- входное сопротивление: 50 кОм;
- КНИ/переходное межканаль-ное затухание/выходной уровень шума: 0,01%/80 дБ/9,3 мкВ;
- управление: последовательный 3-проводный интерфейс ССВ (зарегистрированная торговая марка Sanyo Electric Co. LTD).
Времязадающие элементы схем регулировки НЧ тембра подключены к выв. 4, 5, 20, 21 микросхемы, а ВЧ тембра - к выв. 6 и 19. Входные сигналы левого и правого каналов подаются на выв. 9-12 и 1316 (КУ по всем входам одинаковы). Сигналы управления CE, DA, CLK интерфейса ССВ подаются на выв. 2, 1, 24 соответственно (см. схемы в архиве). Эти сигналы формирует микропроцессор системы управления IC3/UIC1 типа LC87748A-50H0, установленный на плате передней панели. Сигнал доступа СЕ поступает по цепи FCE с выв. 6 IC3/UIC1, сигнал DA по цепи PLL-DO - с выв. 7, тактовый сигнал по цепи CLK - с выв. 8. Сигналы CLK и PLL-DO управляют также и настройкой тюнера, однако сигнал доступа СЕ тюнера поступает по цепи ТСЕ с выв. 5 микропроцессора. Доступ к регистрам микросхемы LC75341 и микросхемы синтезатора частоты тюнера обеспечивается при уровне лог "1" в цепях FCE и ТСЕ соответственно.
В качестве усилителей мощности ЗЧ (см. архив) в рассматриваемых минисистемах применены микросхемы TDA7265 (FIC3)/STK403-070 (AIC1). Основные параметры и особенности микросхемы TDA7265 фирмы STM:
- питание: Uпит=±(5...25) В, Iпотр=130 мА, мощность рассеяния 30 Вт;
- КНИ при выходной мощности 20 Вт: 1% (при двухполярном питании ±16 В на нагрузке 4 Ом, ±20 В на нагрузке 8 Ом);
- скорость нарастания выходного напряжения: 10 В/мкс; КУ=80 дБ (с разомкнутой петлей ООС).
В минисистеме "MAX-J530" микросхема включена по схеме с однополярным питанием от мостового усилителя FD24-FD27 (1N5402 - 200 B/3 A RMS, Uпр=1,2 В), FC119 (3300 мкФ x 42 В), в результате выходная мощность усилителя составила всего 15 Вт при КНИ=10%.
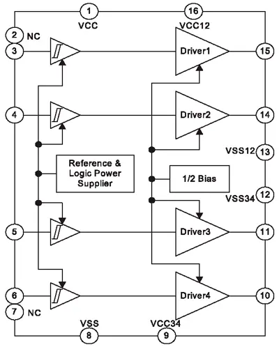
Справочные данные на микросхему STK403-070, примененную в минисистеме "MAX-ZJ550", отсутствуют в свободном доступе, да и сама микросхема довольно дефицитна. Фирма SANYO сравнительно недавно выпустила ряд микросхем сдвоенных усилителей мощности звуковых частот класса АВ, среди которых имеется и функциональные аналоги искомой, один из них - STK433-070-E (Data sheet 2009 г.), типовое включение микросхемы приведено на рис. 6. При замене вышедшей из строя STK403-70 выв. 2 микросхемы STK433-070-E следует соединять с контактной площадкой для выв. 1, выв. 3 - с площадкой для выв. 2 и т.д., оставшийся свободным выв. 1 (-PRE) подключают к источнику отрицательного напряжения по схеме рис. 6.

Рис. 6. Типовая схема включения микросхемы STK433-070-E
Основные параметры микросхемы STK433-070-E:
- питание: Uпит=±44 В (при нагрузке 6 Ом); Uмин - Uмакс= ± (10...50) В; Iпотр=45 мА (без нагрузки);
- выходная мощность: 2x40 Вт при КНИ=0,4% в диапазоне 20 Гц-20 кГц; Рвых при КНИ=10% составляет 2x60 Вт;
- диапазон рабочих частот: 20 Гц...50 кГц (по уровню -3 дБ); Uвых шума не более 1 мВ (RMS).
Другие, выпущенные фирмой SANYO, микросхемы: STK433-030-E (2x20 Вт при КНИ=0,4%); STK433-040-E (2x25 B), STK433-060-E (2x35 Вт), STK433-090-E (2x50 Вт), STK433-100-E (2x60 Вт), STK433-120-E (2x80 Вт), STK433-130-E (2x100 Вт). Выходная мощность всех перечисленных микросхем при КНИ=10% примерно на 40-50% больше.
Усилители записи/воспроизведения минисистем базируются на микросхемах НА12235 (FIC2)/HA12237F (JIC1) фирмы HITACHI, тракты ПЧ тюнеров - на микросхеме LA1837M (IC01), синтезаторы частоты тюнеров - на микросхеме LC72131M (IC02) (обе микросхемы фирмы SANYO).
В состав минисистем "MAX-KJ610/KJ630/KJ650/KT65" входят следующие узлы и платы: главная плата (MAIN PCB), плата передней панели (FRONT PCB), проигрыватель дисков (DVD/VCD DECK), узел тюнера (TUNER PACK), источник питания (POWER PCB ASSY), блок усилителей мощности (AMP PCB), магнитофон (TAPE DECK), силовой трансформатор (POWER TRANS) и акустические системы.
Принципиальная электрическая схема блока усилителей мощности базовой модели "MAX-650" приведена в архиве. В качестве усилителя мощности в минисистемах применена микросхема AIC1 STK403-100 (аналог STK433-100-E) фирмы SANYO. Типовое включение и назначение выводов микросхемы соответствуют включению, приведенному на рис. 6, основные параметры микросхемы:
- выходная мощность: 2x60 Вт при Uпит=±35 В на нагрузке 6 Ом (КНИ=0,4% в полосе 20 Гц...20 кГц); 2x100 Вт (КНИ=10% на частоте 1 кГц);
- КНИ: 0,01% при Рвых = 5 Вт на частоте 1 кГц;
- диапазон рабочих частот: 20 Гц...50 кГц (-3 дБ);
- ток потребления: 45 мА (типовое значение на холостом ходу);
- уровень выходного шума: не более 1 мВ (RMS).
Усилитель питается от двухполярного выпрямителя на элементах ABD1 (GBU606, 560 В/6 А, Uпр=1 В ), AE5, AE6 (3300 мкФ x 63 В). В состав усилителя входит схема защиты от коротких замыканий, выполненная на дискретных элементах. При возникновении замыканий в нагрузках сигнал защиты (Protection) через контакт 2 разъема ACW2 и блок предварительных усилителей (на главной плате) поступает на систему управления (на передней панели), в результате реле ARL1 разрывает цепи нагрузки (параметры реле ARL1: 12 В/0,54 Вт/44,4 мА, Part No 3501-001197 RELAY-MINIATURE).

Рис. 7. Структура звукового процессора BD3872FS
На схемах архива приведена принципиальная электрическая схема узлов главной платы и блока силового трансформатора минисистем. Звуковой процессор аппаратов выполнен на основе микросхемы FIC3 типа BD3872FS фирмы ROHM. Он обеспечивает коммутацию источников звуковых сигналов, регулировку громкости и тембра, а также управление эффектами окружающего звука, структура микросхемы приведена на рис. 7. Звуковые сигналы подаются на входы 5x2 (выв. 5-14), коммутируемые на выходы SEL1, SEL2 (выв. 2, 4). Сигналы с этих выходов подаются на плату проигрывателя дисков, выходные сигналы с которой возвращаются на входы VIN1, VIN2 (выв. 1, 3). Режимы работы микросхемы и параметры звуковых трактов регулируются через последовательный интерфейс по входам SI (данные, выв. 18), SC (тактовые импульсы, выв. 17). Основные параметры микросхемы BD3872FS:
- питание: Uпит=4,5...9,5 В, Iпотр=8 мА (без подачи сигналов);
- КНИ: 0,01% в диапазоне частот 400 Гц...30 кГц;
- максимальное выходное напряжение: 2,1 В (КНИ=1% в полосе 400 Гц...30 кГц);
- выходной уровень шума: 4,5 мкВ с фильтром типа А;
- максимальное затухание регулятора громкости: -90 дБ;
- диапазон регулировки тембра по НЧ и ВЧ: ±14 дБ.

Рис. 8. Структура микрофонного процессора M65855FP
Микрофонный процессор и цифровой ревербератор минисистем выполнены на микросхеме KIC1 M65855FP фирмы MITSUBISHI, структура микросхемы приведена на рис. 8. В состав микросхемы входят входной и выходной ФНЧ, АЦП/ЦАП, микрофонный усилитель и смеситель, запоминающее устройство для реализации эффектов реверберации, схема регулировки уровней в эхо-канале. В рассматриваемых минисистемах микросхема используется для реализации режима караоке, основные параметры микросхемы:
- питание: Uпит=3,5...5,5 В, Iпотр=25 мА (типовое значение при Uвх=100 мВ RMS);
- коэффициент передачи эхо-канала/микрофонного канала:
-3,5 дБ/0 дБ на нагрузке 47 кОм;
- максимальный входной сигнал: 1,2 В (при КНИ=10%);
- тактовая частота/время задержки: 1 МГц/164 мс при сопротивлении RC=120 кОм (между выв. 16 и "землей");
- уровень шума эхо-канала/микрофонного канала: -80/-90 дБВ.
Микросхема CIC1 типа PT8300 фирмы PTC (Princeton Technology Corp.) представляет собой 16разрядный расширитель логических функций (16-bit I/O Expander). Совместно с микропроцессором системы управления LC877364A фирмы SANYO (чип установлен на плате передней панели) микросхема обеспечивает формирование различных управляющих команд минисистем.

Рис. 9. Сборочный чертеж проигрывателя дисков

Рис. 10. Внешний привод дисков в сборе с оптическим блоком SOH-AD3, где а - вид сверху, б - вид снизу
В рассматриваемых минисистемах применен проигрыватель, обеспечивающий автоматическое воспроизведение трех дисков. Его сборочный чертеж приведен на рис. 9, а в таблице приведены основные детали и узлы проигрывателя дисков. В приводе дисков проигрывателей используется оптический блок SOH-AD3 собственного производства, внешние виды сверху и снизу привода дисков в сборе с оптическим блоком показаны на рис.10а и б соответственно. Оптический блок SOH-AD3 выпускался как фирмой SAMSUNG, так и китайскими производителями,он имеет ряд функциональных аналогов, например SOH-AAN, SOH-AAU, SOH-AAV, SOH-AD5F, KSS213C/D и др. Под функциональной совместимостью здесь понимается одинаковая конструкция и соединители (разъемы). Однако использование аналогов не всегда приводит к полному устранению дефектов ремонтируемой аппаратуры, например, возможны сбои при считывании некоторых дисков (МР3, CD-R/RW и др). Такие ситуации могут возникать даже при корректной замене ОБ однотипным, что свидетельствует о несоответствии параметров приобретенного прибора необходимым требованиям (возможно, из-за брака производителей).
Таблица. Основные детали и узлы проигрывателя дисков
№ позиции | Part No | Наименование |
1 | AH66-80022A | SLIDER-CAM/ABS HF-380NTP - ползун |
2 | AH66-60034A | BELT-LOAD/CR - пассик |
3 | AH66-20186A | GEAR-PULLEY/POM (M90-44) WHT - ведомый шкив |
4 | AH66-20187A | GEAR-LOAD/POM (M90-44) BLK - загрузочная шестерня |
5 | AH66-20188B | GEAR-CAM/ POM (M90-44) WHT - программная шестерня |
6 | AH66-20189B | GEAR-TRAY/POM (M90-44) BLK - шестерня привода лотка |
7 | AH66-20190B | GEAR-CONVERT/POM (M90-44) WHT - промежуточная шестерня |
8 | AH66-20191A | GEAR-SYNCRO/ABS HF-380 NTP - синхро-шестерня |
9 | AH66-20192A | GEAR-WORM/POM (M90-44) M0.5,PCD4.5 - червячный фрикцион |
10 | AH31-12001A | MOTOR-LOADING/FF-30PN-09120 - двигатель поворота лотка |
11 | AH66-20193A | GEAR-ROULLETE/POM (M90-44) BLK - шестерня поворота лотка |
12 | AH63-00324A | TRAY-ROULLETTE/ABS XR-401 BLK - поворотный лоток |
13 | AH63-00325A | TRAY-DISC/ABS BLK - лоток |
14 | AH32-10001F | SENSOR/KPI-L06 - концевой датчик |
19 | 3405-000101 | SWITCH-MICRO/MLS-24 - концевой выключатель |
20 | AH31-10021A | MOTOR-DC/RF-50TB,9VDC,/130MA - двигатель загрузки |
21 | AH66-10008A | PULLEY-MOTOR/POM,BLK,CMS-CR3 - насадка двигателя |
23 | AH91-60150C | CDP DEC ASSY/CMS-D73SG6U - механизм привода дисков |
25 | AH30-00007A | PICK-UP/SOH-AD3 - оптический блок (ОБ) |
26 | AH73-10034A | RUBBER-CD(G) - резиновые втулки |
27 | AH92-00922A | ASSY PCB CD MAIN - главная плата проигрывателя |
28 | AH61-00225A | BRKT-CHUCK - фиксирующая шайба |
Минисистемы "MAX-KJ750/750W" отличаются использованием импульсных многоканальных усилителей ЗЧ, принципиальная электрическая схема платы усилителей мощности этих минисистем приведена также в архиве. В состав платы входят три звуковых процессора для импульсных усилителей ЗЧ класса D AIC1/AIC3/AIC21 типа S1A0071 и три драйвера полевых транзисторов AI2/AI4/AI22 типа S10051, обе ИМС собственного производства (разработка компании Digital & Analog Co., Ltd). В шести оконечных каскадах УМЗЧ применены полевые транзисторы FQP12P10, FQP12N10 фирмы FAIRCHILD.

Рис. 11. Структура микросхемы S1A0071
Структура микросхемы S1A0071 приведена на рис. 11. Прибор выполнен по запатентованной технологии Cool Power Processing (CPPTM) и содержит два идентичных канала, рассчитанных на работу с внешними полевыми транзисторами. Основные особенности и параметры микросхемы:
- напряжение питания микросхемы/внешних МОП-транзисторов: ±(5...6) В/±(10...45) В;
- выходная мощность (с внешними транзисторами): (10...200) Вт;
- КНИ + шум: 0,01% (RН=4 Ом, Рвых=10 Вт); 0,008% (RН=8 Ом, Рвых=5 Вт);
- эффективность (КПД): 83% (Рвых=70 Вт, Rн=4 Ом, Uпит=±25 В); 91% (Рвых=40 Вт, R=8 Ом);
- диапазон рабочих частот: 1 Гц.80 кГц;
- коэффициент демпфирования: более 300;
- схемы защиты от перегрева, коротких замыканий и перегрузки по току;
- частота переключения (внутренняя ШИМ): 450 кГц (типовое значение);
- выходной уровень шума: 160 мкВ;
- динамический диапазон: 105 дБ (при Рвых=100 Вт).

Рис. 12. Структура микросхемы S1A0051
Структура микросхемы S1A0051 приведена на рис. 12, прибор представляет собой 2-канальный драйвер затворов полевых транзисторов для усилителей ЗЧ класса D с "тотемными" выходами (подключаются к затворам P- и N-канальных транзисторов). На входах микросхемы установлены триггеры Шмитта, обеспечивающие крутизну фронта и среза выходных импульсов. Основные особенности и параметры микросхемы:
- питание: Uпит=±(5...12) В; Iпотр=3 мА (типовое значение при Uпит=±10 В);
- время нарастания/спада импульсов: 15 нс (типовое значение на нагрузке емкостью 1000 пФ);
- размах выходного напряжения: 0,4...9,5 В (при Uпит=10 В).
Приведем основные параметры выходных P- и N-канальных полевых транзисторов FQP12P10/FQP13N10:
- максимальное напряжение сток/исток: -100/100 В (Ic макс=-11, 5/12,8 А);
- сопротивление сток/исток открытого транзистора RDS ON не более 0,29/0,2 Ом (при Uзи=-10/5 В, Ic=-5,75/6,4 А);
- заряд затвора: 21 нК/8,7 нК;
- время нарастания/спада тока стока: (330/80)/(220/22) нс;
- максимальный прямой ток антипараллельного диода: -11,5/12,8 А.
На главной плате минисистем установлены практически все используемые в моделях "MAX-KJ610/630/650" микросхемы: KIC1 (M65855P), DIC1(HA12237F), MIC1 (PT8300), OIC1 (74HCU04) и др. Проигрыватель дисков в этих аппаратах такой же, как и в предыдущих (см. рис. 9).
В состав минисистем "MAX-DC640/DC650" входят следующие узлы и платы: главная плата (MAIN PCB), плата усилителя мощности класса D (AMP PCB), плата передней панели (FRONT PCB), плата проигрывателя дисков (DVD PCB), плата тюнера (TUNER PCB), плата магнитофона (TAPE DECK PCB), проигрыватель дисков, 2-кассетный магнитофон и узел силового трансформатора.
Принципиальная электрическая схема двухканального импульсного УМЗЧ минисистем приведена в архиве, усилитель выполнен на вышерассмотренных микросхемах S1A0071 (AIC1), S1A0051 (AIC2) и полевых транзисторах FQP12P10 (AFQ1, AFQ3), FQP13N10 (AFQ2, AFQ4).
Элементная база главной платы минисистем в основном совпадает с элементной базой моделей "MAX610/630/650". В качестве звукового процессора использована микросхема FIC3 типа BD3872FS. Микрофонный процессор и ревербератор выполнены на микросхеме KIC1 типа M65855P Усилитель записи/воспроизведения магнитофона базируется на микросхеме DIC1 типа HA12237F. На главной плате расположены все элементы источников питания минисистем, принципиальная электрическая схема этой части главной платы приведена также в архиве. Мостовой выпрямитель PBD4 PC48 PC49 обеспечивает двухполярное питание УМЗЧ по цепям +VCC_AMP, -VCC_AMP При номинальных напряжениях сети и выходной мощности 2х80 Вт напряжение на выходе выпрямителя составляет ±(25...30) В. Выходное напряжение 7...9 В с выпрямителя PBD2 PC41 поступает на линейные стабилизаторы напряжения +5/3,3 В на микросхемах PIC1-PIC3, обеспечивающих питание узлов главной платы и проигрывателя дисков (через разъем PCW1). Выходное двухполярное напряжение ±(14...16) В с выпрямителя MPD1-MPD4 PC44 PC45 поступает на линейные стабилизаторы напряжения + 12/+8/-12 В, выполненные на микросхемах MPIC1, PIC7, MPIC2. Они обеспечивают питание узлов главной платы, платы передней панели, платы проигрывателя дисков и тюнера.
На микросхеме MIC1 типа TA2011S фирмы TOSHIBA выполнен микрофонный усилитель минисистем. В микросхеме имеется встроенная схема автоматической регулировки напряжения, глубина регулировки коэффициента передачи 58 дБ, типовой коэффициент усиления при выключенной АРУ составляет 47 дБ. Микросхема может работать при напряжении питания 4...14 В и обеспечивает выходной уровень сигнала до 0,6 В (RMS).
Минисистемы "MAX-DT55/KT55" отличаются от моделей "MAX-610/630/650" использованием в УМЗЧ микросхемы STK433-070 (см. рис. 6), основные параметры микросхемы:
- питание: Uпит=±(10...30) В; Iпотр=45 мА (без нагрузки);
- выходная мощность: 2x25 Вт при Uпит=±24 на нагрузке 6 Ом (КНИ=0,4%); 2x40 Вт при КНИ=10%;
- КНИ: 0,02% при Рвых=5 Вт, Uпит=±24 В на частоте 1 кГц;
- рабочий диапазон частот: 20 Гц...50 кГц;
- выходной уровень шума: не более 1 мВ (Rg=2,2 кОм).
Принципиальная электрическая схема платы УМЗЧ приведена в архиве, кроме собственно УМЗЧ, выполненного на микросхеме RIC1, на плате установлены линейные стабилизаторы напряжения +5,6 В (MPIC3), +12 В (MPIC1), -12 В (транзисторы MPQ20, MPQ2). Входное напряжение для стабилизаторов обеспечивает диодный мост MPD1-MPD4 (1N5392, 100 В/1,5 А, Uпр=1,4 В), PC70, PC42.

Рис. 13. Структура микросхемы R2S15904SP
Принципиальная электрическая схема главной платы минисистем приведена в архиве. В качестве электронного регулятора громкости, тембра и коммутатора источников сигналов в рассматриваемых минисистемах применена микросхема FIC1 типа R2S15904SP фирмы RENESAS, структура микросхемы приведена на рис. 13. Назначение выводов микросхемы:
- 1, 2, 3, 28 (INR3, INR2, INR1, INR4): входы 3, 2, 1, 4 правого канала;
- 4-7, (INL1-INL4): входы 1-4 левого канала;
- 8, 10 (IGOUTL, IGOUTR): выходы предусилителей левого и правого каналов;
- 9, 11 (VOLINL, VOLINR): входы левого и правого каналов регулятора громкости;
- 12-15 (BASSR-BASSL): выводы для подключения конденсаторов регуляторов тембра по НЧ;
- 18, 19 (TREL, TRER): выводы для подключения конденсаторов регулятора тембра по ВЧ;
- 20, 25: "земля";
- 21, 22: (CLK, DATA): тактовый вход и вход данных интерфейса управления;
- 24 (VCC): напряжение питания (+9 В);
- 26, 27 (ROUT, LOUT) - основные выходы правого и левого каналов.
В качестве расширителя логических функций вместо PT8300 используется микросхема MUIC1 типа LC709004A фирмы SANYO - 16-разрядный расширитель входов/выходов. Общее число входов/выходов - 18, напряжение питания - 2...6 В, микросхема функционирует совместно с микропроцессором системы управления LC877364A (UIC1 на плате передней панели). В качестве усилителя записи/воспроизведения магнитофона используется та же микросхема HA12237F (DIC1). На микросхеме MIC1 типа TA2011S выполнен микрофонный усилитель.
Все необходимые рисунки и схемы можно скачать здесь.
Автор: Юрий Петропавловский (г. Таганрог)
Источник: Ремонт и сервис