Предлагаемое устройство разработано для поддержания микроклимата в зимнем саду, где выращиваются субтропические растения. С его помощью поддерживаются условия, необходимые для их нормального развития: температура, влажность воздуха и продолжительность светового дня. Дополнительно оно может измерять внешнюю температуру и атмосферное давление, накапливать и отображать в виде графиков информацию об их изменениях в течение года.
Устройство обеспечивает автоматическое управление системой водяного отопления помещения, увлажнителями воздуха, средствами принудительной вентиляции, электроприводами двух оконных рулонных штор, средствами досветки растений. Фактически оно реализует часть функций так называемого "умного дома" и может быть применено для управления микроклиматом в любом помещении.
Одновременно устройство исполняет роль домашней метеостанции. Оно фиксирует наружную температуру и атмосферное давление (ежечасно), абсолютные минимумы и максимумы наружной температуры и атмосферного давления за текущие сутки, средние ежесуточные значения наружной температуры и атмосферного давления в течение текущего года, абсолютные минимумы и максимумы наружной температуры и атмосферного давления за каждый квартал года с указанием их дат. На экран индикатора выводятся графики изменения метеопараметров за текущие сутки или за любой прошедший квартал текущего года.
Основные технические характеристики
Температура в помещении,ºC........................0...+50
Температура наружного воздуха, ºС.................-50...+50
Атмосферное давление, мм Hg ..................225...825
Относительная влажность воздуха в помещении, % ........40...70
Погрешность измерения климатических параметров:
температуры в помещении, оС .....................±1
температуры наружного воздуха, оС ..................±1
атмосферного давления, мм Hg ....................±1,3
относительной влажности воздуха в помещении, % ........±4,5
времени восхода и захода Солнца, мин .................±5
Точность поддержания параметров климата в помещении:
температуры, оС.............±1
влажности воздуха, % ........-5...+1
длительности подсветки растений, мин ...............±1
Число каналов управления:
отоплением .................. 1
вентиляцией ................. 1
увлажнением воздуха .......... 1
досветкой растений ........... 1
оконными шторами:
автоматически ................ 1
вручную ..................... 2
Нагрузочная способность каналов управления, В, ВА (А):
отоплением...........~230, 200
вентиляцией..........~230, 200
увлажнением воздуха .........~230, 200
досветкой растений ..........~230, 200
оконными шторами ............5 (1,3)
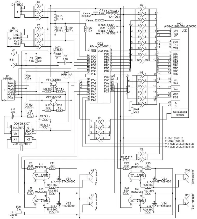
Внешний вид пульта управления устройством показан на рис. 1. В нём имеются два работающих совместно микроконтроллера: ATmega32-16PU (основной) и ATtiny2313A-PU (управление шторами). На рис. 2 изображена основная часть его принципиальной схемы, реализующая все функции, кроме управления шторами.

Рис. 1. Внешний вид пульта управления устройством

Рис. 2. Основная часть принципиальной схемы устройства
Часы реального времени на микросхеме DD1 (DS1307) обеспечивают программу микроконтроллера DD2 информацией о текущих дате и времени. В этой микросхеме имеются 56 байт оперативной памяти общего назначения, которые программа микроконтроллера DD2 использует для хранения информации о суточных изменениях температуры наружного воздуха и атмосферного давления, а также о заданных параметрах устройства.
Для микросхемы DD1 предусмотрен источник резервного питания - литиевый элемент G1 CR2032, что позволяет сохранять ход часов и информацию в оперативной памяти в отсутствие основного питания. Элемент установлен в "вертикальный" держатель CH74-2032.
Информация о состоянии окружающей среды поступает в программу микроконтроллера DD2 с датчиков атмосферного давления B1 HP03M [1], температуры и влажности воздуха в помещении В2 SHT10 [2], температуры наружного воздуха BK1 DS18B20.
Микросхема DD1 и датчик B1 связаны с микроконтроллером DD2 по интерфейсу I2C, образованному линиями SCL (PD4) и SDA (PD3). При этом для датчика B1, работающего с трёхвольтными логическими уровнями, предусмотрены преобразователи этих уровней. На линиях SCL и SDA они двунаправленные (5 В↔З В) на транзисторах VT1 (VT2) и резисторах R9, R17 (R10, R18). Преобразователи уровней сигналов MCLK и XCLR - однонаправленные (5 В→З В) в виде делителей напряжения R6R5 и R1R2 соответственно.
Связь с датчиком температуры и влажности воздуха В2 микроконтроллер ведёт по линиям PD1 и PD2. Датчик температуры наружного воздуха BK1 имеет интерфейс 1-Wire, обмен с ним организован по линии PD0 микроконтроллера.
Для подачи в необходимых случаях звуковых сигналов использован пьезокерамический излучатель HA1, сигнал управления которым микроконтроллер формирует на линии PD7.
Для отображения информации применён графический ЖКИ WG240128B-TML-TZ#000 (HG1) с разрешением экрана 240x128 пкс. Его обслуживают порты B и C микроконтроллера DD2. Существенное достоинство этого индикатора - встроенная резистивная сенсорная панель, существенно упрощающая реализацию органов управления. Панель обслуживают линии PA0-PA3 микроконтроллера DD2.
Чтобы минимизировать проникновение помех по цепи питания, на аналоговые узлы микроконтроллера DD2 оно подано через фильтр L1C3.
Подстроечным резистором R24 устанавливают необходимую контрастность изображения на экране ЖКИ, а подборкой резистора R21 - яркость его подсветки.
Управление исполнительными устройствами производится с помощью симисторных коммутаторов, обеспечивающих гальваническую развязку цепей управления ими от питающей сети. Эти коммутаторы идентичны, поэтому рассмотрим работу лишь одного из них. Управляющий сигнал с выхода PA5 микроконтроллера DD2 через резистор R3 поступает на излучающий диод симисторного оптрона U1 MOC3063. Этот оптрон имеет узел определения момента прохождения приложенного к фотосимистору напряжения через ноль, поэтому открывание фотосими-стора и управляемого им силового симистора VS1 происходит именно в этот момент. Это обеспечивает минимальный уровень коммутационных помех.
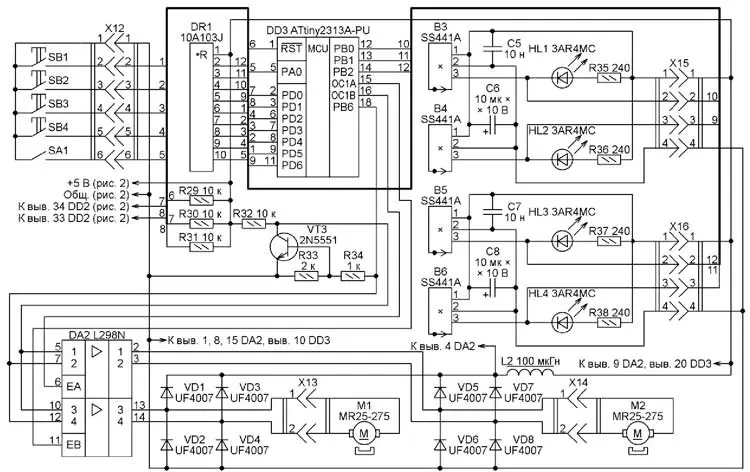
Чтобы поддерживать в помещении требуемые условия освещения, программа микроконтроллера DD2 формирует команды управления положением рулонных оконных штор. Часть схемы устройства, ответственная за управление шторами, изображена на рис. 3. Здесь имеется второй микроконтроллер (DD3). Обмен информацией между микроконтроллерами происходит по линиям РА6 и РА7 (DD2) и PD0, PD1 (DD3).

Рис. 3. Часть схемы устройства, ответственная за управление шторами
Узел управления шторами позволяет с помощью электропривода изменять положение двух рулонных штор либо автоматически по командам, сформированным микроконтроллером DD2, либо вручную по командам оператора. При этом в автоматическом режиме положение обеих штор изменяется синхронно, а в ручном режиме возможно раздельное управление каждой из них.
В автоматическом режиме шаг перемещения шторы равен половине оборота её вала, в режиме ручного управления в требуемое положение шторы устанавливает пользователь с помощью кнопок SB1-SB4.
Электропривод левой шторы состоит из электродвигателя M2, датчика верхнего положения этой шторы B3 и датчика числа оборотов её вала B4. В приводе правой шторы установлены соответственно электродвигатель M1 и датчики B5 и B6.
Датчики B3-B6 представляют собой магниточувствительные микросхемы на эффекте Холла SS441A [3]. На валах и полотнах штор для воздействия на них установлены постоянные магниты. Светодиоды HL1-HL4 служат индикаторами срабатывания датчиков, что существенно упрощает налаживание узла. При желании по завершении налаживания эти светодиоды можно заменить перемычками, а сопротивление резисторов R35-R38 увеличить так, чтобы текущий через каждый из них ток не превышал 5...10 мА.
В качестве электродвигателей M1 и M2 применены мотор-редукторы постоянного тока Gekko MR25-275, широко используемые в робототехнике. Встроенный в них редуктор с передаточным числом 1:275 обеспечивает крутящий момент на выходном валу 330 н·см, что позволяет поднимать и опускать рулонные шторы с массой полотна до 10 кг.
Микроконтроллер DD3 управляет двигателями через двухканальный драйвер DA2 L298N, выдавая на него три управляющих сигнала: направления вращения, формируемый на линии PB6 одновременно для обеих штор, и разрешения работы каждого из двигателей, формируемые на линиях OC1A и OC1B. Последние представляют собой последовательности импульсов, модулированных по длительности, что даёт возможность изменять скорость перемещения штор.
Режим управления шторами задают выключателем SA1. В ручном режиме (выключатель разомкнут) пользователь управляет шторами с помощью кнопок SB1 (правая вниз), SB2 (правая вверх), SB3 (левая вниз) и SB4 (левая вверх). В автоматическом режиме (выключатель SA1 замкнут) кнопки SB1-SB4 заблокированы, а команды управления положением штор поступают на линии PD0 и PD1 микроконтроллера DD3 от микроконтроллера DD2.
Дроссель L2 предназначен для подавления помех, проникающих в цепь питания устройства от работающих электродвигателей. Он должен быть рассчитан на ток не менее 2,5 А.
Устройство питают напряжением 5 В от импульсного источника питания PS-15-5 (5 В, 2,8 А). Ток потребления от него (при выключенных двигателях привода штор) - около 90 мА. Необходимое для питания датчика B1 напряжение 3,3 В получают с помощью интегрального стабилизатора DA1 L78L33.
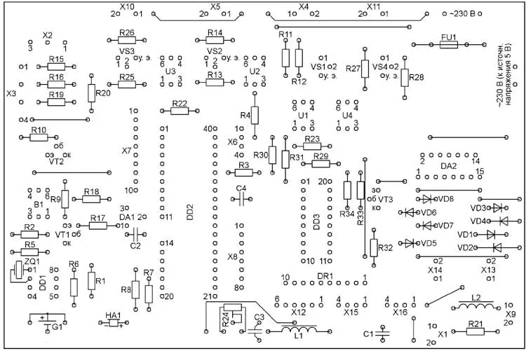
Чертёж основной печатной платы устройства изображён на рис. 4. Размещение деталей на ней показано на рис. 5. Для микроконтроллеров DD2 и DD3 на плате устанавливают панели ввидутого, что разъёмов для программирования микроконтроллеров на ней не предусмотрено. У панели микроконтроллера DD2 удалены выводы 12 и 13.

Рис. 4. Чертёж основной печатной платы устройства

Рис. 5. Размещение деталей на плате
Чтобы установить на плату датчик HP03M (B1), в пазы на боковых поверхностях его подложки впаивают отрезки лужёного одножильного провода диаметром 0,4...0,8 мм (рис. 6), их свободные концы вставляют в отверстия печатной платы и припаивают к её контактным площадкам. Для датчика SHT10 (B2) целесообразно изготовить небольшую переходную печатную плату по чертежу, показанному на рис. 7.

Рис. 6. Датчик HP03M (B1)

Рис. 7. Печатная плата
Микросхему L298N (DA2) следует снабдить небольшим теплоотводом с площадью охлаждающей поверхности 20...30 см2. Теплоотводы для симисторов VS1-VS4 не предусмотрены, поэтому коммутируемая ими мощность не должна превышать 200 ВА. Для работы на более мощную нагрузку симисторы должны иметь соответствующие теплоотводы.
Устройство собрано в типовом корпусе электрощитка. Вне основной платы находятся датчики B2-B6, а также источник питающего напряжения 5 В. Индикатор HG1, выключатель SA1 и кнопки SB1-SB4 размещены на съёмной передней панели корпуса и подключаются к основной плате разъёмами.
Следует иметь в виду, что выводы сенсорной панели индикатора оформлены в виде сверхплоского кабеля FPC, предназначенного для соединения с разъёмом FFC. Поскольку индикатор размещён на съёмной панели корпуса, длины этого кабеля (8 см) для соединения с платой недостаточно. Он подключён к ней через удлинитель - плоский кабель длиной 10 см, провода которого с одной стороны припаяны к штырям разъёма FFC, а с другой - установлен разъём BLS-4 для подключения к печатной плате.
Магнитные датчики B3-B6 установлены попарно на двух одинаковых печатных платах, изготовленных по чертежу, показанному на рис. 8. Эти платы размещены у штор и соединены кабелями с разъёмами X15 и X16 основной платы. Исполнительные устройства подключают к разъёмам Х4, X5, X10, X11, X13, X14. Источник напряжения 5 В представляет собой отдельный узел, размещённый на собственной печатной плате.

Рис. 8. Чертёж печатной платы
Продолжение следует
Литература
1. HP03 Series of calibrated sensor module. HP03M. - URL: http://www.hoperf.com/ upload/sensor/H P03M. pdf (07.04.16).
2. Datasheet SHT1 х (SHT10, SHT11, SHT15). Humidity and Temperature Sensor. - URL: http://www.datasheetlib.com/datasheet/ 709656/sht10_crouzet.html (07.04.16).
3. SS400 Series Temperature Compensated Digital Hall-Effect Sensor ICs. - URL: http:// sensing.honeyweN.com/honeyweN-sensmg-ss400-series-product-sheet-009050-3-en.pdf?name=SS441A (07.04.16).
Автор: А. Савченко, пос. Зеленоградский Московской обл.