Часть 1. Измерение большого постоянного и переменного токов. Приставка к мультиметру
В статье рассмотрены варианты применения микросхемы ZXCT1009F (так называемый монитор тока) в измерительных приборах и других устройствах.
Стрелочные амперметры постоянного тока
Для измерения тока в источниках питания или зарядных устройствах (ЗУ) часто применяют стрелочные приборы. В большинстве случаев они оказываются удобнее, чем цифровые, особенно если нет необходимости в точных измерениях. В качестве амперметров зачастую используют микроамперметры с током полного отклонения от 100 до 1000 мкА совместно с шунтами - низкоомными резисторами, которые подключают параллельно (рис. 1). Рассмотрим для примера микроамперметр М260М с током полного отклонения Iмакс = 100 мкА и сопротивлением рамки (измерено у конкретного экземпляра) Rp = 1,57 кОм (рис. 2). Для отклонения стрелки на максимальное деление шкалы на этот микроамперметр следует подать напряжение UPA1 = Iмакс · Rp = 0,157 В. Поэтому, например, для измерения тока 1 А на шунте (резисторе R1) должно падать именно такое напряжение (т. е. R1 = 0,157 Ом). Для измерения тока 10 А это напряжение также должно быть 0,157 В. В первом случае на резисторе рассеивается мощность 0,157 Вт, во-втором - 1,57 Вт. Это расточительно, да к тому же потери напряжения - тоже существенный недостаток, особенно при небольшом напряжении источника питания. Для защиты от перегрузки по току обычно вводят токоограничивающий резистор R2 и защитный диодVD1 (обычно кремниевый). Эти элементы могут внести дополнительную погрешность измерения, в том числе и температурную.

Рис. 1. Схема подключения микроамперметра с шунтами

Рис. 2. Микроамперметр М260М
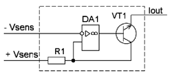
Существенно уменьшить падение напряжения на датчике тока можно, применив специализированную микросхему, предназначенную для совместной работы с ним. Таких микросхем не так уж и мало, но мы рассмотрим одну из них - ZXCT1009F. Упрощённая схема её "начинки" показана на рис. 3, а схема включения и цоколёвка - на рис. 4. Эта микросхема представляет собой преобразователь напряжение/ток, т. е. она преобразует падение напряжения UR1 между входами в выходной ток Iвых. Коэффициент преобразования K = 10мА/В, это означает, что при UR1 = 1 В выходной ток Iвых = 10 мА. Микросхема предназначена для работы в цепях с напряжением 2,5...20 В, максимальный выходной ток - 25 мА, собственный потребляемый ток (при UR1 = 0 В) - не более 4 мкА. Совместно с датчиком тока эта микросхема будет работать, по сути, как "зеркало" тока.

Рис. 3. Упрощённая схема "начинки" ZXCT1009F

Рис.4. Схема включения и цоколёвка
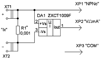
Зачастую большой точности измерения тока не требуется, поэтому амперметр на ток Iн = 10 А можно построить на её основе и упомянутом выше микроамперметре М260М (рис. 5). Такой измеритель тока подходит для лабораторного ИП или ЗУ, когда минусовая линия питания соединена с общим проводом и в неё затруднительно установить датчик тока. В этом случае напряжение на датчике тока должно быть UR1 = Iвых/K=100·10-6/(10·10-3) = 10·10-3 = 10 мВ, отсюда можно рассчитать сопротивление датчика тока R1 = UR1/Iн = 10·10-3/10 = 0,001 Ом. Резистор R2 установлен "на всякий случай", он ограничивает ток через микроамперметр. В таком амперметре для упрощения конструкции в качестве датчика тока можно применить соединительный провод, отрезок медного обмоточного провода или проводник на печатной плате. Конечно, сопротивление такого датчика зависит от температуры, но для стрелочного амперметра лабораторного БП или ЗУ это не так уж и существенно.

Рис. 5. Схема на основе микроамперметра
Чертёж печатной платы амперметра показан на рис. 6. Для неё использован фольгированный стеклотекстолит с толщиной медного слоя предположительно 35 мкм. Функция датчика тока (резистора R1) в этом случае выполняет печатный проводник (можно применить отрезок медного обмоточного провода). Резистор R2 (типоразмер 1206) устанавливать необязательно, он, как сказано выше, ограничивает ток через микроамперметр в случае возникновения аварийной ситуации. Взамен этого резистора на плате можно установить проволочную перемычку. Чтобы уменьшить падение напряжения на соединительных контактах, применены два параллельно соединённых клеммника XT 1 и XT2, к которым подключают по два соединительных провода.

Рис. 6. Чертёж печатной платы амперметра
Следует напомнить, что при отсутствии тока нагрузки микросхема потребляет ток, а это будет приводить к отклонению стрелки. Но эту ситуацию исправить просто, достаточно при подключённом к источнику питания устройстве с помощью корректора установить стрелку микроамперметра на нулевую отметку шкалы.
Плата закреплена с помощью винтов на выводах микроамперметра (рис. 7). Для подключения соединительных проводов применены винтовые клеммники разного цвета серии RLS2-128-5.00 или аналогичные, рассчитанные на ток, который планируется измерять.

Рис. 7. Монтаж платы
Налаживание сводится к калибровке амперметра по образцовому прибору. Для этого их подключают последовательно друг за другом и подборкой резистора R1 устанавливают одинаковые показания приборов. Подборку резистора проводят следующим образом. Для увеличения его сопротивления (увеличение показаний микроамперметра) надо скальпелем делать небольшие поперечные разрезы фольги. Изменения сопротивления в меньшую сторону можно добиться, напаяв на разрезы или на фольгу слой припоя. Чтобы окисление меди не влияло в дальнейшем на точность измерения, после налаживания резистор R1 следует покрыть тонким слоем водостойкого лака или клея.
Если планируется проводить измерение тока в источнике питания напряжением более 20 В, схему устройства следует изменить в соответствии с рис. 8. Транзистор VT2 включён с обратносмещённым эмиттерным переходом, поэтому он работает как маломощный стабилитрон с напряжением стабилизации около 6 В. В результате напряжение на микросхеме DA1 будет стабилизировано и не превысит 6 В. Причём высокой стабильности здесь не требуется. Выходной ток микросхемы будет протекать через транзистор VT1 и практически без изменения поступит на стрелочный измерительный прибор. Резистор R2 ограничивает ток через него. Чертёж печатной платы для этого варианта показан на рис. 9. Замена транзисторов КТ3129А9 - транзисторы серий BC856, BC857, постоянные резисторы - для поверхностного монтажа типоразмера 1206.

Рис. 8. Изменённая схема устройства

Рис. 9. Чертёж печатной платы для второго варианта устройства
Если в лабораторном блоке питания уже есть цифровой вольтметр или стрелочный вольтметр на основе микроамперметра, на него можно возложить функцию измерения выходного тока. Как можно понять, сделать это поможет упомянутая выше микросхема. Если немного изменить схему её включения (рис. 10), совместно с датчиком тока она сможет работать как преобразователь ток/напряжение, т. е. её выходное напряжение будет пропорционально току нагрузки. В этом случае выходной ток микросхемы протекает через резистор R2, а падающее на нём напряжение через переключатель режимов подают на вольтметр. Для аналогичной конструкции датчика тока, при токе нагрузки 20 А и R2 = 10 кОм, выходное напряжение будет 2 В, а если точнее - чуть больше, поскольку микросхема потребляет ток, протекающий через подстроечный резистор R2. Калибровать такой измеритель можно с помощью образцового амперметра подстроечным резистором R2, а если не получается, - дополнительно подборкой резистора R1, как сказано выше.

Рис. 10. Изменённая схема включения
Следует отметить, что совместно с микросхемой ZXCT1009F можно применить практически любой микроамперметр, главное, чтобы микросхема работала в допустимом интервале питающего напряжения.
Стрелочный амперметр переменного тока
Одна из проблем, которая зачастую возникает у радиолюбителей, - измерение переменного тока, да ещё частотой десятки и сотни килогерц. Некоторые мультиметры, например MY-63, имеют такую функцию, но диапазон частот измеряемого тока - 40...400 Гц, что может оказаться недостаточным.
Если для построения амперметра переменного тока использовать микроамперметр постоянного тока, кроме шунта, потребуется выпрямитель, что приведёт к дополнительному падению напряжения на таком измерительном приборе. Другой вариант - применение микросхемы ZXCT1009F. Обусловлено это тем, что её выходной ток, который зависит от напряжения между входами, протекает только при определённой полярности этого напряжения. Плюс должен быть на входе +Vs (вывод 2), минус - на входе -Vs (вывод 3). При другой полярности на выходе микросхемы присутствует только потребляемый ею ток. Таким образом, микросхема ZXCT1009F работает как выпрямитель, поэтому к её выходу можно подключить микроамперметр постоянного тока. Согласно паспортным данным, предельная частота микросхемы - 300 кГц при входном напряжении до 10мВ и 2МГц при входном напряжении 1 В. Это означает, что амперметр на её основе должен иметь достаточно большой частотный диапазон. Но исследование этого устройства в диапазоне частот не проводилось.
Но не стоит забывать, что при этом на микросхему ZXCT1009F надо подать и постоянное питающее напряжение. Его без проблем можно получить из переменного напряжения. Схема амперметра переменного тока на основе стрелочного микроамперметра М260М и микросхемы ZXCT1009F показана на рис. 11 . Переменное напряжение выпрямляет диод VD1, пульсации сглаживает конденсатор С1. Поскольку потребляемый микросхемой ток мал, эти пульсации незначительны и не оказывают влияние на точность измерения. Через микроамперметр протекают полуволны тока с частотой, равной частоте измеряемого тока. Поэтому при измерении этим амперметром постоянного тока показания будут в несколько раз больше. Эксперимент показал, что это увеличение - примерно 2,3 раза. Поэтому калибровать амперметр следует на тот тип тока, который планируется измерять.

Рис.11. Схема амперметра переменного тока на основе стрелочного микроамперметра М260М и микросхемы ZXCT1009F
Чертёж печатной платы для размещения на выводах микроамперметра М260М показан на рис. 12. Для этой топологии максимальный переменный ток при отклонении стрелки на максимальное деление шкалы - 10 А. Если частота измеряемого тока не более 400 Гц, диод BA159 можно заменить более доступным 1N4007. Внешний вид установленного на микроамперметр устройства показан на рис. 13.

Рис. 12. Чертёж печатной платы для размещения на выводах микроамперметра М260М

Рис. 13. Внешний вид установленного на микроамперметр устройства
В этой конструкции вход и выход, в принципе, взаимозаменяемы, но лучше применить рекомендованный вариант, поскольку напряжение питания поступает на микросхему через вход +Vs (вывод 2).
Измеритель тока - приставка к мультиметру
Иногда возникает потребность в продолжительном измерении тока 10...30 А и больше. Но не все широкораспространённые измерительные приборы позволяют это сделать. Одни из самых дешёвых и потому доступных - мультиметры серии М-83х имеют предел измерения тока 10 А. Для его измерения используется резистор-шунт Rш сопротивлением 0,01 Ом, на котором и измеряется напряжение. Поскольку минимальный предел измерения напряжения этого мультиметра 200 мВ, на пределе 10 А можно, в принципе, измерять ток до 20 А, но об этом в описании не сказано. В этом случае на резисторе-шунте будет рассеиваться мощность до Р = I2 · Rш = 400·0,01 = 4 Вт, что приведёт к его существенному разогреву, вплоть до расплавления припоя, которым он закреплён на плате. К тому же на шунте будет падать напряжение 0,2 В, что тоже существенно. В других, более "продвинутых" мультиметрах, например MY-63, максимальный предел измерения тока - 10 А, но в течение 10...15 с допускается измерение тока до 20 А.
Чтобы продолжительное время измерять ток до 20...30 А, на основе микросхемы ZXCT1009F можно сделать простую приставку к мультиметру. Падение напряжения и рассеиваемая на ней мощность при измерении тока будет в 10 раз меньше, чем в указанных мультиметрах. Схема приставки к мультиметру из серии M-83x показана на рис. 14. Схема включения микросхемы - стандартная. Питается приставка от внутреннего стабилизатора мультиметра, напряжение с которого выведено на контакт "С" гнезда для подключения транзисторов структуры n-p-n, поэтому дополнительного источника питания не требует. Выходной ток микросхемы DA1 и напряжение питания на неё поступают через измерительную цепь мультиметра, который включён в режим измерения тока на пределе "200μ" (200 мкА). Обратите внимание, что в некоторых мультиметрах серии М-83х, например М-838, минимальный предел измерения тока - "2000μ" (2000 мкА). Микросхема DA1 совместно с резистором R1 работает как зеркало тока с коэффициентом преобразования К = 1 мкА/0,1 А = 10-5, т. е. измеренному мультиметром току 1 мкА соответствует ток 0,1 А через резистор R1.

Рис. 14. Схема приставки к мультиметру из серии M-83x
Чертёж печатной платы приставки показан на рис. 15. Она адаптирована для подключения к мультиметру серии М-83х. Резистор R1, как и в предыдущих случаях, - конструктивный - это площадка из фольги между гнёздами XT1 и XT2. Она длительное время может выдерживать ток 25...30 А без существенного нагрева. Естественно, что на этот ток должны быть и рассчитаны клеммники XT1, XT2, поэтому и применены сдвоенные. Соответственно к ним надо подключать два провода соответствующего сечения. Вилки XP2 и XP3 - штепсели ШП4-2 или аналогичные. Они вставлены в отверстия в плате и припаяны со стороны печатных проводников. Их выступающие концы с другой стороны платы залиты эпоксидным или другим жёстким клеем. Наличие вилки XP3 необязательно, она просто придаёт большую жёсткость конструкции при размещении на мультиметре. Вилка ХР1 - латунный лужёный штырь диаметром 0,8 мм. Внешний вид приставки показан на рис. 16.

Рис. 15. Чертёж печатной платы приставки

Рис. 16. Внешний вид приставки
Налаживание сводится к подборке резистора R1, как было описано выше.
Следует отметить, что с этой приставкой мультиметр будет измерять и ток, потребляемый микросхемой DA1, в данном случае - около 1,5 мкА (см. рис. 13), что необходимо учитывать. Этот недостаток можно устранить, применив микросхему серии ZXCT1010, которая имеет отдельный выход питания, который соединяют с вилкой XP3. Поэтому потребляемый ею ток не будет протекать через измерительную цепь мультиметра.
С помощью этой приставки можно измерять и переменный ток, но по сравнению с измерением постоянного тока показания будут меньше, о чём сказано выше.
В последующих частях статьи будут рассмотрены другие варианты устройств, в которых с успехом можно применить микросхему ZXCT1009F.
Продолжение следует
Чертежи печатных плат в формате Sprint-Layout имеются здесь.
Автор: И. Нечаев, г. Москва