Построение автогенераторов с "хаотическим поведением" основывается на взаимодействии взаимосвязанных линейного и нелинейного осцилляторов.
Схема "хаотического" автогенератора обычно содержит три основных элемента:
Характер процессов в нелинейном контуре хаотического автогенератора определяется как частотой, так и амплитудой воздействия на него. Сложные сигналы на выходе нелинейного контура после прохождения по цепи обратной связи автогенератора становятся источником возмущения того же самого нелинейного контура. При многократной циркуляции сигнала, динамика такого автогенератора становится хаотической.
Схема кварцевого хаотического автогенератора, где в качестве линейных контуров используются кварцы, представлена на рис.1. Здесь линейный колебательный контур образован кварцами, а нелинейный - элементами L1-VD1. В зависимости от полярности и уровня ВЧ-напряжения, приложенного к варакторному диоду VD1, его емкость изменяется, следовательно, собственная (резонансная) частота контура L1-VD1 также изменяется.

Рис.1. Принципиальная схема кварцевого хаотического автогенератора
При определенных параметрах системы (номиналах радиодеталей) колебания в ней становятся хаотическими, а дискретный до этого момента спектр колебаний (рис.2) - непрерывным (рис.3).

Рис.2. Дискретный спектр колебаний

Рис.3. Непрерывный спектр колебаний
Для построения хаотического автогенератора использовалась известная классическая схема емкостной "трехточки". Транзистор VT2 образует буферный каскад, который необходим для развязки автогенератора на VT1 и его нагрузки (например, измерительных приборов с 50-омными входами).
В схеме на рис.1 используются два кварца. Это вызвано следующим. Как показали предварительные эксперименты, хаотические колебания реализуются при наличии контура L1-VD1 и всего одного кварца, однако такой режим работы автогенератора оказывается крайне неустойчивым.
При выключении питания и его последующем включении автогенератор перестает работать в хаотическом режиме и становится "обычным" кварцевым генератором. Возврат в хаотический режим возможен в этом случае кратковременным подключением второго кварца к уже работающему в автогенераторе.
При параллельном включении нескольких кварцев и отсутствии нелинейного контура L1-VD1, в схеме происходят сложные (многочастотные), но детерминированные колебания. Подключив к выходу автогенератора спектроанализатор, можно увидеть в этом случае лишь некоторое число пиков различной высоты (рис.2). При наличии двух кварцев с разными частотами, колебания одного кварца модулируют колебания другого из-за нелинейности усилителя на VT1. В итоге получается АМ-сигнал и ряд гармоник. Чем сложнее форма колебаний, воздействующих на линейный контур L1-VD1, тем более вероятен хаотический режим. Следует учесть, что тип корпуса и исполнение кварцев должно быть идентично, а различаться они должны только частотой - это одно из условий того, что автогенератор будет генерировать сразу на частотах установленных в него кварцев.
Частоты кварцев должны отличаться примерно в 1,3...1,5 раза. При этом необходимо использовать кварцы с отношением частот, близким к иррациональному числу. Другими словами, желательно использовать кварцы с несоизмеримыми частотами.
Для получения хаотических колебаний при необходимости следует подобрать индуктивность L1 (в качестве L1 автор использовал дроссель промышленного изготовления каплеобразной формы с двумя выводами). Если хаотические колебания все же не получаются, следует попробовать подобрать конденсаторы С2 и СЗ, либо изменить режим транзистора VT1 по постоянному току с помощью R1.
Установив рядом с исследуемым автогенератором многодиапазонный приемник с АМ-диапазонами и подключив к выходу генератора отрезок провода длиной 10...20 см, который служит в данном случае антенной, прослушиваем работу генератора, чтобы определить - перешел ли он в хаотический режим работы или нет. Наличие сильного шума в широкой полосе частот со "вставками" весьма мощных несущих свидетельствует о том, что реализован именно хаотический режим работы.
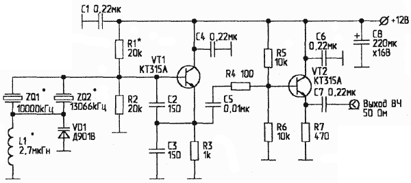
Вместо приемника можно использовать специальный прибор, позволяющий контролировать даже момент перехода от детерминированных к хаотическим колебаниям. Схема такого прибора - индикатора хаотических колебаний (рис.4) - представляет собой детекторный приемник АМ-сигналов с 50-омным входом по ВЧ и высокочувствительным УЗЧ, нагруженным на головные телефоны.

Рис.4. Схема прибора-индикатора хаотических колебаний
Индикатор налаживают, подбирая номинал резистора R5 до получения напряжения +4...8 В на коллекторе VT2. Вход индикатора подключается к выходу генератора. При наличии хаотических колебаний в исследуемом автогенераторе, в головных телефонах слышен очень громкий шум, напоминающий "суперный шум" сверхгенеративного приемника.
Как показали эксперименты, в полосе частот 1 ...25 МГц мощность шумов кварцевого хаотического автогенератора в 104...106 раз больше мощности шумов классической схемы генератора шума на стабилитроне! Это позволяет использовать кварцевый хаотический автогенератор как сверхмощный генератор шума при проведении различных измерений.
Источники
Автор: В.АРТЕМЕНКО, UT5UDJ, г.Киев