В статье описание устройства, которое при последовательном включении с нагрузкой обеспечивают периодическое прерывание тока через нее .
DD1.6 остается низкий уровень, при этом транзистор VT1 закрыт, а нагрузка обесточена.
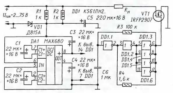
Времязадающая цепь генератора состоит из элементов R3, R4. Сб. При указанных на схеме номиналах частота управляющих импульсов равна примерно 100 Гц при скважности около 1 4. Подбирая эти элементы, можно изменять частоту генерации от 0,005 Гц до десятков килогерц.

Рис. 1
Коммутирующий элемент - полевой транзистор IRFP2907 (VT1) в корпусе ТО-247АС способен работать при напряжении сток-исток 75 В и токе стока до 209 А. Рассеиваемая корпусом мощность достигает 470 Вт (с теп-лоотводом, разумеется). Транзистор обладает чрезвычайно низким сопротивлением открытого канала - всего 0,0045 Ом, что обеспечивает малое падение напряжения на канале. Теплоотвод также необходим при высокой частоте переключения (максимальная температура кристалла - 175 °С).

Рис. 2
Главная же особенность рассматриваемого прерывателя - его универсальность по питающему напряжению, допускающая применение в самых разных конструкциях без каких-либо переделок, например, для регулирования температуры паяльника питанием его импульсным током (при этом можно заменить транзистор VT1 более слаботочным), для управления самодельной декоративной подсветкой новогодних елок, работой'ламп указателя поворотов автомобиля, управления двигателями постоянного тока в прерывистом режиме и т. д

Рис. 3
Устройство собрано проволочным монтажом на технологической плате размерами 40x35 мм (рис. 3). Резисторы R1 и R2 - С5-5. Остальные резисторы и конденсаторы - любые.
Максимальное напряжение питания прерывателя ограничено на уровне 75 В - максимальным напряжением сток-исток транзистора IRFP2907 Однако при испытании устройство успешно работало при напряжении до 100 В Для надежной работы при напряжении питания, большем 75 В транзистор IRFP2907 можно заменить на IRFP150N. IRFP260N IRFP3710 Это n-канальные полевые транзисторы в корпусе ТО-247 с большим допустимым напряжением сток-исток, но меньшим током стока.
В устройстве использован преобразователь напряжения МАХ680 в корпусе DIP8, требующий для работы четыре конденсатора обвязки, но можно применить МАХ681 в корпусе DIP14. которому вообще не нужны внешние элементы. Микросхемы DD1 и DA1 на плате установлены в панели.
Следует отметить, что при напряжении питания прерывателя более 50 В на резисторах R1 и R2 выделяется чрезмерно большая мощность и чтобы предотвратить перегревание, их следует принудительно охлаждать вентилятором. Стабилитрон VD1 придется установить на теплоотвод.
Описанный прерыватель тока успешно работает уже два года при испытаниях электронных блоков на безотказность.
Автор: М. Калинцев, г. Клин Московской обл.