на главную
Карта сайта
English version
Вы читаете:

Даташит (datasheet) на микросхему, транзисторы, диоды

Даташиты (Datasheets)

Даташиты (Datasheets 015Z2.4) электронных компонентов

Даташит поиск по электронным компонентам в формате pdf на русском языке. Бесплатная база содержит более 1 000 000 файлов доступных для скачивания. Воспользуйтесь приведенной ниже формой или ссылками для быстрого поиска (datasheet) по алфавиту.Если вы не нашли нужного Вам элемента, обратитесь к администрации проекта .
Более 1 000 000 datasheetsнапример: LM317

015Z2.4-DIODE (CONSTANT VOLTAGE REGULATION APPLICATIONS)

Наименование:015Z2.4
Производитель:Toshiba Semiconductor
Скачать даташит (datasheet):
Описание:DIODE (CONSTANT VOLTAGE REGULATION APPLICATIONS)
Подробное описание:

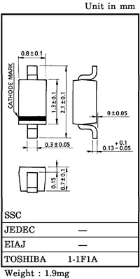
TOSHIBA DIODE SILICON EPITAXIAL PLANAR TYPE

015Z2.0-015Z12

CONSTANT VOLTAGE REGULATION APPLICATIONS    
• Small Package

• Nominal voltage tolerance about +2.5%    

(2.0V-12V)

MAXIMUM RATINGS (Та = 25°C)

CHARACTERISTIC

SYMBOL

RATING

UNIT

Power Dissipation

p*

200

mW

Junction Temperature

Tj

125

°C

Storage Temperature Range

Tstg

-55-125

°C

* Mounted on a glass epoxy circuit board of 20 X 20mm, Pad dimension of 4X4mm.

Toshiba 015Z2.0-015Z12
Другие, ссылающиеся на этот файл: 015Z2.4