на главную
Карта сайта
English version
Вы читаете:

Даташит (datasheet) на микросхему, транзисторы, диоды

Даташиты (Datasheets)

Даташиты (Datasheets 02CZ2.2) электронных компонентов

Даташит поиск по электронным компонентам в формате pdf на русском языке. Бесплатная база содержит более 1 000 000 файлов доступных для скачивания. Воспользуйтесь приведенной ниже формой или ссылками для быстрого поиска (datasheet) по алфавиту.Если вы не нашли нужного Вам элемента, обратитесь к администрации проекта .
Более 1 000 000 datasheetsнапример: LM317

02CZ2.2-DIODE (CONSTANT VOLTAGE REGULATION APPLICATIONS. REFERENCE VOLTAGE APPLICATIONS.)

Наименование:02CZ2.2
Производитель:Toshiba Semiconductor
Скачать даташит (datasheet):
Описание:DIODE (CONSTANT VOLTAGE REGULATION APPLICATIONS. REFERENCE VOLTAGE APPLICATIONS.)
Подробное описание:

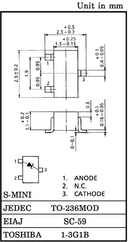
TOSHIBA ZENZER DIODE SILICON EPITAXIAL PLANAR TYPE

02CZ2.0-02CZ47
CONSTANT VOLTAGE REGULATION APPLICATIONS. REFERENCE VOLTAGE APPLICATIONS.

• Small Package : SC-59

• Nominal Voltage Tolerance About ±2.5% (4.3V~24V)

Toshiba zenzer diode 02CZ2.0-02CZ47

MAXIMUM RATINGS (Ta = 25°C)

CHARACTERISTIC

SYMBOL

RATING

UNIT

Power Dissipation

P

200

mW

Junction Temperature

Tj

150

°C

Storage Temperature Range

Tstg

-55~150

°C

Другие, ссылающиеся на этот файл: 02CZ2.2