Даташиты (Datasheets)
Даташиты (Datasheets AD6620PCB) электронных компонентов
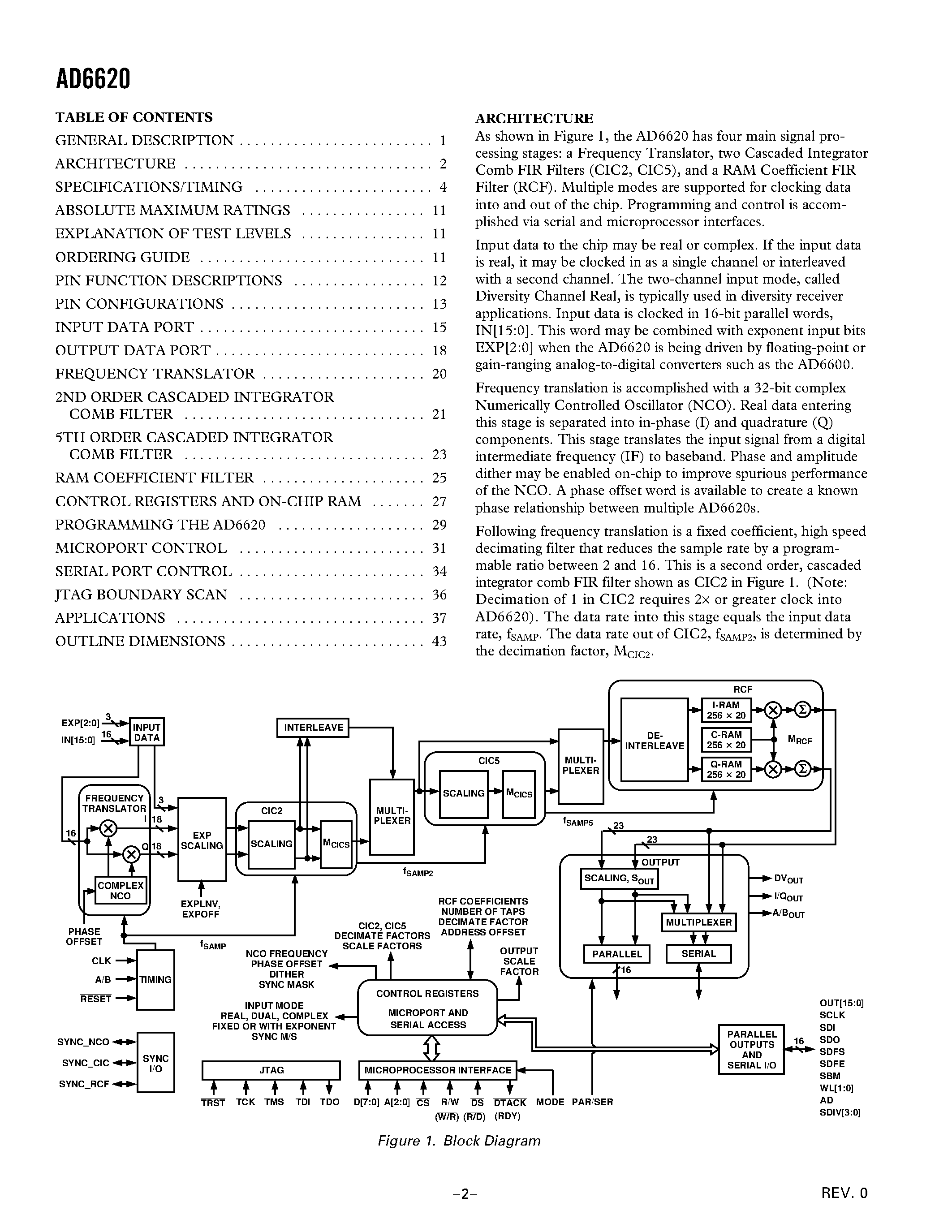
Даташит поиск по электронным компонентам в формате pdf на русском языке. Бесплатная база содержит более 1 000 000 файлов доступных для скачивания. Воспользуйтесь приведенной ниже формой или ссылками для быстрого поиска (datasheet) по алфавиту.Если вы не нашли нужного Вам элемента, обратитесь к администрации проекта .
Более 1 000 000 datasheetsнапример: LM317
AD6620PCB-65 MSPS Digital Receive Signal Processor


