на главную
Карта сайта
English version
Вы читаете:

Даташит (datasheet) на микросхему, транзисторы, диоды

Даташиты (Datasheets)

Даташиты (Datasheets CD4528BCN) электронных компонентов

Даташит поиск по электронным компонентам в формате pdf на русском языке. Бесплатная база содержит более 1 000 000 файлов доступных для скачивания. Воспользуйтесь приведенной ниже формой или ссылками для быстрого поиска (datasheet) по алфавиту.Если вы не нашли нужного Вам элемента, обратитесь к администрации проекта .
Более 1 000 000 datasheetsнапример: LM317

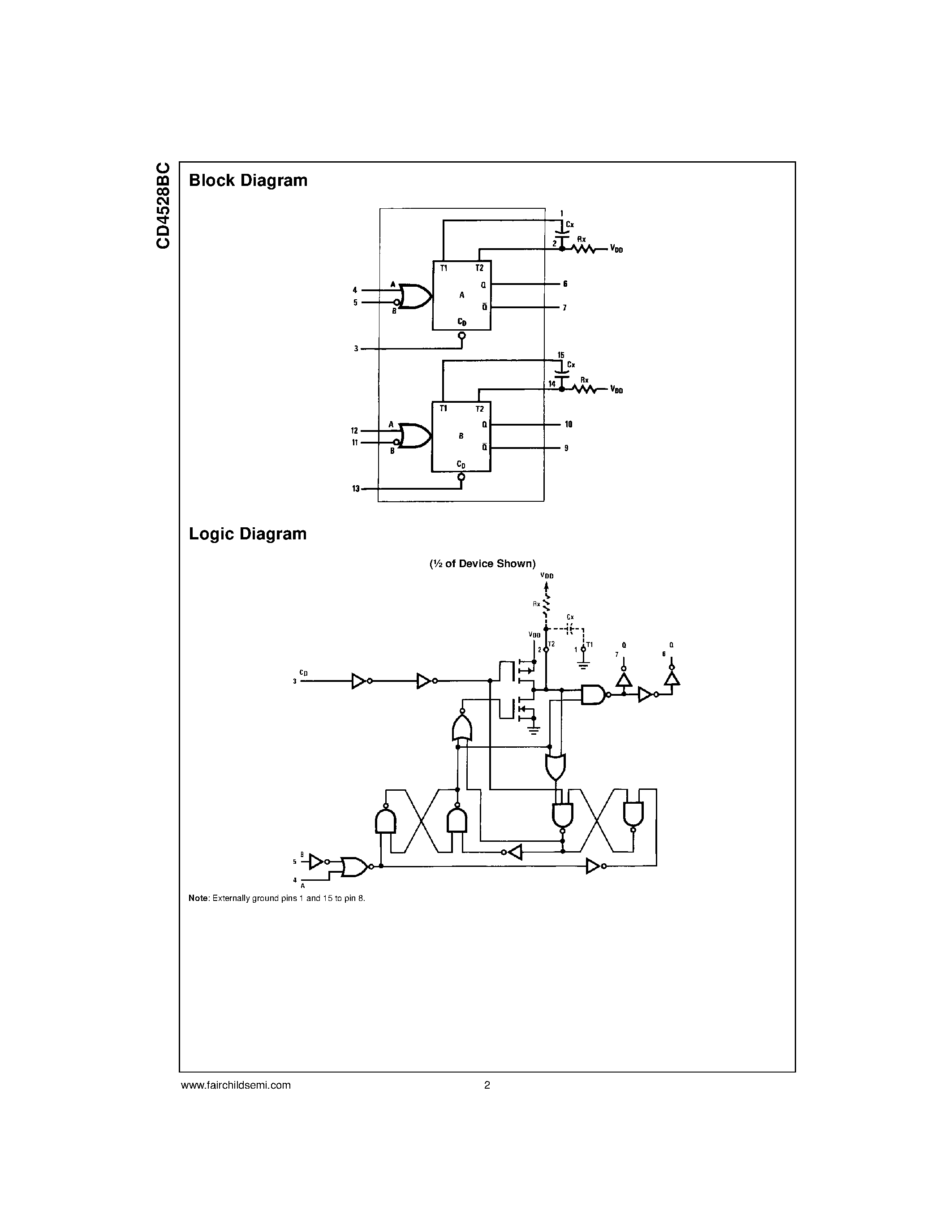
CD4528BCN-Dual Monostable Multivibrator

Наименование:CD4528BCN
Производитель:Fairchild Semiconductor
Скачать даташит (datasheet):
Описание:Dual Monostable Multivibrator
Другие, ссылающиеся на этот файл: CD4528BCN
Даташит CD4528BCN - Dual Monostable Multivibrator страница 1
Даташит CD4528BCN - Dual Monostable Multivibrator страница 2