Даташиты (Datasheets)
Даташиты (Datasheets CY7C1361C) электронных компонентов
Даташит поиск по электронным компонентам в формате pdf на русском языке. Бесплатная база содержит более 1 000 000 файлов доступных для скачивания. Воспользуйтесь приведенной ниже формой или ссылками для быстрого поиска (datasheet) по алфавиту.Если вы не нашли нужного Вам элемента, обратитесь к администрации проекта .
Более 1 000 000 datasheetsнапример: LM317
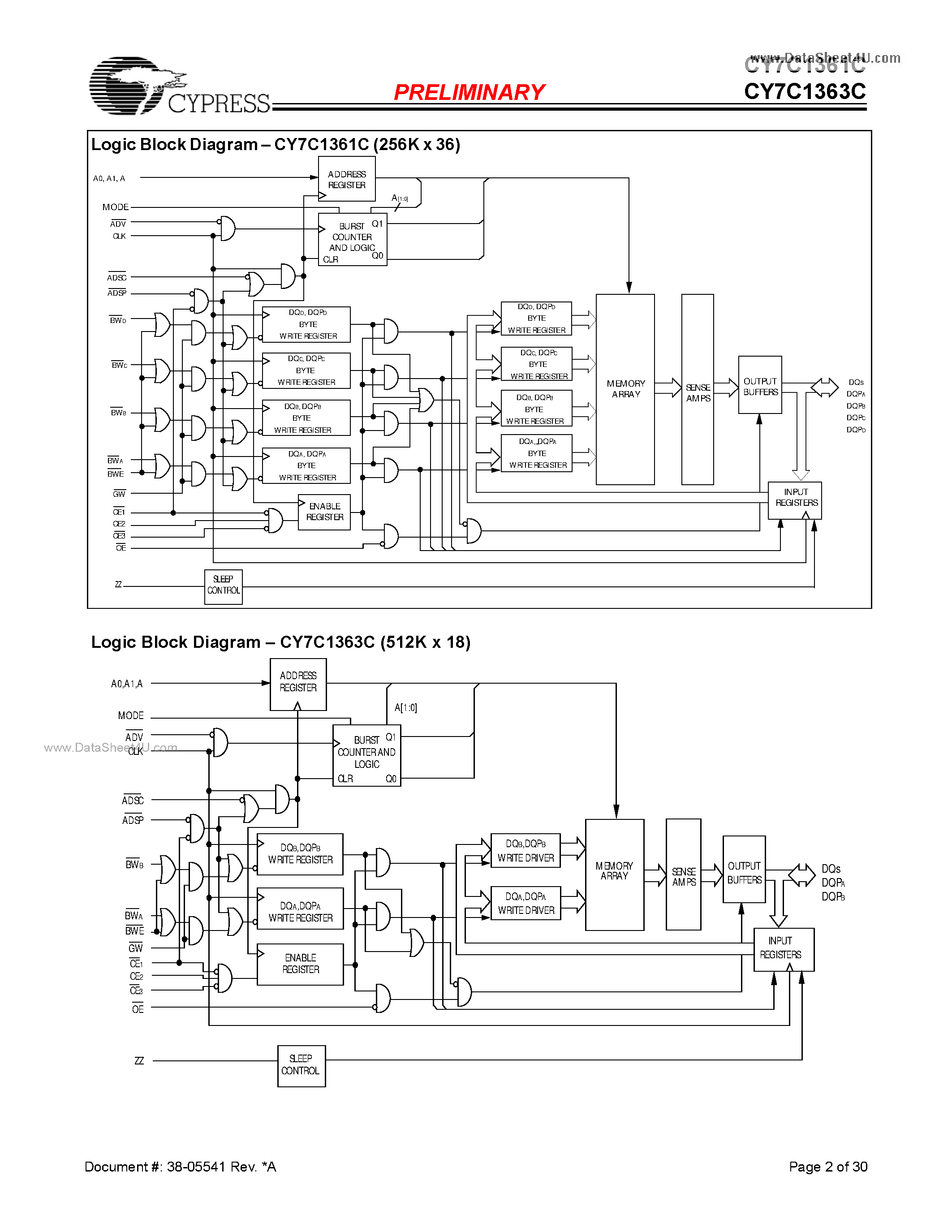
CY7C1361C-(CY7C1361C / CY7C1363C) 9-Mbit (256K x 36/512K x 18) Flow-Through SRAM


