на главную
Карта сайта
English version
Вы читаете:

Даташит (datasheet) на микросхему, транзисторы, диоды

Даташиты (Datasheets)

Даташиты (Datasheets DG411) электронных компонентов

Даташит поиск по электронным компонентам в формате pdf на русском языке. Бесплатная база содержит более 1 000 000 файлов доступных для скачивания. Воспользуйтесь приведенной ниже формой или ссылками для быстрого поиска (datasheet) по алфавиту.Если вы не нашли нужного Вам элемента, обратитесь к администрации проекта .
Более 1 000 000 datasheetsнапример: LM317

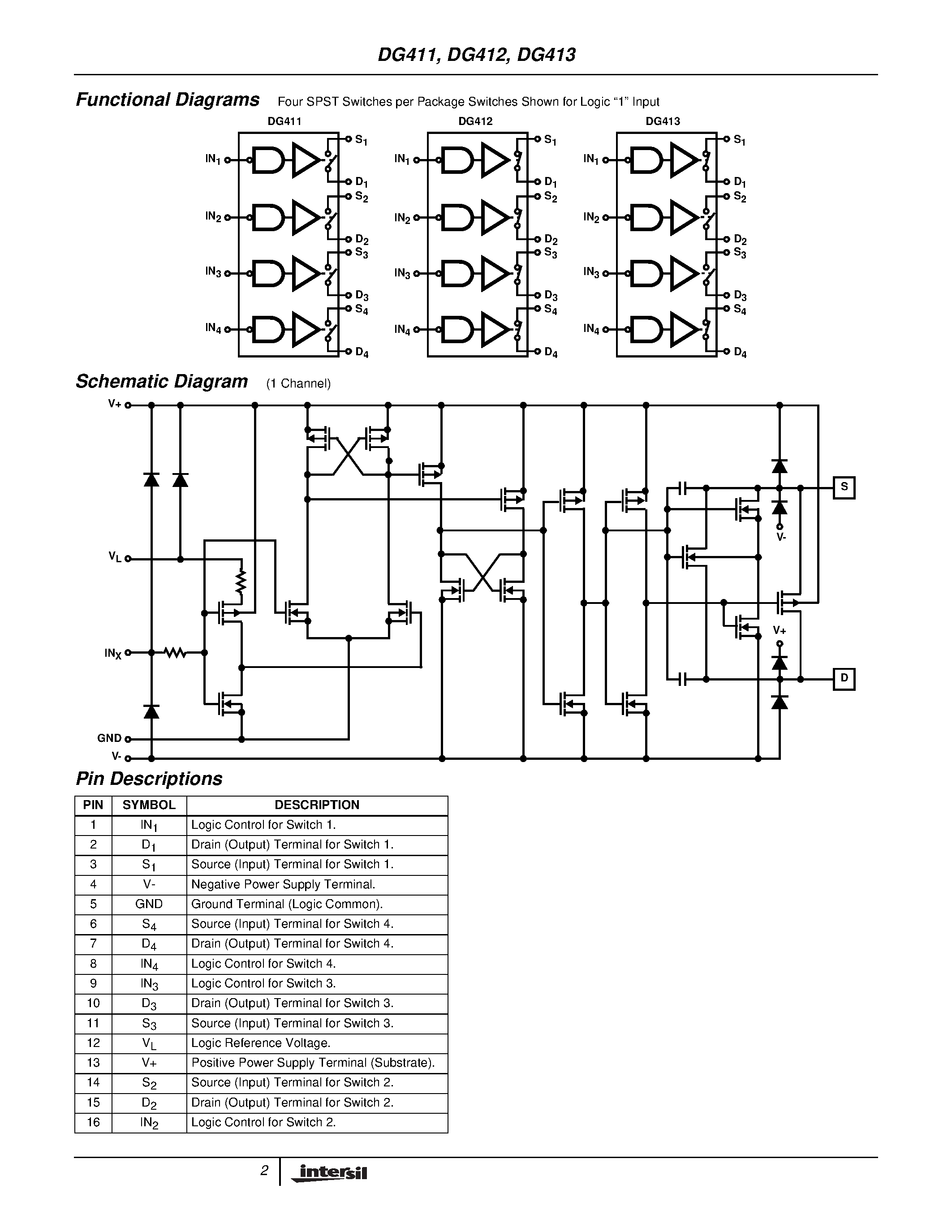
DG411-Monolithic Quad SPST / CMOS Analog Switches

Наименование:DG411
Производитель:Intersil
Скачать даташит (datasheet):
Описание:Monolithic Quad SPST / CMOS Analog Switches
Другие, ссылающиеся на этот файл: DG411
Даташит DG411 - Monolithic Quad SPST / CMOS Analog Switches страница 1
Даташит DG411 - Monolithic Quad SPST / CMOS Analog Switches страница 2