на главную
Карта сайта
English version
Вы читаете:

Даташит (datasheet) на микросхему, транзисторы, диоды

Даташиты (Datasheets)

Даташиты (Datasheets DM74LS161AM) электронных компонентов

Даташит поиск по электронным компонентам в формате pdf на русском языке. Бесплатная база содержит более 1 000 000 файлов доступных для скачивания. Воспользуйтесь приведенной ниже формой или ссылками для быстрого поиска (datasheet) по алфавиту.Если вы не нашли нужного Вам элемента, обратитесь к администрации проекта .
Более 1 000 000 datasheetsнапример: LM317

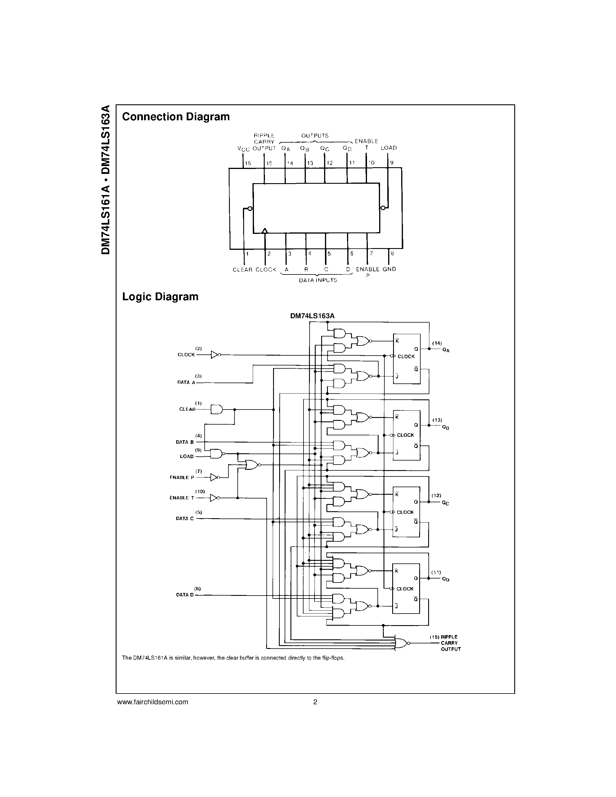
DM74LS161AM-Synchronous 4-Bit Binary Counters

Наименование:DM74LS161AM
Производитель:Fairchild Semiconductor
Скачать даташит (datasheet):
Описание:Synchronous 4-Bit Binary Counters
Другие, ссылающиеся на этот файл: DM74LS161AM
Даташит DM74LS161AM - Synchronous 4-Bit Binary Counters страница 1
Даташит DM74LS161AM - Synchronous 4-Bit Binary Counters страница 2