Даташиты (Datasheets)
Даташиты (Datasheets IS61SF6432-10TQI) электронных компонентов
Даташит поиск по электронным компонентам в формате pdf на русском языке. Бесплатная база содержит более 1 000 000 файлов доступных для скачивания. Воспользуйтесь приведенной ниже формой или ссылками для быстрого поиска (datasheet) по алфавиту.Если вы не нашли нужного Вам элемента, обратитесь к администрации проекта .
Более 1 000 000 datasheetsнапример: LM317
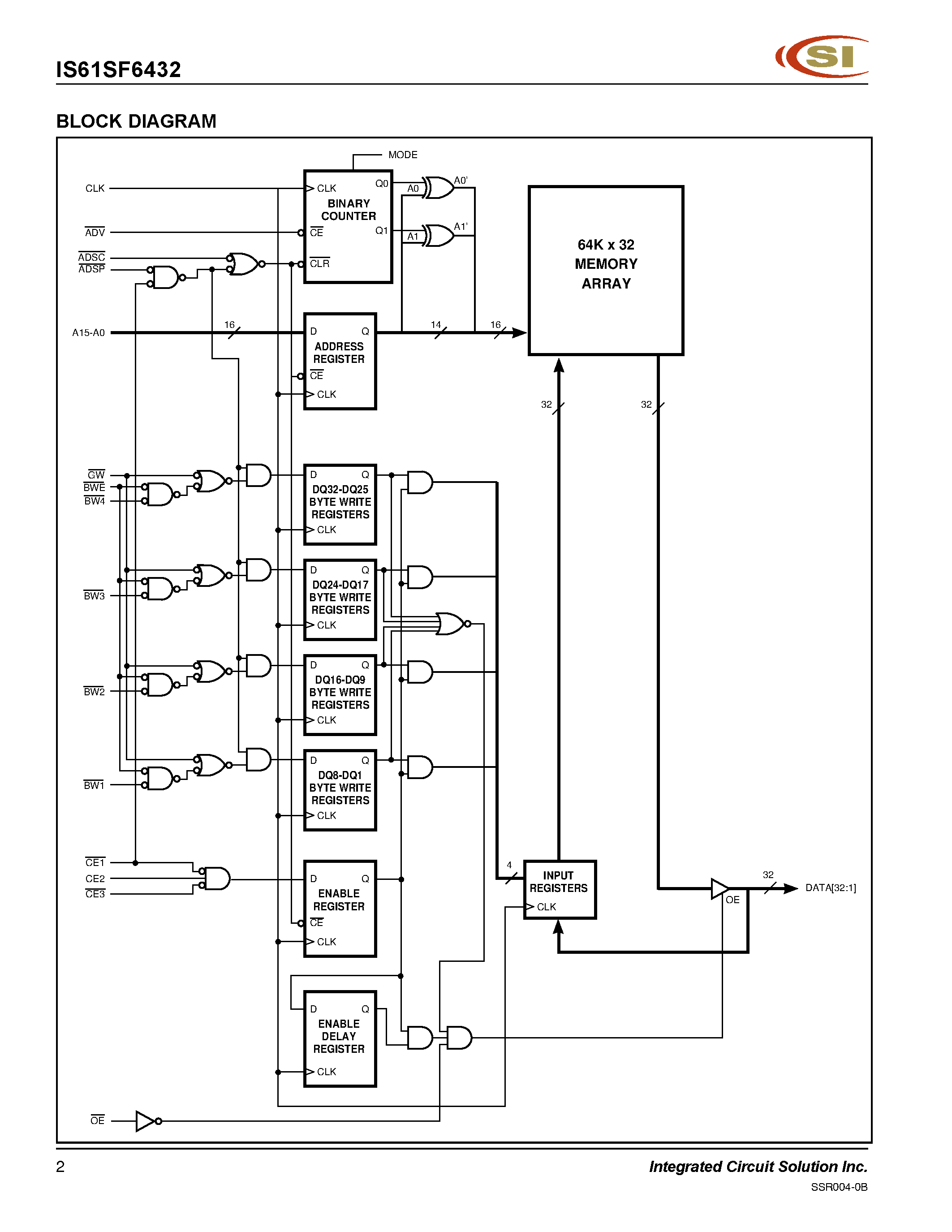
IS61SF6432-10TQI-64K x 32 SYNCHRONOUS FLOW-THROUGH STATIC RAM


