Даташиты (Datasheets)
Даташиты (Datasheets ISL28290) электронных компонентов
Даташит поиск по электронным компонентам в формате pdf на русском языке. Бесплатная база содержит более 1 000 000 файлов доступных для скачивания. Воспользуйтесь приведенной ниже формой или ссылками для быстрого поиска (datasheet) по алфавиту.Если вы не нашли нужного Вам элемента, обратитесь к администрации проекта .
Более 1 000 000 datasheetsнапример: LM317
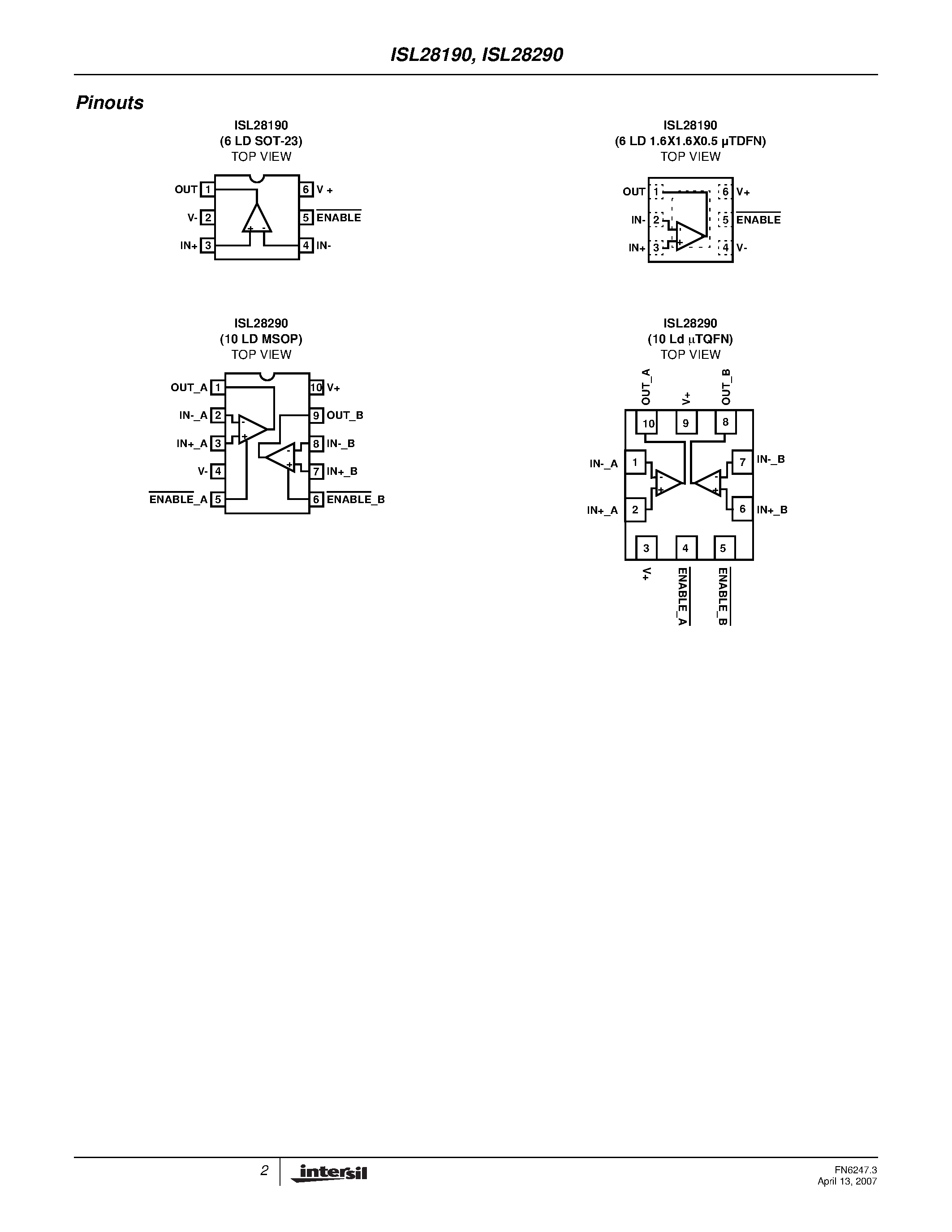
ISL28290-(ISL28190 / ISL28290) Single and Dual Ultra-Low Noise Ultra-Low Distortion Rail-to-Rail Op Amp


