Даташиты (Datasheets)
Даташиты (Datasheets JANKCA2N2484) электронных компонентов
Даташит поиск по электронным компонентам в формате pdf на русском языке. Бесплатная база содержит более 1 000 000 файлов доступных для скачивания. Воспользуйтесь приведенной ниже формой или ссылками для быстрого поиска (datasheet) по алфавиту.Если вы не нашли нужного Вам элемента, обратитесь к администрации проекта .
Более 1 000 000 datasheetsнапример: LM317
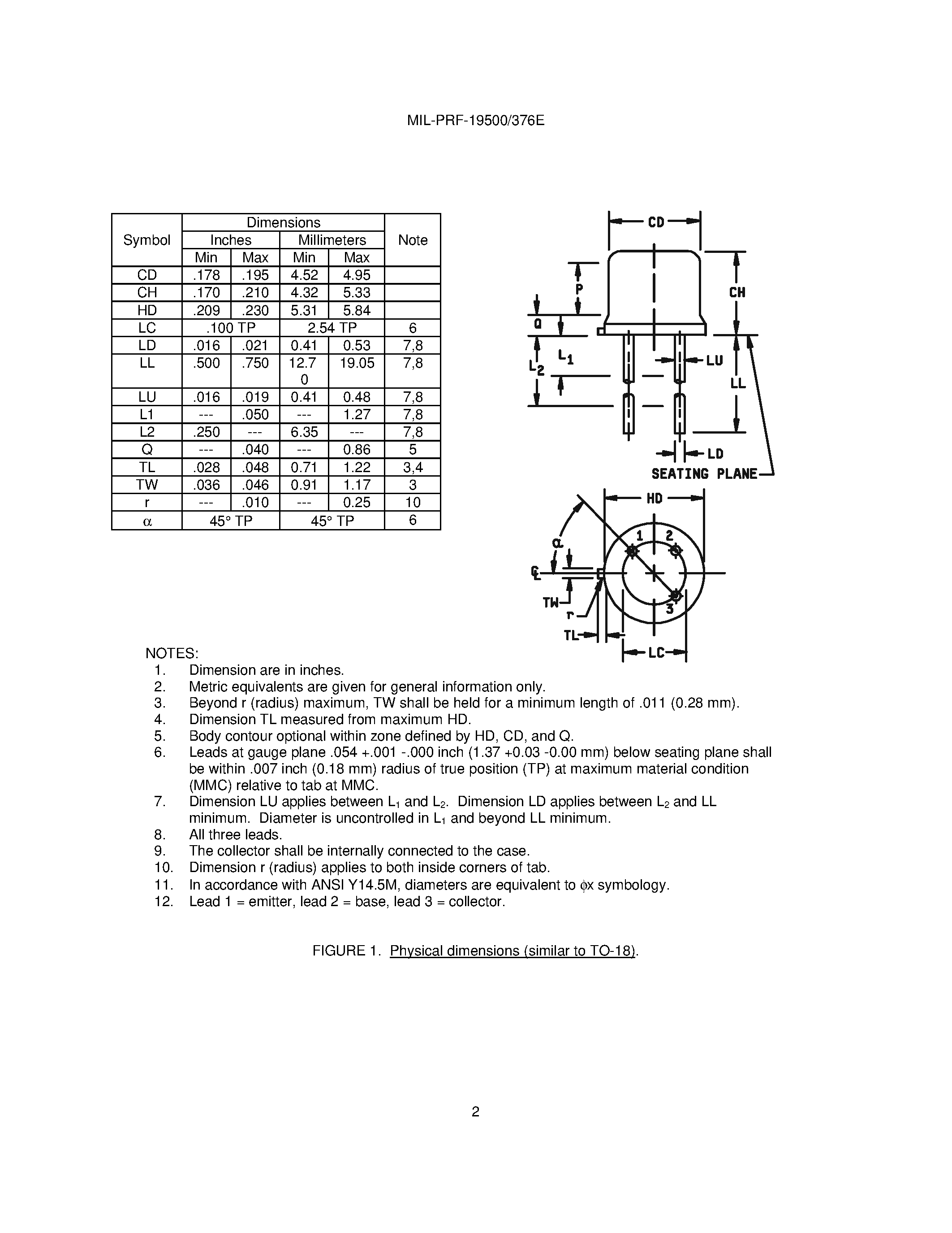
JANKCA2N2484-SEMICONDUCTOR DEVICE/ TRANSISTOR/ NPN/ SILICON/ LOW-POWER TYPES 2N2484/ 2N2484UA/ 2N2484UB/ JAN/ JANTX/ JANTXV/ JANS/ JANHC/ AND JANKC


