на главную
Карта сайта
English version
Вы читаете:

Даташит (datasheet) на микросхему, транзисторы, диоды

Даташиты (Datasheets)

Даташиты (Datasheets KIC3210T-018) электронных компонентов

Даташит поиск по электронным компонентам в формате pdf на русском языке. Бесплатная база содержит более 1 000 000 файлов доступных для скачивания. Воспользуйтесь приведенной ниже формой или ссылками для быстрого поиска (datasheet) по алфавиту.Если вы не нашли нужного Вам элемента, обратитесь к администрации проекта .
Более 1 000 000 datasheetsнапример: LM317

KIC3210T-018-

Наименование:KIC3210T-018
Производитель:KEC
Скачать даташит (datasheet):
Описание:
Подробное описание:

SEMICONDUCTOR

TECHNICAL DATA

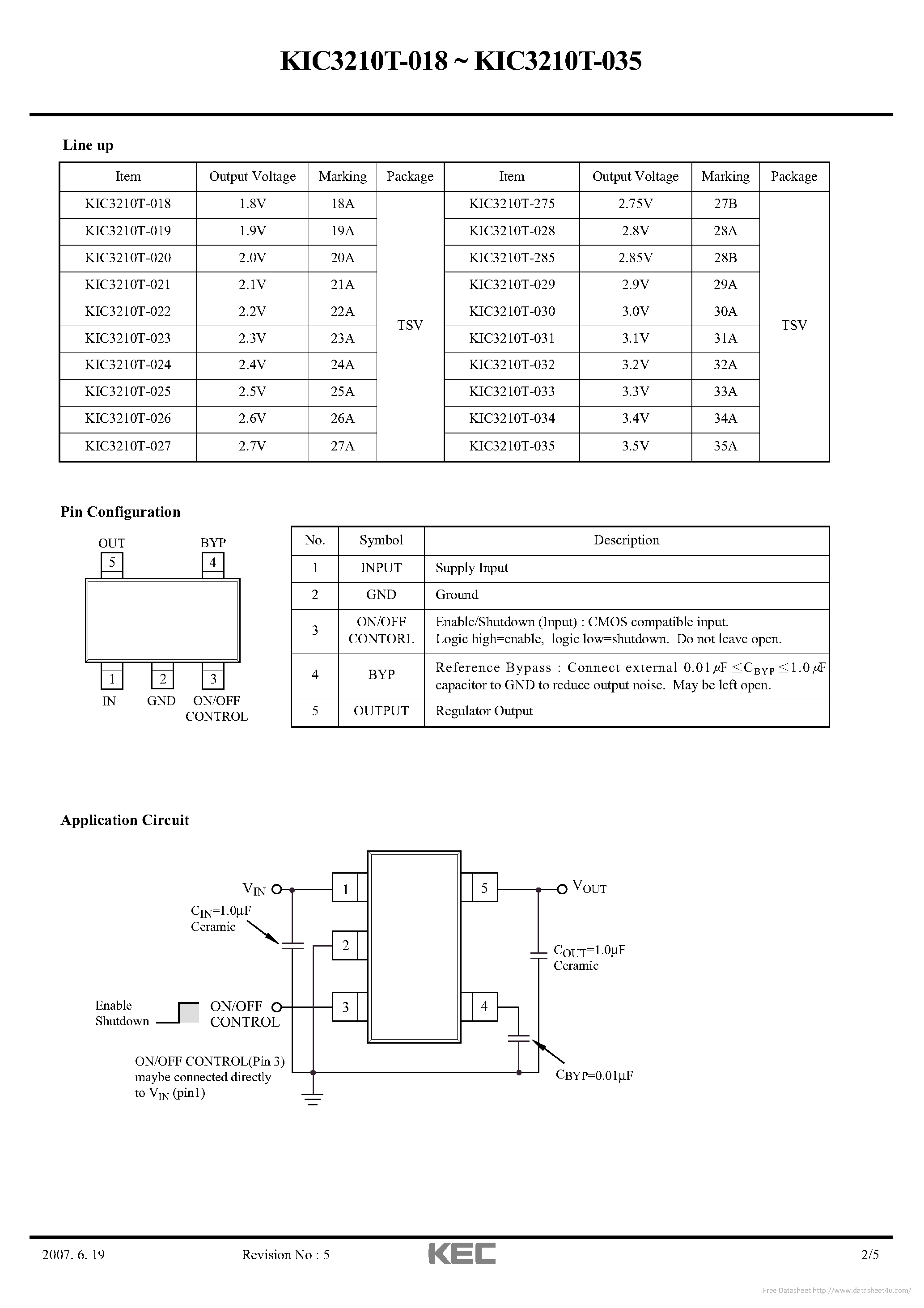
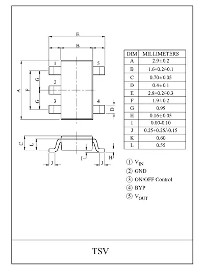
KIC3210T-018 ~ KIC3210T-035


150mA CMOS High Performance LDO Regulator

The KIC3210T series Low Dropout Linear Regulator is ideally suited for portable applications. It offers 1% initial accuracy, extremely-low dropout voltage(135mV at 150mA) and low ground current (typically 90uA). Designed specifically for handheld and battery-powered devices, the KIC3210T provides a TTL-logic-compatible ON/OFF control pin. When disabled, power consumption drops nearly to zero. The KIC3210T also works with low-ESR ceramic capacitors, reducing the amount of board space necessary for power applications, critical in handheld wireless devices.

Features

• Input voltage range : 2.7V to 6.0V

• Stability with ceramic output capacitors

• Ultra-low dropout : 135mV @ 150mA

• High output accuracy : 1.0% accuracy

• Low quiescent current: 90mA

• TTL-Logic-compatible ON/OFF control input

• “Zero” off-mode current

• Thermal shutdown and current limit protection

Applications

• Cellular phones,Smart Phones, PDA

• Battery-powered equipment

• Laptop, notebook and palmtop computers

• Consumer/personal electronics

KIC3210T-018 ~ KIC3210T-035

KIC3210T-018 ~ KIC3210T-035

Другие, ссылающиеся на этот файл: KIC3210T-018 | KIC3210T-019
KIC3210T-020 | KIC3210T-021
KIC3210T-022 | KIC3210T-023
KIC3210T-024 | KIC3210T-025
KIC3210T-026 | KIC3210T-027
KIC3210T-028 | KIC3210T-029
KIC3210T-030 | KIC3210T-031
KIC3210T-032 | KIC3210T-033
KIC3210T-034 | KIC3210T-035
KIC3210T-275 | KIC3210T-285
Даташит KIC3210T-018 - страница 1
Даташит KIC3210T-018 - страница 2