на главную
Карта сайта
English version
Вы читаете:

Даташит (datasheet) на микросхему, транзисторы, диоды

Даташиты (Datasheets)

Даташиты (Datasheets M089) электронных компонентов

Даташит поиск по электронным компонентам в формате pdf на русском языке. Бесплатная база содержит более 1 000 000 файлов доступных для скачивания. Воспользуйтесь приведенной ниже формой или ссылками для быстрого поиска (datasheet) по алфавиту.Если вы не нашли нужного Вам элемента, обратитесь к администрации проекта .
Более 1 000 000 datasheetsнапример: LM317

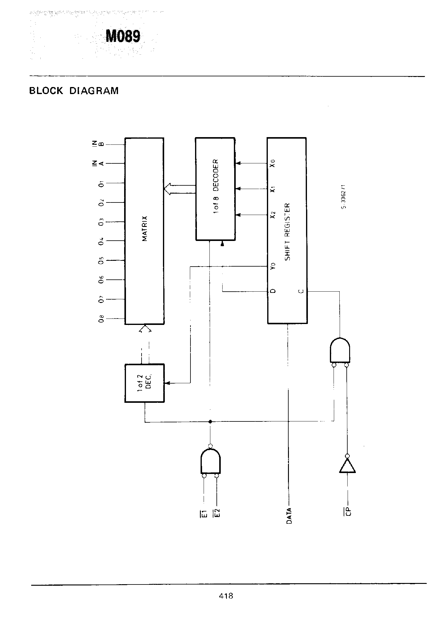
M089-2 x 8 Crosspoint Matrix

Наименование:M089
Производитель:SGS-Ates
Скачать даташит (datasheet):
Описание:2 x 8 Crosspoint Matrix
Другие, ссылающиеся на этот файл: M089
Даташит M089 - 2 x 8 Crosspoint Matrix страница 1
Даташит M089 - 2 x 8 Crosspoint Matrix страница 2