Даташиты (Datasheets)
Даташиты (Datasheets M74HC697) электронных компонентов
Даташит поиск по электронным компонентам в формате pdf на русском языке. Бесплатная база содержит более 1 000 000 файлов доступных для скачивания. Воспользуйтесь приведенной ниже формой или ссылками для быстрого поиска (datasheet) по алфавиту.Если вы не нашли нужного Вам элемента, обратитесь к администрации проекта .
Более 1 000 000 datasheetsнапример: LM317
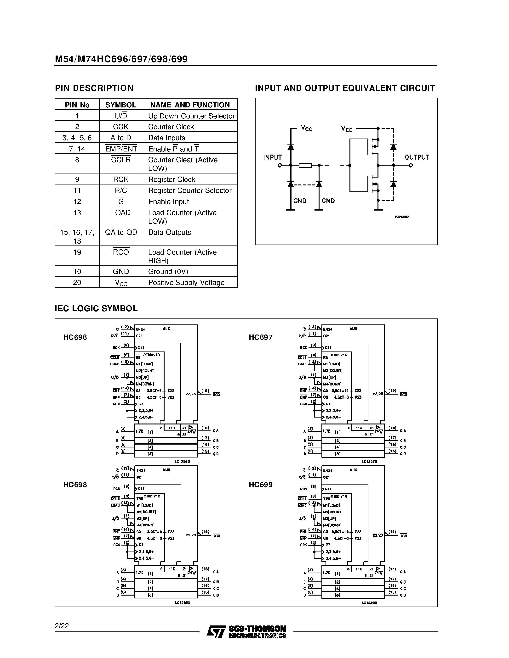
M74HC697-HC697/699 U/D 4 BIT BINARY COUNTER/REGISTER 3-STATE HC696/698 U/D DECADE COUNTER/REGISTER 3-STATE


