на главную
Карта сайта
English version
Вы читаете:

Даташит (datasheet) на микросхему, транзисторы, диоды

Даташиты (Datasheets)

Даташиты (Datasheets MC14503BD) электронных компонентов

Даташит поиск по электронным компонентам в формате pdf на русском языке. Бесплатная база содержит более 1 000 000 файлов доступных для скачивания. Воспользуйтесь приведенной ниже формой или ссылками для быстрого поиска (datasheet) по алфавиту.Если вы не нашли нужного Вам элемента, обратитесь к администрации проекта .
Более 1 000 000 datasheetsнапример: LM317

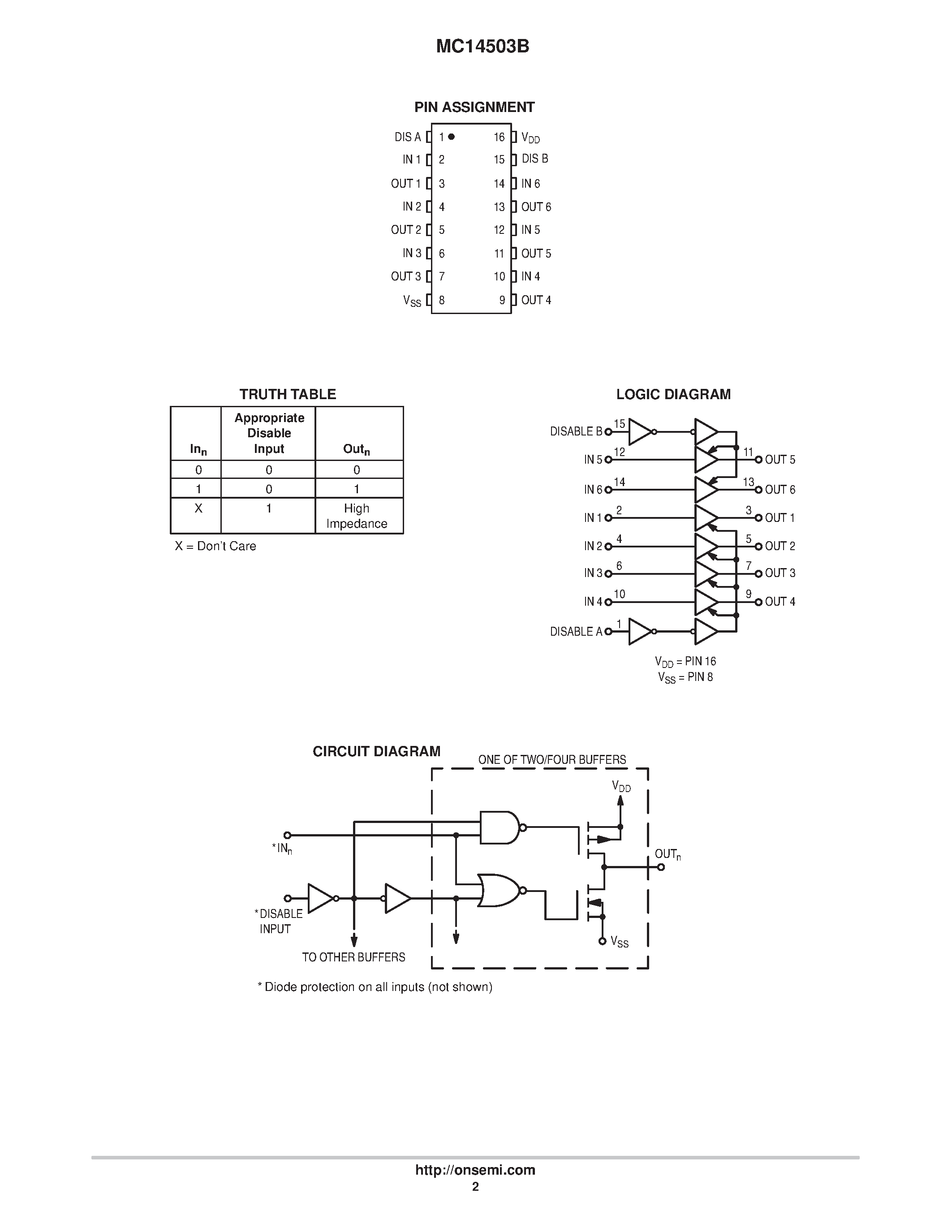
MC14503BD-Hex Non-Inverting 3-State Buffer

Наименование:MC14503BD
Производитель:ON Semiconductor
Скачать даташит (datasheet):
Описание:Hex Non-Inverting 3-State Buffer
Другие, ссылающиеся на этот файл: MC14503BD
Даташит MC14503BD - Hex Non-Inverting 3-State Buffer страница 1
Даташит MC14503BD - Hex Non-Inverting 3-State Buffer страница 2