на главную
Карта сайта
English version
Вы читаете:

Даташит (datasheet) на микросхему, транзисторы, диоды

Даташиты (Datasheets)

Даташиты (Datasheets MC14521B) электронных компонентов

Даташит поиск по электронным компонентам в формате pdf на русском языке. Бесплатная база содержит более 1 000 000 файлов доступных для скачивания. Воспользуйтесь приведенной ниже формой или ссылками для быстрого поиска (datasheet) по алфавиту.Если вы не нашли нужного Вам элемента, обратитесь к администрации проекта .
Более 1 000 000 datasheetsнапример: LM317

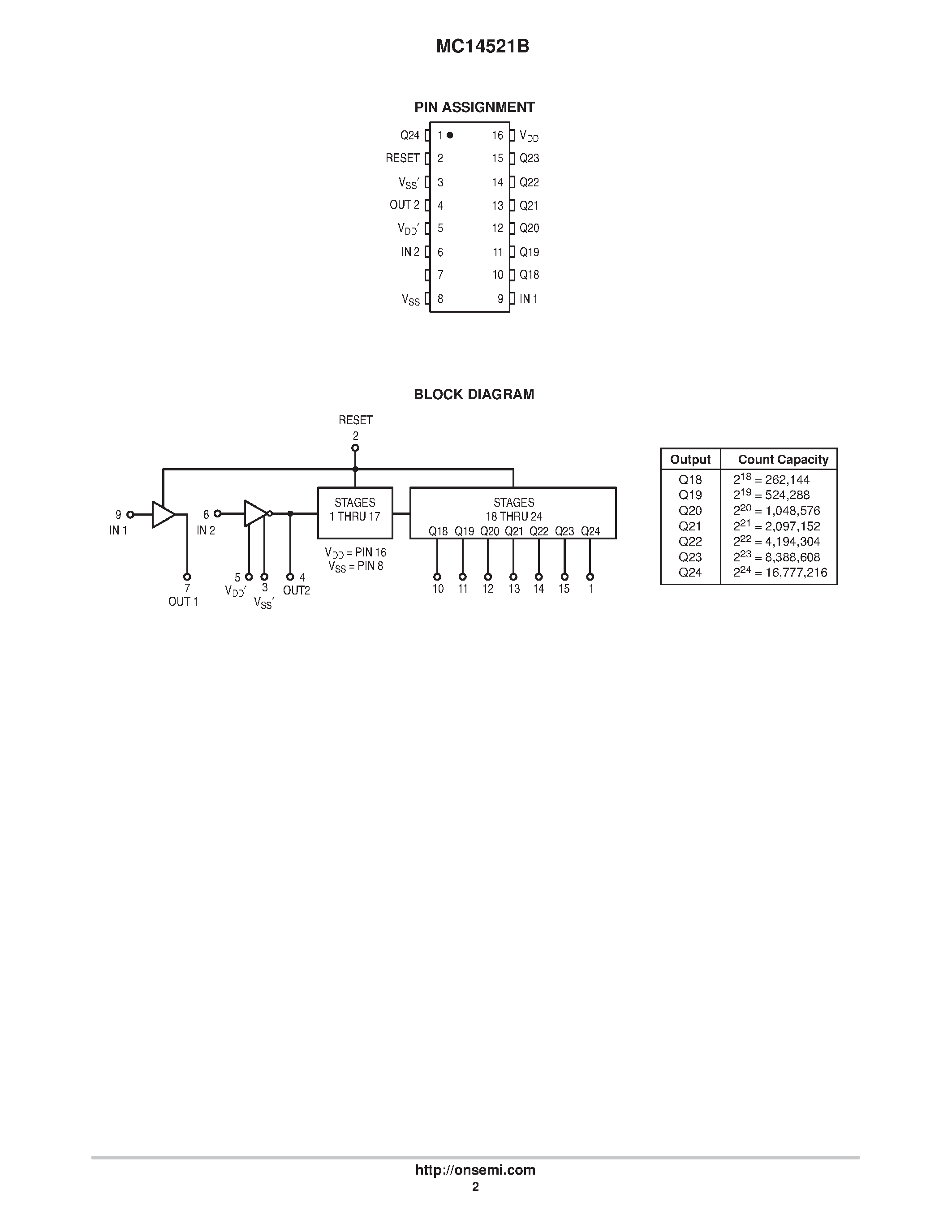
MC14521B-24-Stage Frequency Divider

Наименование:MC14521B
Производитель:ON Semiconductor
Скачать даташит (datasheet):
Описание:24-Stage Frequency Divider
Другие, ссылающиеся на этот файл: MC14521B
Даташит MC14521B - 24-Stage Frequency Divider страница 1
Даташит MC14521B - 24-Stage Frequency Divider страница 2