на главную
Карта сайта
English version
Вы читаете:

Даташит (datasheet) на микросхему, транзисторы, диоды

Даташиты (Datasheets)

Даташиты (Datasheets MC33351A) электронных компонентов

Даташит поиск по электронным компонентам в формате pdf на русском языке. Бесплатная база содержит более 1 000 000 файлов доступных для скачивания. Воспользуйтесь приведенной ниже формой или ссылками для быстрого поиска (datasheet) по алфавиту.Если вы не нашли нужного Вам элемента, обратитесь к администрации проекта .
Более 1 000 000 datasheetsнапример: LM317

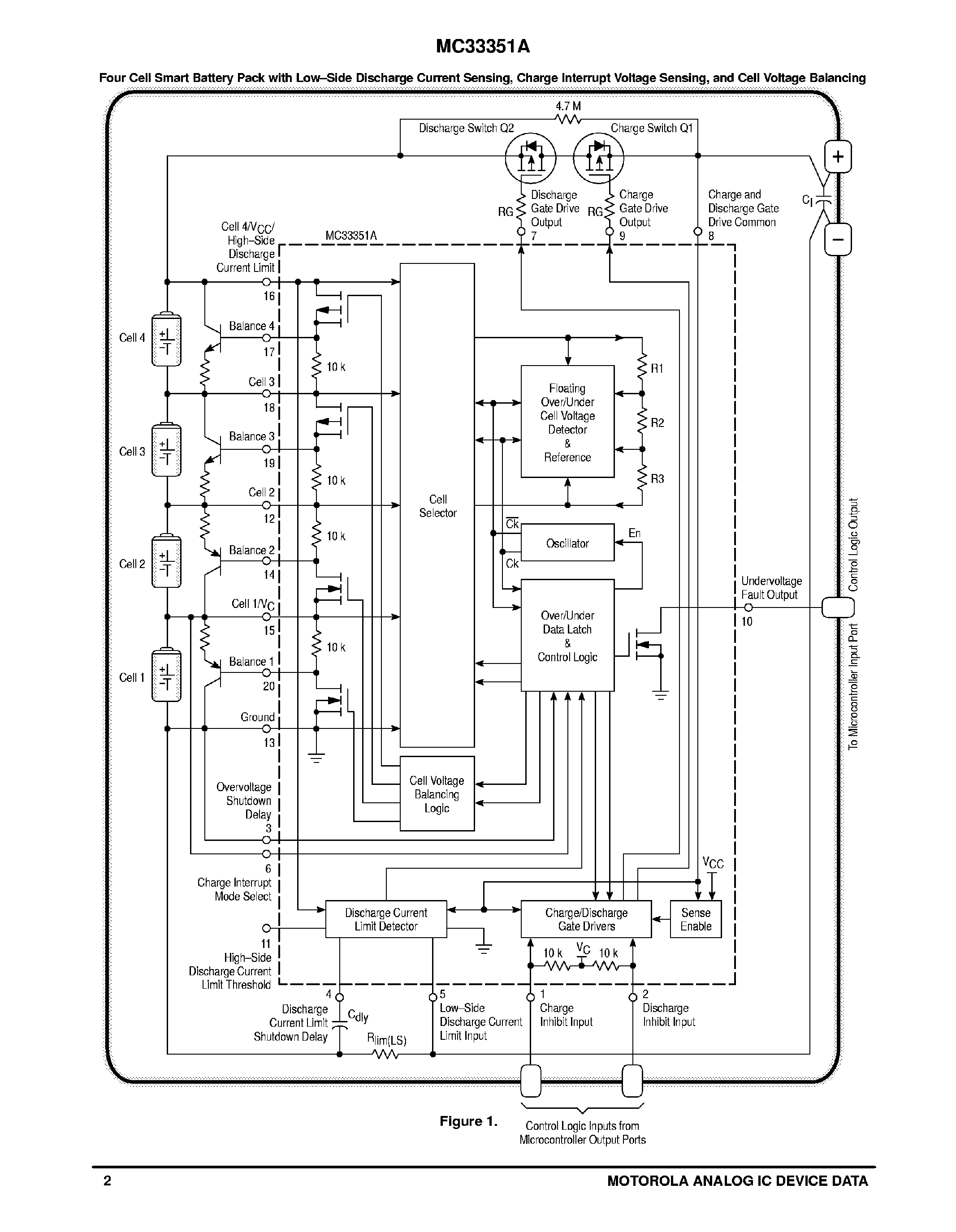
MC33351A-Lithium Battery Protection Circuit

Наименование:MC33351A
Производитель:Motorola Semiconductor
Скачать даташит (datasheet):
Описание:Lithium Battery Protection Circuit
Другие, ссылающиеся на этот файл: MC33351A
Даташит MC33351A - Lithium Battery Protection Circuit страница 1
Даташит MC33351A - Lithium Battery Protection Circuit страница 2