на главную
Карта сайта
English version
Вы читаете:

Даташит (datasheet) на микросхему, транзисторы, диоды

Даташиты (Datasheets)

Даташиты (Datasheets MC74LCX74) электронных компонентов

Даташит поиск по электронным компонентам в формате pdf на русском языке. Бесплатная база содержит более 1 000 000 файлов доступных для скачивания. Воспользуйтесь приведенной ниже формой или ссылками для быстрого поиска (datasheet) по алфавиту.Если вы не нашли нужного Вам элемента, обратитесь к администрации проекта .
Более 1 000 000 datasheetsнапример: LM317

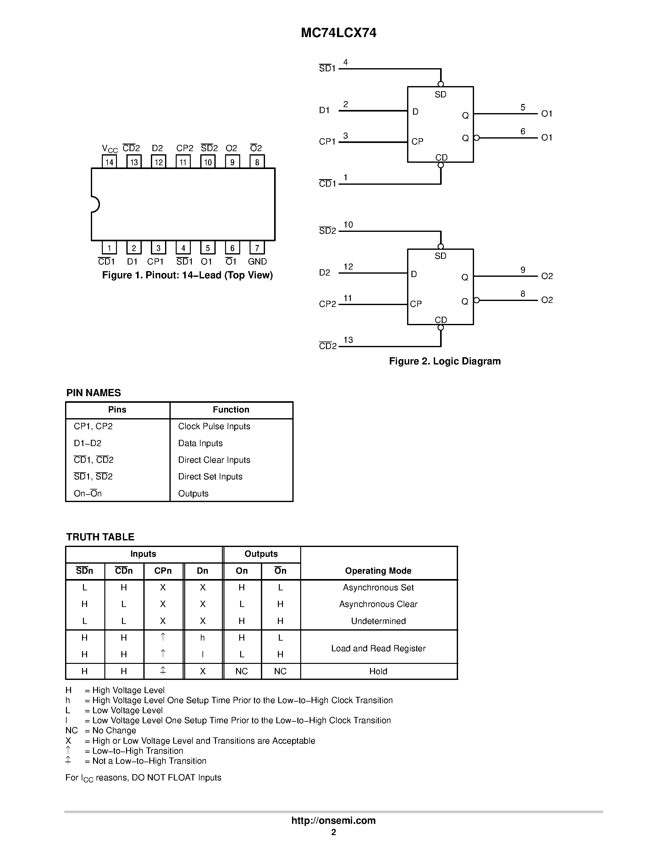
MC74LCX74-LOW-VOLTAGE CMOS DUAL D-TYPE FLIP-FLOP

Наименование:MC74LCX74
Производитель:ON Semiconductor
Скачать даташит (datasheet):
Описание:LOW-VOLTAGE CMOS DUAL D-TYPE FLIP-FLOP
Другие, ссылающиеся на этот файл: MC74LCX74
Даташит MC74LCX74 - LOW-VOLTAGE CMOS DUAL D-TYPE FLIP-FLOP страница 1
Даташит MC74LCX74 - LOW-VOLTAGE CMOS DUAL D-TYPE FLIP-FLOP страница 2