Даташиты (Datasheets)
Даташиты (Datasheets ML9203-xx) электронных компонентов
Даташит поиск по электронным компонентам в формате pdf на русском языке. Бесплатная база содержит более 1 000 000 файлов доступных для скачивания. Воспользуйтесь приведенной ниже формой или ссылками для быстрого поиска (datasheet) по алфавиту.Если вы не нашли нужного Вам элемента, обратитесь к администрации проекта .
Более 1 000 000 datasheetsнапример: LM317
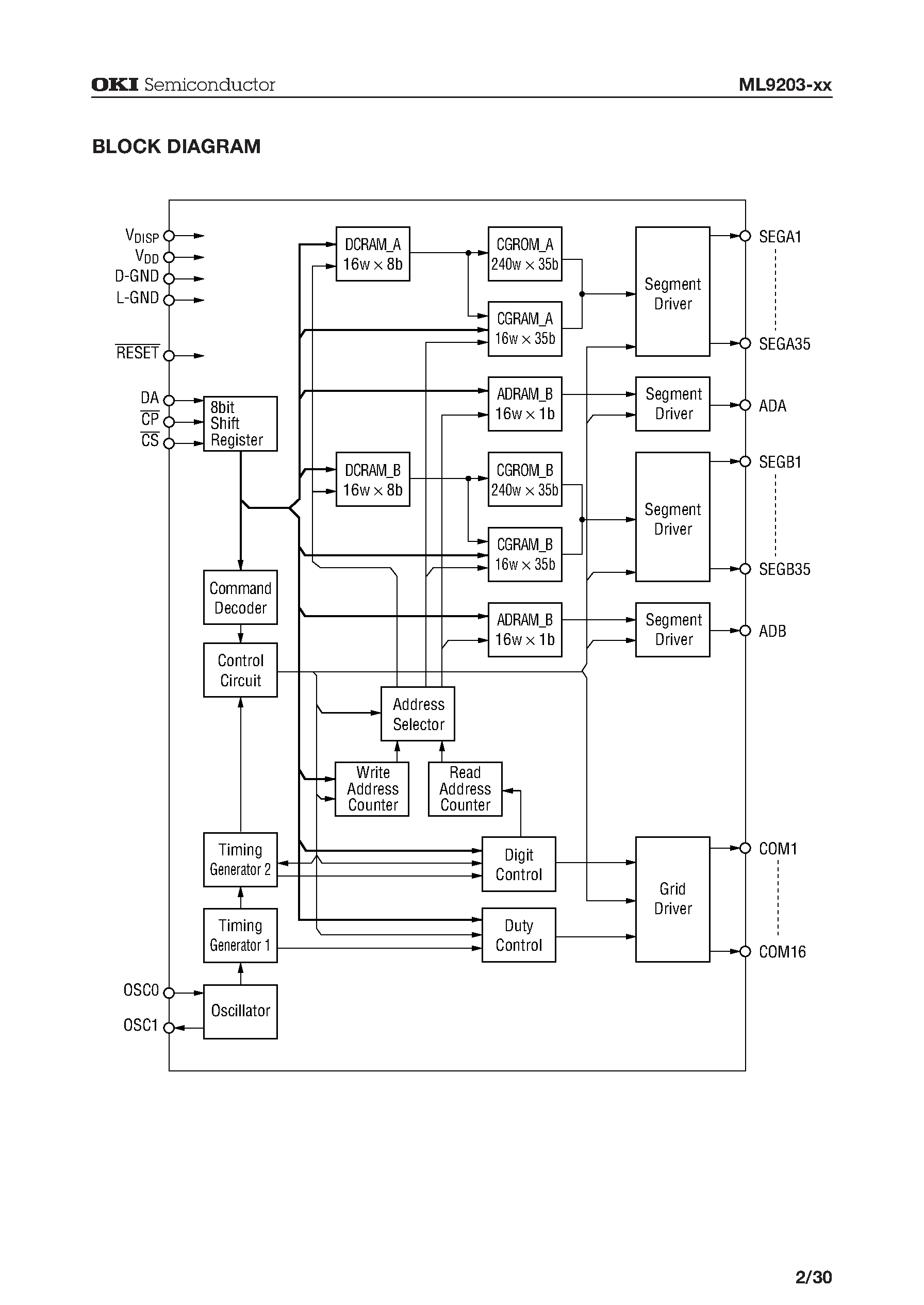
ML9203-xx-5 x 7 Dot Character x 16-Digit x 2-Line Display Controller/Driver with Character RAM


