Даташиты (Datasheets)
Даташиты (Datasheets MSM64155A) электронных компонентов
Даташит поиск по электронным компонентам в формате pdf на русском языке. Бесплатная база содержит более 1 000 000 файлов доступных для скачивания. Воспользуйтесь приведенной ниже формой или ссылками для быстрого поиска (datasheet) по алфавиту.Если вы не нашли нужного Вам элемента, обратитесь к администрации проекта .
Более 1 000 000 datasheetsнапример: LM317
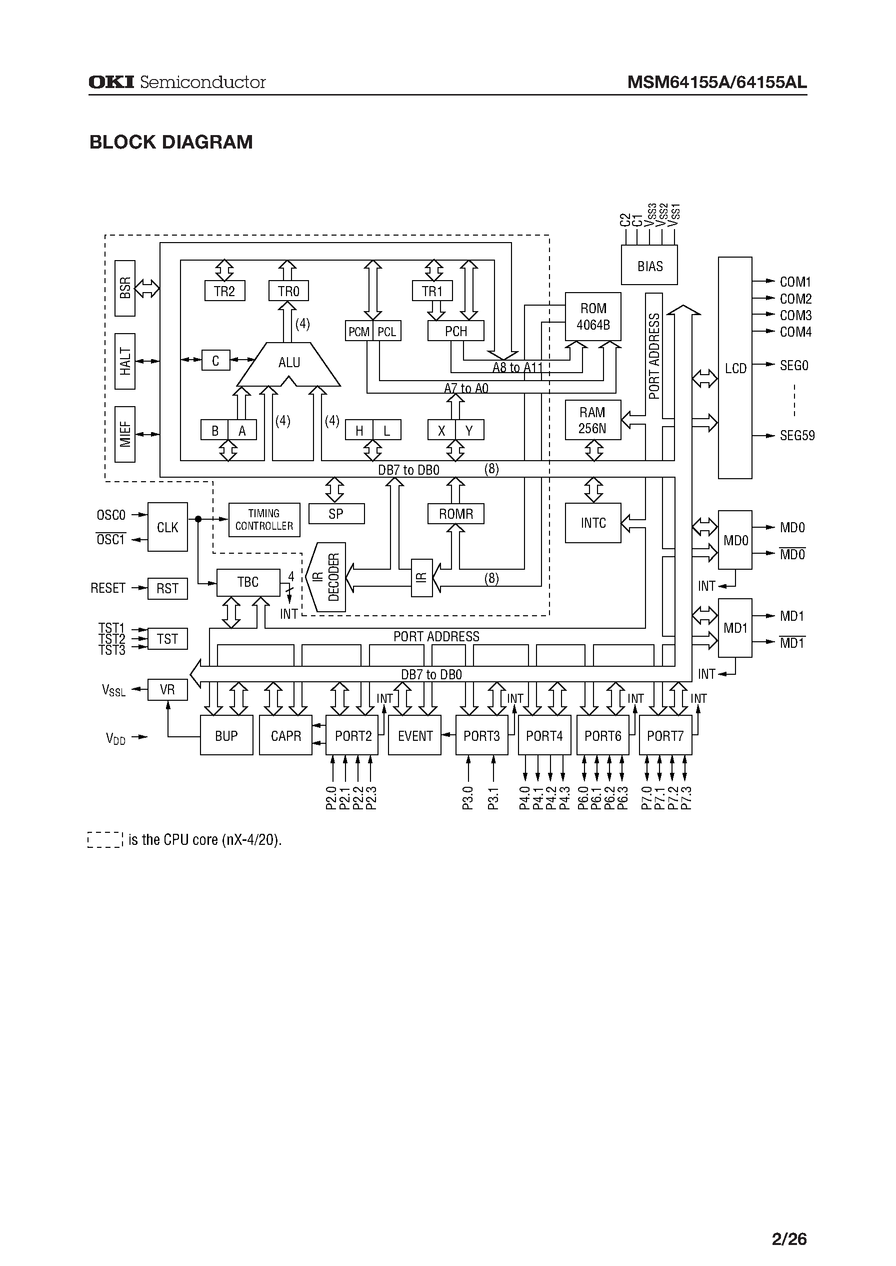
MSM64155A-4-Bit Microcontroller with Built-in RC Oscillation Type A/D Converter and LCD Driver


