Даташиты (Datasheets)
Даташиты (Datasheets NB6HQ14M) электронных компонентов
Даташит поиск по электронным компонентам в формате pdf на русском языке. Бесплатная база содержит более 1 000 000 файлов доступных для скачивания. Воспользуйтесь приведенной ниже формой или ссылками для быстрого поиска (datasheet) по алфавиту.Если вы не нашли нужного Вам элемента, обратитесь к администрации проекта .
Более 1 000 000 datasheetsнапример: LM317
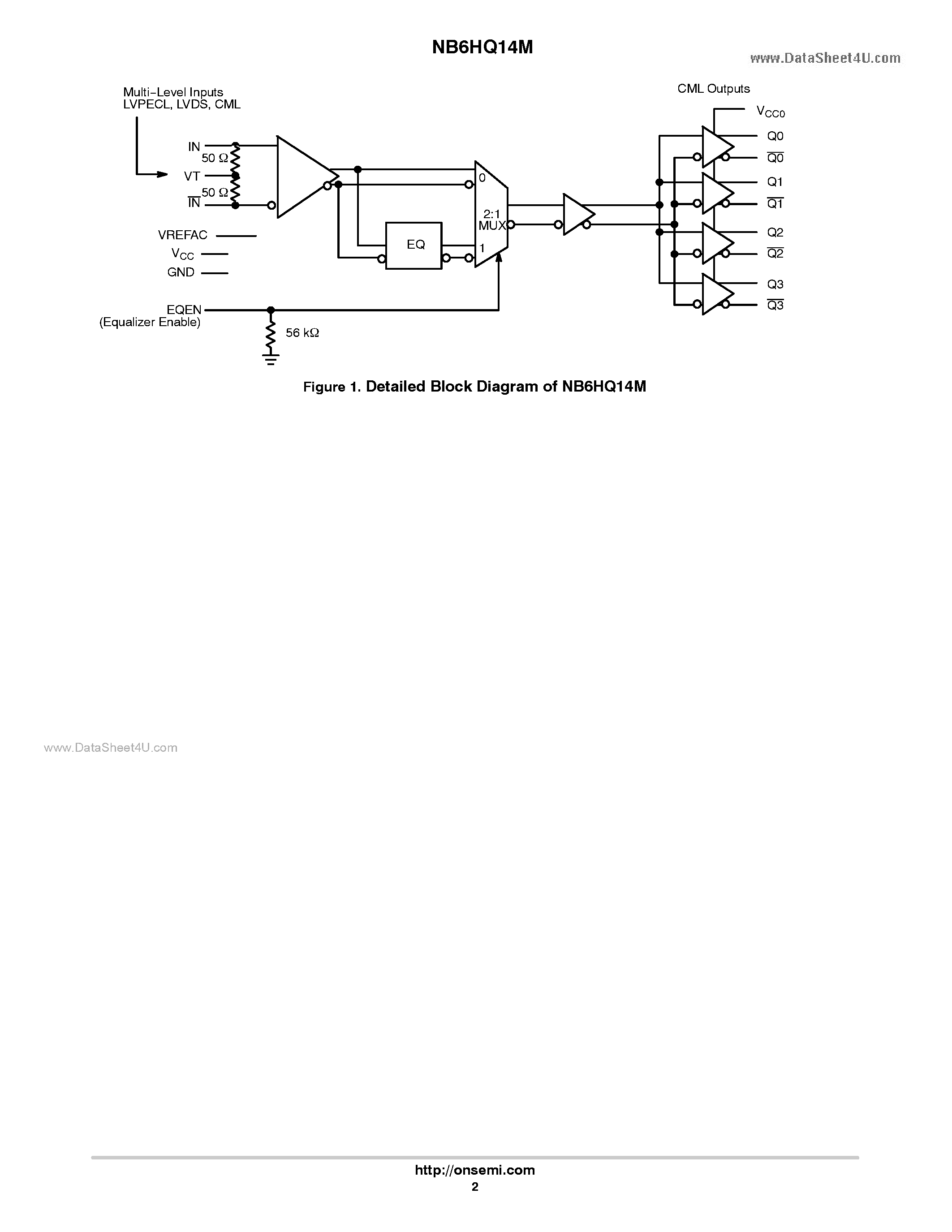
NB6HQ14M-2.5V 5GHz / 6.5Gbps Differential Input to 1.8V / 2.5V 1:4 CML Clock / Data Fanout Buffer


