Даташиты (Datasheets)
Даташиты (Datasheets TMS46400DJ) электронных компонентов
Даташит поиск по электронным компонентам в формате pdf на русском языке. Бесплатная база содержит более 1 000 000 файлов доступных для скачивания. Воспользуйтесь приведенной ниже формой или ссылками для быстрого поиска (datasheet) по алфавиту.Если вы не нашли нужного Вам элемента, обратитесь к администрации проекта .
Более 1 000 000 datasheetsнапример: LM317
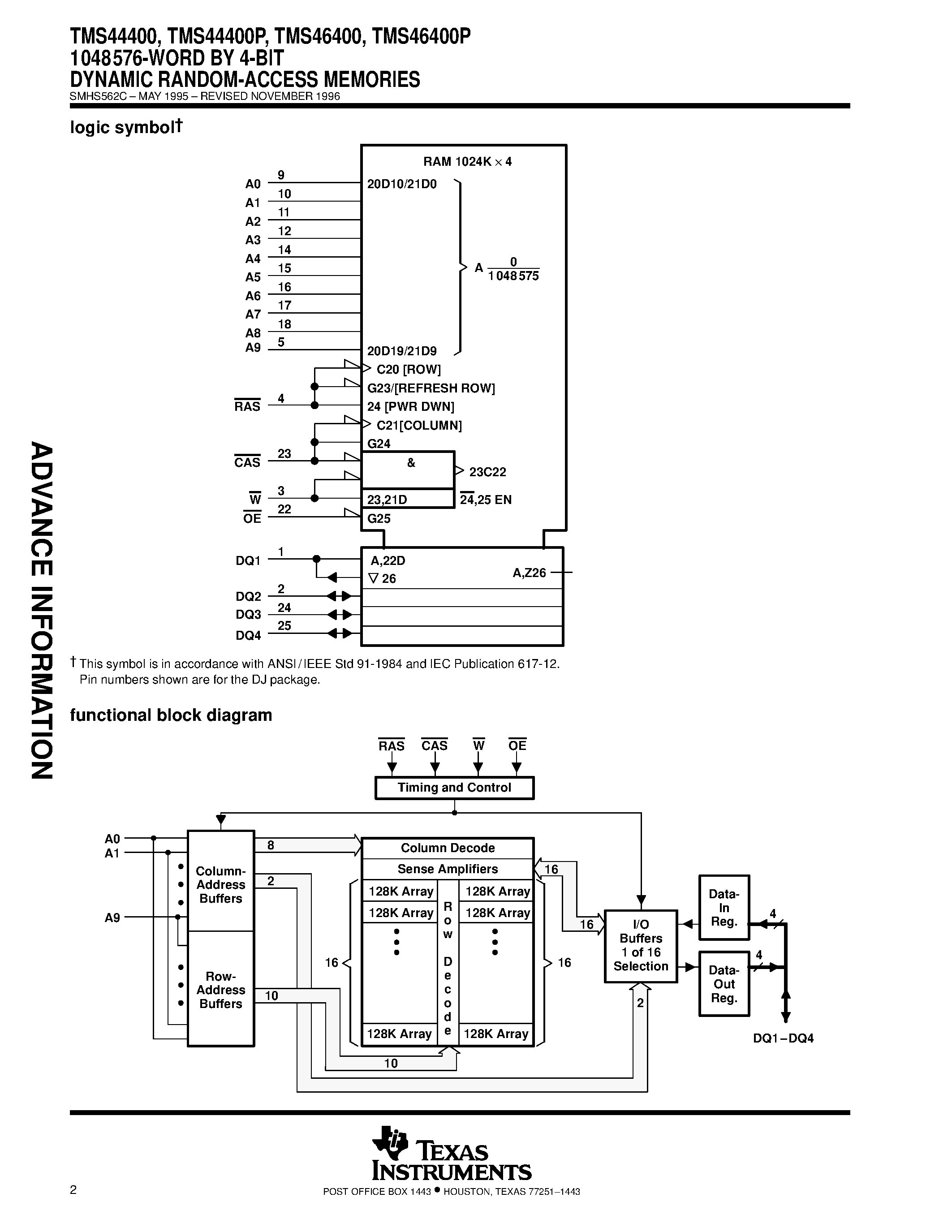
TMS46400DJ-1048576-WORD BY 4-BIT DYNAMIC RANDOM-ACCESS MEMORIES


