на главную
Карта сайта
English version
Вы читаете:

Даташит (datasheet) на микросхему, транзисторы, диоды

Даташиты (Datasheets)

Даташиты (Datasheets WL600C) электронных компонентов

Даташит поиск по электронным компонентам в формате pdf на русском языке. Бесплатная база содержит более 1 000 000 файлов доступных для скачивания. Воспользуйтесь приведенной ниже формой или ссылками для быстрого поиска (datasheet) по алфавиту.Если вы не нашли нужного Вам элемента, обратитесь к администрации проекта .
Более 1 000 000 datasheetsнапример: LM317

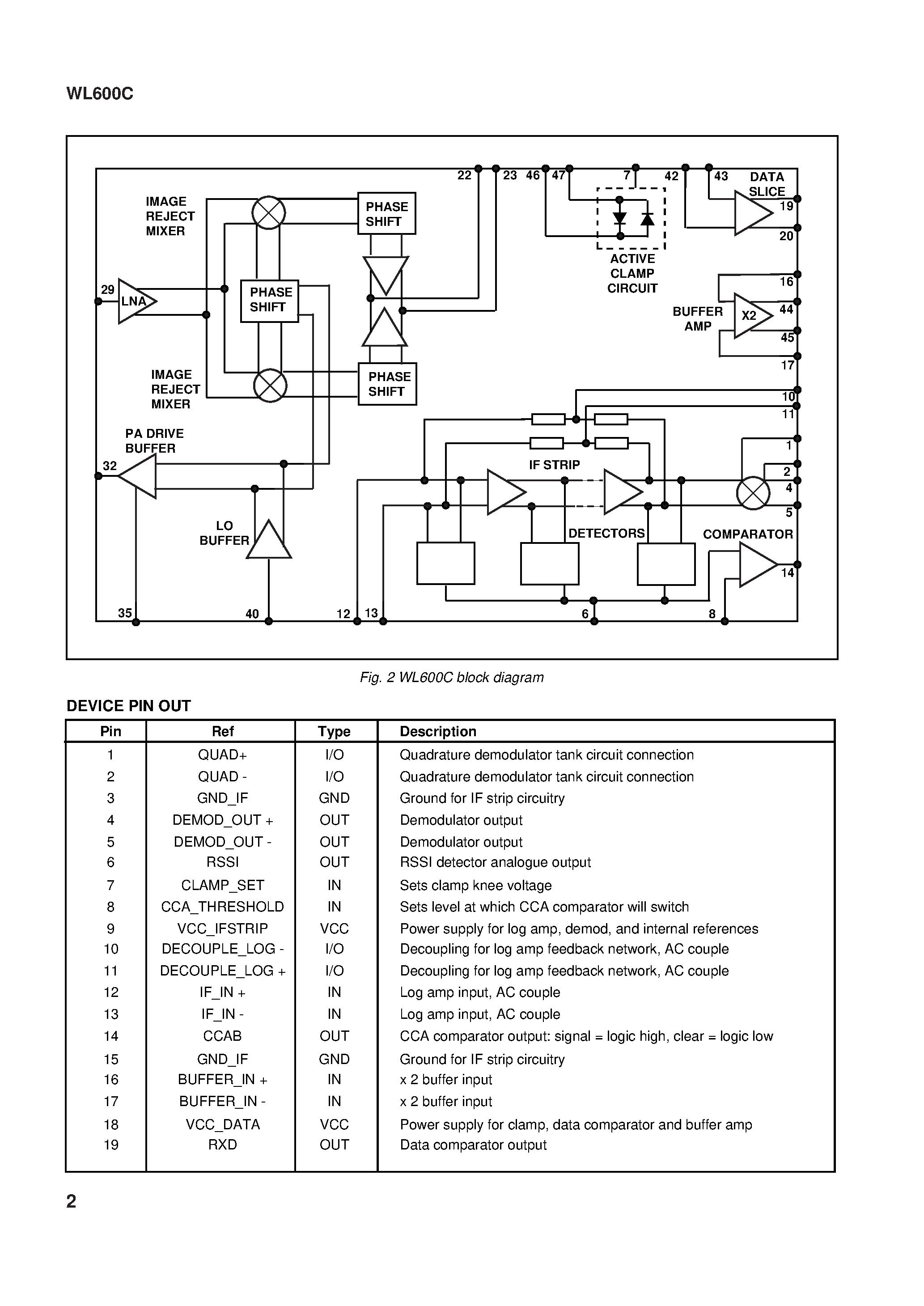
WL600C-2.4 - 2.5GHz RF and IF Circuit

Наименование:WL600C
Производитель:Mitel Networks Corporation
Скачать даташит (datasheet):
Описание:2.4 - 2.5GHz RF and IF Circuit
Другие, ссылающиеся на этот файл: WL600C
Даташит WL600C - 2.4 - 2.5GHz RF and IF Circuit страница 1
Даташит WL600C - 2.4 - 2.5GHz RF and IF Circuit страница 2