Глоссарий
Глоссарий терминов: электроника, радиотехника литера В
Глоссарий терминов представляет собой словарь специальных терминов электроники и радиотехники с разъяснением, что означает каждый термин. Для поиска терминов воспользуйтесь алфавитным навигатором.
| Термин | Текст |
|---|---|
| Вектор-кардиограф | Устройство для исследования электрической активности сердца, моделируемой вектором в трехмерном пространстве. |
| Вариконд | Конденсатор с диэлектриком из сегнетокерамики, диэлектрическая проницаемость ε которого зависит от приложенного напряжения, благодаря чему можно изменять емкость вариконда в десятки раз. Вариконды имеют большие значения максимальной емкости (десятки нанофарад), но значительную зависимость ε и tgδ от температуры, особенно в области точки Кюри. |
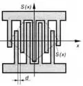
| Встречно-штыревой преобразователь (ВШП) | Планарная структура, состоящая из двух проводящих гребенок, штыри которых входят друг в друга, образуя решетку, на которую подается возбуждающее напряжение (см. рис.). Предназначен для возбуждения поверхностных акустических волн на поверхности пьезоэлектрика. Расстояние между штырями d выбирают исходя из условия электроакустического синхронизма — согласования времени пробега акустической волны между соседними штырями и полупериода изменения напряжения между ними на центральной частоте f0. Расчетная формула имеет вид d = νа/(2f0), где νа — скорость акустической волны.Конструкция ВШП и, особенно, число штырей в значительной степени определяют его частотные свойства. По равномерности распределения штырей различают эквидистантные (с равномерным распределением) и неэквидистантные ВШП. В первых для получения нужной частотной характеристики используется аподизация, определяемая как обратное пространственное преобразование Фурье от требуемой нормируемой к va частотной характеристики фильтра. В случае реализации полосового фильтра на ПАВ для получения оптимизированных по определенным параметрам фильтров используют специальные функции аподизации. |
| Выходной каскад (радиолюбительский жаргон) | Оконечный каскад или усилителя мощности, или усилителя передатчика. Подразумевается, что выходной каскад размещен в одном корпусе со своим радиотехническим устройством |
| Высотные невидимые антенны | Под высотными невидимыми антеннами понимают антенны, расположенные относительно высоко над землей - не менее 10 метров и являющихся невидимыми постороннему наблюдателю. Это наиболее просто реализуемые невидимые антенны |
| Высокочастотный мост | Измерительный мост Уитсона, производящий измерение входного сопротивления радиотехнического устройства на высокочастотном токе методом сравнения |
| ВЧ-диапазоны (радиолюбительский жаргон) | Под ВЧ-диапазонами обычно принимают КВ-диапазоны 20-10 метров. Если о ВЧ-диапазонах говорят сравнительно с НЧ-диапазонами, то тогда под ВЧ-диапазонами понимают диапазоны 40-10 метров. В некоторых источниках под ВЧ-диапазонами принимают диапазоны 15-10 м |
| ВЧ | Сокращенное обозначение высокочастотный. Может использоваться к любым параметрам, определяющим высокочастотные колебания - к току, напряжению, частоте и их производным - сопротивлению, мощности и периоду |
| ВС | Тип резистора , которые радиолюбители обычно называют по его аббревиатуре от "высокостабильное сопротивление". В настоящее время резисторы типа ВС сняты с производства, тем не менее еще солидный запас их используется радиолюбителями в их деятельности. В этих сопротивлениях проводящий слой образован путем осаждения на каркас диэлектрика углерода в вакууме или в атмосфере инертного газа. Эти сопротивления имеют отрицательный ТКС. Для изготовления высокочастотных сопротивлений по каркасу резистора прорезается спиралевидная канавка. Сопротивление типа ВС мало подвержено старению. При снижении мощности, рассеиваемой на них, могут работать при температуре окружающей среды до 100оС |
| Вращающаяся поляризация | При этом типе поляризации векторы электрического и магнитного поля вращаются в плоскости распространения радиоволны. Вращение их происходит по синусоидальному закону с угловой скоростью вращения равной угловой частоте (т.е. вращение происходит с частотой сигнала). Вращающейся поляризацией могут обладать волны с круговой и эллиптической поляризацией. В этом случае говорят о вращающейся круговой ил эллиптической поляризации. При вращении векторов поля по часовой стрелке говорят о правой вращающейся поляризации, при вращении против часовой стрелки - о левой вращающейся поляризации. Для создания вращающейся поляризации используют специальные типы антенн. Используется эта поляризация для связи с ИЗС и связях через метеоры. Радиолюбители этот тип поляризации используют относительно редко, из-за сложностей, возникающих при конструировании антенн, обеспечивающих круговую поляризацию |
| Волновое сопротивление | Этот параметр относится к линиям передачи. Волновое сопротивление линии равно корню квадратному отношения распределенной вдоль линии индуктивности к распределенной вдоль этой же линии емкости. Физически волновое сопротивление линии показывает, какое эквивалентное сопротивление линия оказывает генератору. Хотя волновое сопротивление рассчитывается исходя из реактивных сопротивлений, оно имеет активный характер. Физически это соответствует тому, что линия потребляет энергию от генератора. В зависимости от сопротивления нагрузки линии режим ее работы (рассмотрен в) может иметь различный характер |
| Вожженка | (радиолюбительский жаргон), название катушки, выполненной способом вжигания проводящей поверхности (обычно серебра) в керамический каркас катушки. "Вожженки" используют в высокостабильных контурах различных радиотехнических устройствах |
| Внутренняя антенна (радиолюбительский жаргон) | 1) название любых передающих или приемных антенн, расположенных внутри помещения (комнаты, чердака, застекленного балкона). Если антенна находится вне помещения под действием внешних атмосферных условий, она не может быть названа внутренней. 2) приемная антенна, находящаяся внутри радиотехнического устройства (приемника, телевизора) |
| Взаимности эффект | Эффект взаимности заключается в том, что параметры антенны одинаковы как при работе ее на передачу, так и при работе ее на прием. На основе этого построено большинство теоретических моделей антенны. Как сейчас выяснилось, при более строгом теоретическом подходе к антеннам, это не так. Параметры антенн при работе на передачу, не соответствуют параметрам антенн при работе на прием. Это различие зависит от конструкции антенн. Но до настоящего времени пользуются эффектом взаимности при расчетах антенн с поправкой на реальное расхождение |
| Верхние диапазоны (радиолюбительский жаргон) | ВЧ-диапазоны |
| Вертикальный излучатель | Вертикальные антенны |
| Вертикально поляризованная волна | Это электромагнитная волна, вектор электрического поля которой направлен перпендикулярно относительно проводящей поверхности, над которой она распространяется |
| Вертикальная антенна | Антенна, полотно которой находится вертикально относительно проводящей поверхности - естественной или искусственной. Вертикальные антенны могут быть как симметричными, так и несимметричными |
| Вертикал (радиолюбительский жаргон) | Название любой несимметричной вертикальной антенны |
| Веревка (радиолюбительский жаргон) | Название однопроводной антенны, расположенной как горизонтально, так и вертикально |
| Вариометр | Состоит из двух катушек, одна из которых вращается в магнитном поле другой. Катушки могут быть переключены в процессе регулировки последовательно или параллельно, что дает возможность изменять индуктивность системы в широких пределах |
| Вакуумный конденсатор | Состоит из двух коаксиальных цилиндрических электродов, помещенных в стеклянный баллон, в котором создается высокий вакуум, что позволяет повысить рабочие напряжения. Наименьшими потерями эти конденсаторы обладают в диапазоне частот 1-2 МГц, где добротность конденсатора достигает 10000. С увеличением частоты возрастают потери в выводах конденсатора и его диэлектрике и добротность конденсатора понижается |
| Выпрямитель | Электрическое устройство для преобразования переменного электрического тока в постоянный |
| Вокодер | Устройство, предназначенное для преобразования речевого сигнала в цифровую форму. При преобразовании устраняется избыточность речевого сигнала, что, с одной стороны, уменьшает требуемую полосу пропускания канала связи для его передачи, а, с другой, искажает речевой сигнал (изменяется тембр и узнаваемость) с сохранением требуемой разборчивости речи |
| Вибратор | В радиотехнике отрезок металлического прутка для излучения или приема электромагнитных волн. Длина прутка согласована с длинной волны. Вибратор применяют как простейшую антенну или как элемент сложных антенн |

Планарная структура, состоящая из двух проводящих гребенок, штыри которых входят друг в друга, образуя решетку, на которую подается возбуждающее напряжение (см. рис.). Предназначен для возбуждения поверхностных акустических волн на поверхности пьезоэлектрика. Расстояние между штырями d выбирают исходя из условия электроакустического синхронизма — согласования времени пробега акустической волны между соседними штырями и полупериода изменения напряжения между ними на центральной частоте f0. Расчетная формула имеет вид d = νа/(2f0), где νа — скорость акустической волны.