Видеокамеры (ВК) "Panasonic S70/S80/S90" на базе DL-механизма имеют логотип "Palmcorder" и относятся к ВК высокого класса. К известным автору моделям группы S70/80/90 относятся "NV-S70A/B/E, S78E, S88E, S90A/B/E, S900EN, S99E" и др. В данной статье рассмотрим модели "NV-S70/S77/S90/S900". имеющие много общих конструктивных особенностей, одинаковых элементов и узлов, что позволяет использовать предлагаемые материалы для ремона всех перечисленных моделей.
В односкоростных моделях "NV-S70A/B/E" форматов S-VHS-C и Hi-Fi стерео применен БВГ с 9 головками типа VEG1144. Длина зазоров видеоголовок составляет 50 мкм, что обеспечивает наилучшее качество изображения в режиме SP Видеокамеры оснащены 10-кратным светосильным вариообъективом, фокусное расстояние - 6...60 мм, относительное отверстие - F1.6, диаметр резьбы для внешних насадок - 37 мм. В качестве светочувствительного элемента применена матрица ПЗС с диагональю 1/3 дюйма, видоискатель черно-белый с диагональю 0,5 дюйма. Напряжение питания от аккумуляторов равно 4,8 В, а от сетевого адаптера - 6 В.
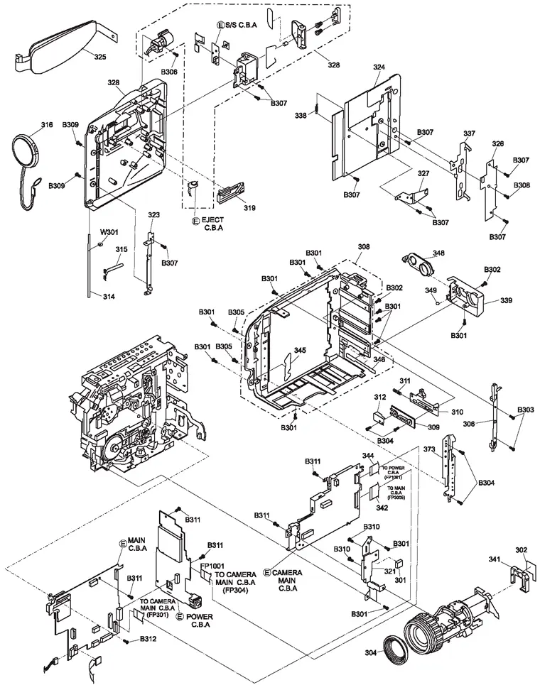
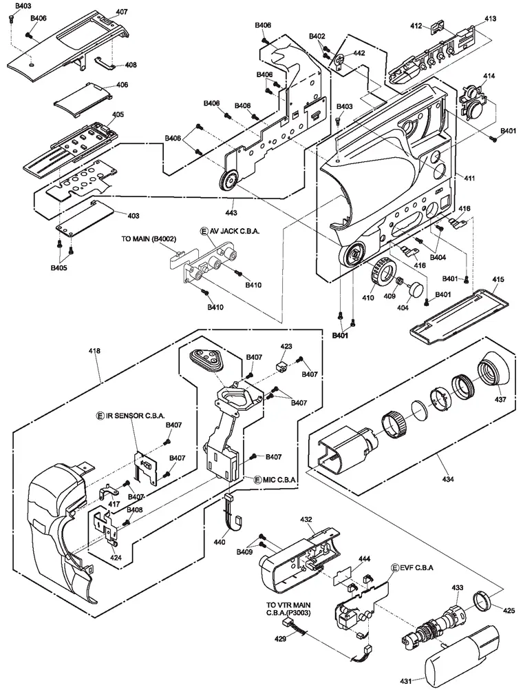
Сборочный чертеж видеокамер "NV-S70A/B/E" приведен на рис.1 (а, б), а в табл. 1 - перечень механических деталей и узлов этих видеокамер, необходимость заказа которых может возникнуть при ремонте (за исключением крепежа, пружин и т.п.).

Рис. 1а. Сборочный чертеж видеокамер Panasonic S70/S80/S90

Рис. 1б. Сборочный чертеж видеокамер Panasonic S70/S80/S90
Таблица 1
Ref No | Part No | Наименование |
304 | VDW0202 | LENS HOOD - колпачок объектива |
308 | VYK5883 | SIDE CASE (L) (1) - левая боковина корпуса |
309 | VGQ3139 | BATT. LOCK HOLD PLATE - плата батарейного отсека |
310 | VGQ3352 | BATT. LOCK LEVER - рычаг замка батарейного отсека |
316 | VYF1987 | HOOD CAP U - крышка объектива |
319 | VGU6428 | LOCK RELEACE (EJECT KNOB - кнопка выброса кассеты |
320 | VYP5622 | CASSETTE COVER (1) UNIT - узел крышки кассетоприемника |
324 | VGQ3281 | CASSETTE HOLDER - держатель кассеты |
325 | VYC0627 | GRIP BELT U - операторский ремень |
405 | VYK5298 | VTR OPERETION PANEL U - узел панели управления ВМ |
406 | VGQ3495 | CURSOR - крышка панели управления ВМ |
407 | VKM3881 | TOP CASE - верхняя часть корпуса видеокамеры |
410 | VGU6460 | MODE SELECT LEVER - ручка переключателя режимов |
411 | VYK5879 | SIDE CASE (R) (1) U - правая боковина корпуса |
412 | VGU6396 | POWER SAVE KNOB - кнопка переключателя дежурного режима |
413 | VGU6678 | CAMERA OPERATION BUTTON - панель управления видеокамеры |
414 | VGU6449 | FADE/DATE BUTTON - кнопки "дата", "фэйдер" |
418 | VYK5863 | FRONT CASE U - передняя часть корпуса в сборе |
429 | VEE8882 | EVF CONNECTOR U - шлейф видоискателя |
431 | VKM3883 | EVF CASE (R) - правая крышка видоискателя |
432 | VYK5884 | EVF CASE (L) U - правая боковина видоискателя |
433 | M01KUA07WB03 | CRT - "трубка" видоискателя |
434 | VYQ1030 | SLIDE CASE U - корпус видоискателя в сборе |
440 | VEE8881 | MIC CONNECTOR CABLE - микрофонный шлейф |
Узлы, не имеющие на сборочном чертеже позиционных обозначений (Е в кружке), относятся к электронной части видеокамер, их данные внесены в перечни электронных компонентов.
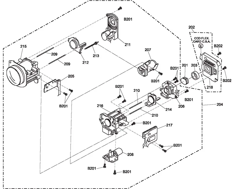
На рис. 2 показан сборочный чертеж объектива рассматриваемых видеокамер, а в табл. 2 - перечень его основных деталей и узлов, необходимость заказа которых может возникнуть при ремонте.

Рис. 2. Сборочный чертеж объектива видеокамер S70/S80
Таблица 2
Ref No | Part No | Наименование |
201 | VXW0162 | LENS U - узел объектива в сборе |
202 | VDW0208 | FOCUS RING - кольцо ручной фокусировки |
203 | VXQ0347 | LENS MAIN U - передняя часть объектива в сборе |
204 | VXP1390 | 2 ND MOVING FRAME U. - узел 2-й подвижной линзы |
205 | VXL2389 | IRIS U - узел диафрагмы |
206 | VXQ0348 | MASTER FLANGE - средняя часть объектива в сборе |
207 | VXP1391 | 4 TH MOVING FRAME U - узел 4-й подвижной линзы |
209 | VEK6157 | LENS FLEX U - плата концевых датчиков объектива |
210 | VXP1393 | SCREW SHAFT U - "червячная" ось трансфокатора |
211 | EVAJHJJ01B14 | ZOOM ENCODER - датчик трансфокатора (ползунковый резистор) |
212 | VEM0436 | FOCUS MOTOR U - узел двигателя фокусировки с редуктором |
213 | VEM0437 | ZOOM MOTR U - узел двигателя трансфокатора с редуктором |
214 | VDW0210 | MASTER FLANG - корпус узла ПЗС матрицы |
215 | VDL0341 | GLASS - стеклянный стержень узла ПЗС матрицы |
216 | VDS0030 | CRYSTAL FILTER HOLDER - корпус оптического фильтра |
217 | VDL0322 | CRYSTAL FILTER - оптический фильтр |
218 | VMX1846 | CCD CUSHION - колпачок ПЗС матрицы |
223 | VEK6611 | CCD UNIT - узел ПЗС матрицы в сборе |
Разборка видеокамер "NV-S70A/B/E" производится в семь этапов. Первый этап включает 5 операций по демонтажу правой части корпуса (Ref No. 411, рис. 1б), второй - 3 операции по демонтажу левой части корпуса (Ref No. 308, рис. 1а), третий - 2 операции по демонтажу передней части корпуса (Ref No. 418, рис. 1б), четвертый - 2 операции по демонтажу камерной головки, пятый - 3 операции по демонтажу главной платы (camera main C.B.A), шестой - 1 операцию по демонтажу платы источника питания (Power C.B.A) и седьмой - 1 операцию по демонтажу платы электропривода (Drive C.B.A). Порядок разборки показан рис. 3-9 Односкоростные модели "NV-S77A/B/E" форматов S-VHS-C и Hi-Fi стерео базируются на БВГ с 9 головками такого же типа, как и в модели "NV-S70". Видеокамеры оснащены 14-кратным широкоугольным вариообъективом с переменной скоростью трансфокации (Wide-angle/variable speed zoom), фокусное расстояние - 8,9-54,4 мм, относительное отверстие - F1.8, диаметр резьбы для внешних насадок - 43 мм, в нем применена матрица ПЗС с диагональю 1/3 дюйма.

Рис. 3. Порядок разборки видеокамеры

Рис. 4. Порядок разборки видеокамеры

Рис. 5. Порядок разборки видеокамеры

Рис. 6. Порядок разборки видеокамеры

Рис. 7. Порядок разборки видеокамеры

Рис. 8. Порядок разборки видеокамеры

Рис. 9. Порядок разборки видеокамеры
Сборочный чертеж этой модели весьма близок к показанному на рис. 1, поэтому приводить его вряд ли целесообразно. Узлы и детали модели "NV-S77", находящиеся на тех же позициях, что и узлы и детали на сборочном чертеже модели "NV-S70", приведены в табл. 3).
Таблица 3
Ref No | Part No | Наименование |
308 | как у "NV-S70" | как у "NV-S70" |
309 | - | - |
310 | как у "NV-S70" | - |
316 | VYF2157 | - |
319 | как у "NV-S70" | - |
320 | - | - |
324 | - | - |
325 | VYC0618 | - |
405 | VYK6095 | - |
406 | как у "NV-S70" | - |
407 | VKM3881 | - |
410 | VGU6867 | - |
411 | VYK6437 | - |
412 | VGU6605 | Hi-Fi SELECT KNOB - кнопка режимов звука |
413 | VGU6862 | как у "NV-S70" |
418 | VYK6444 | - |
431 | VKM4111 | - |
432 | VKM3877 | как у "NV-S70" |
433 | как у "NV-S70" | - |
434 | VYQ1036 | - |
440 | VEE9368 | - |
На рис. 10 приведен сборочный чертеж объектива рассматриваемых видеокамер, а в табл. 4 - перечень элементов и узлов, необходимость заказа которых может возникнуть при ремонте.

Рис. 10. Сборочный чертеж объектива видеокамер NV-S77A/B/E
Таблица 4
Ref No | Part No | Наименование |
201 | VDL0421 | CRYSTAL FILTER - оптический фильтр |
202 | VEK9000 | CCD UNIT - узел ПЗС матрицы в сборе |
203 | VMX2376 | CCD CUSHION - переходное кольцо |
204 | VXW0194 | Lens U - узел объектива в сборе |
206 | VDW0319 | CRYSTAL MOUNT PLATE - задняя часть объектива |
207 | VEM0472 | ZOOM MOTOR U - двигатель трансфокатора с редуктором |
208 | VEM0451 | FOCUS MOTOR U - узел двигателя фокусировки в сборе |
211 | VXL2445 | IRIS U - узел диафрагмы в сборе |
212 | VXP1554 | 2 ND. MOVING FRAME U - узел 2-й подвижной линзы |
214 | VXP1555 | 4TH. MOVING ARAME U - узел 4-й подвижной линзы |
215 | VXQ0440 | MAIN FRAME U - передняя часть объекта в сборе |
216 | VXQ0441 | 3ED. LENS FRAME U - узел 3-й линзы в сборе |
Порядок разборки видеокамеры "NV-S77" мало отличается от вышеописанного для 70-й модели и поэтому не приводится.
Односкоростные S-VHS-C и Hi-Fi стереовидеокамеры "NV-S90A/B/E" и "NV-S900EN" имеют БВГ с 9 головками типа VEG1096. В этих моделях применен 10-кратный светосильный объектив с фокусным расстоянием 4,6...46 мм, относительное отверстие - F1.8, диаметр резьбы для внешних насадок - 37 мм. Используется светочувствительная матрица ПЗС с диагональю 1/4 дюйма.
Сборочный чертеж и этой модели весьма близок к показанному на рис. 1, здесь он также не приводится. Перечислим детали и узлы рассматриваемых моделей, находящиеся на тех же позициях сборочного чертежа, что и на рис. 1 (см. табл. 5).
Таблица 5
Ref No | Part No |
304 | отсутствует |
308 | VYK5873, как у "NV-S70" |
309 | как у "NV-S70" |
310 | - |
316 | VYF2087 |
319 | VGU6399 |
320 | VYP5599 |
324 | как у "NV-S70" |
325 | - |
405 | VYK5869 |
406 | как у "NV-S70" |
407 | - |
410 | VGU6607 |
411 | VYK5866 ("NV-S90E") |
412 | как у "NV-S77", как у "NV-S77" |
413 | VGU6604, как у "NV-S70" |
418 | VYK5871 |
431 | VKM3878 |
432 | VKM3877 |
433 | как у NV-S70 |
434 | VYQ1036 |
440 | VEE8588 |
На рис. 11 приведен сборочный чертеж объектива видеокамер "NV-S90/900", а в табл. 6 - перечень его основных деталей и узлов.

Рис. 11. Сборочный чертеж объектива видеокамер NV-S90/900
Таблица 6
Ref No | Part No | Наименование |
201 | VDL0339 | CRYSTAL FILTER - оптический фильтр |
202 | VEK7144 | CCD UNIT - узел ПЗС матрицы в сборе |
204 | VXW0173 | LENS U - узел объектива в сборе |
205 | EVAWMCJ02B14 | ZOOM ENCODER - кодер трансфокатора (ползунковый резистор) |
206 | VDW0259 | CRYSTAL MOUNT PLATE - задняя часть объектива |
207 | VEM0450 | ZOOM MOTOR - двигатель трансфокатора с редуктором |
208 | VEM0451 | FOCUS MOTOR U - двигатель фокусировки с редуктором |
211 | VXL2370 | IRIS U - узел диафрагмы |
212 | VXP1412 | 2ND. MOVING FRAME U - 2-я подвижная линза |
214 | VXP1414 | 4TH. MOMING FRAME U - 4-я подвижная линза |
215 | VXQ0356 | MAIN FRAME U - передняя часть объектива |
216 | VXQ0357 | 3RD. MOVING FRAME U - 3-я подвижная линза |
Порядок разборки видеокамер "NV-S90/900 также весьма близок вышеописанному для модели "NV-S70" и поэтому не приводится.
Автор: Юрий Петропавловский (г. Таганрог)
Источник: Ремонт и сервис
