Многие новички, после нескольких простых экспериментов с программируемыми микроконтроллерами Arduino, пытаются реализовать свои собственные задумки, но сталкиваются с довольно распространённой проблемой – подключением нагрузки.
Дело в том, что на выходах Ардуино можно получить напряжение только 5 В (это уровень логической единицы). При этом сила тока будет не более 40 мА. Таких параметров может быть недостаточно для многих внешних схем и узлов. Например, 40 мА не смогут заставить работать большинство электродвигателей, даже питающихся напряжением 5 В.
Поэтому ниже рассмотрим варианты подключения различных типов нагрузок.
Основной принцип – запуск/останов внешнего блока по логическим уровням "единица-ноль" на выходе Ардуино. И лучше всего предусмотреть защиту микроконтроллера от скачков напряжения из подключаемой схемы.
Подключение слабых нагрузок
Простейший пример – светодиод. Большинство таких диодов имеет предельный порог по току в 20 мА (0,02А). Поэтому подключать их к Ардуино лучше всего через токоограничивающий резистор. Как его рассчитать, мы рассмотрели в отдельной статье, на всякий случай напомним формулу:
R = U / I
Здесь R – сопротивление участка цепи, в которую входят и ограничивающий резистор, и сам диод (их сопротивления складываются). Но так как собственное сопротивление диода ничтожно мало, то им в данной задаче можно просто пренебречь. Тогда получаем:
Rогр = 5 В / 0,02 А = 250 Ом.
То есть при включении в цепь питания резистора номиналом свыше 250 Ом мы получим падение силы тока ниже 0,02 А (что и нужно для светодиода).
Аналогично можно рассчитывать токоограничивающий резистор для других элементов.
Типовое включение маломощных элементов на примере того же светодиода можно увидеть ниже.

Рис. 1. Типовое включение маломощных элементов на примере светодиода
Некоторые модели плат Arduino могут активировать встроенную систему токоограничения, тогда резистор может даже не понадобится.
Подключение мощных нагрузок, питающихся постоянным током
Здесь нужно оговорить отдельно, что внешняя схема должна питаться от другого источника тока/напряжения, который соответствует характеру потребления.
Ардуино может включаться в цепь управления через посредника, например, через транзистор или аналогичную схему/элемент. Начнём с простых биполярных транзисторов.
Через биполярный транзистор
Классическая схема включения будет выглядеть так.

Рис. 2. Классическая схема включения через биполярный транзистор
Номинал резистора, подключённого к базе, приведён для примера. На самом деле его значение необходимо рассчитать в соответствии с ТТХ транзистора (входной уровень напряжения зависит от коэффициента усиления в режиме насыщения и напряжения питания в управляемой цепи).
На роль транзистора подойдёт практически любой n-p-n.
Такая схема проста в реализации и доступна по цене, но не подходит для управления цепями с очень мощными нагрузками.
Альтернатива – ниже.
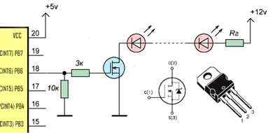
Через полевой транзистор
Действительно силовые схемы можно подключать к Ардуино через полевики.
Типовая схема включения выглядит следующим образом.

Рис. 3. Классическая схема включения через полевой транзистор
Использовать полевые транзисторы с малой нагрузкой не стоит, так как, во-первых, они медлительны в переключении, а во-вторых, будут изрядно греться.
При подключении к затвору применяется всё тот же ограничительный резистор, который необходимо правильно рассчитать исходя из параметров питания и характеристик самого полевика.
А второй (10К) – используется для защиты самого микроконтроллера и исключения помех в работе транзистора (исключает Z-состояние).
В случае подключения двигателей или других реактивных нагрузок без защиты лучше всего предусмотреть обратный пробой и установить диод. Например, так. Несмотря на то, что в современных полевых транзисторах диоды часто уже встроены, на деле они не всегда справляются с задачей.

Рис. 4. Индуктивная нагрузка
Чтобы повысить "управляемость" цепи, лучше всего выбирать мосфеты с пометкой "Logic Level" (они предназначены для работы с цифровыми логическими уровнями).
Через транзисторы Дарлингтона
Что называется "решение из коробки". В радиомагазинах можно найти готовые микросхемы, такие как ULN2003, которые представляют собой набор независимых составных транзисторов Дарлингтона. Схема управления реализуется очень просто.

Рис. 5. Схема управления
Здесь каждый выход Ардуино управляет отдельным составным транзистором (выход строго напротив). При необходимости транзисторы можно включать параллельно (каждый "тянет" нагрузку по 500 мА).
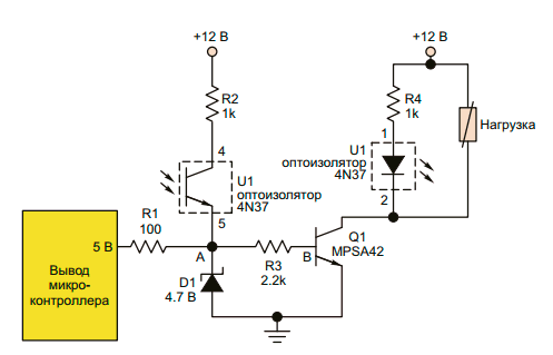
Через оптореле
Это практически идеальное решение, лишённое множества недостатков, связанных с другими способами.
Твердотельные реле обеспечивают полную гальваническую развязку цепи управления и основной цепи, в них нет никаких механических деталей, они позволяют работать с высокими токами и т.д.
Схема подключения нагрузки с оптореле будет выглядеть следующим образом.

Рис. 6. Схема подключения нагрузки с оптореле
Резистор перед реле отвечает за ограничение тока. Рассчитывается как и в предыдущих примерах.
Оптореле не подойдёт только для случаев управления "быстрыми" схемами.
Другие методы
Выше мы обозначили только основные применяемые способы. На деле существует множество других методов подлючения мощных нагрузок к Ардуино и к другим микроконтроллерам:
1.Через семисторы (триаки)

Рис. 7. Подлючения мощных нагрузок к Ардуино и к другим микроконтроллерам через семисторы
2.Через классические реле (требуется ещё один посредник для управления самим реле)

Рис. 8. Подлючения мощных нагрузок к Ардуино и к другим микроконтроллерам через классические реле
3.Коммутация с одновременной стабилизацией

Рис. 9. Коммутация с одновременной стабилизацией
4.Драйвер с защитой от коротких замыканий

Рис. 10. Драйвер с защитой от коротких замыканий
Автор: RadioRadar
