В статье рассмотрены различные варианты построения двухканальных импульсных усилителей с использованием частотно-разделительных цепей (ЧРЦ), предложена схема многоканального усилителя, позволяющая полностью исключить искажения обусловленные разделением спектра усиливаемого сигнала, получены соотношения для расчета значении элементов частотно-разделительных цепей предлагаемого усилителя, приведены результаты эксперимента
Создание современных радиотехнических систем и устройств в ряде случаев связано с необходимостью применения в них усилителей импульсных сигналов с полосой рабочих частот от нуля либо единиц герц до десятков гигагерц. Реализация таких усилителей на основе одноканальных структур часто оказывается невозможной. Например, использование больших значений емкостей разделительных конденсаторов и индуктивностей дросселей питания для уменьшения нижней граничной частоты приводит к появлению некорректируемых паразитных резонансов в области сверхвысоких частот. Для устранения указанного недостатка в [1] предложено осуществлять построение сверхширокополосных импульсных усилителей на основе двухканальных структур с использованием ЧРЦ, успешно применяемых при реализации усилителей периодических сигналов [2-6].
Согласно [1] построение двухканального импульсного усилителя, в котором полностью отсутствуют искажения из-за разделения спектра усиливаемого сигнала, возможно при использовании ЧРЦ 1 -го порядка, стоящих на входе либо на выходе усилителя. Схема такого устройства приведена на рис. 1, где Σ - делитель мощности, УВЧ и УНЧ - усилители высоких и низких частот: С1, L1, - элементы ЧРЦ 1-го порядка.

Рис. 1
Действительно, полагая УВЧ и УНЧ идеальными, нормированную передаточную характеристику рассматриваемого усилителя можно записать в виде:

где а1=2С1Н; а2=L1НС1Н; b1=1,5C1Н+0,5L1Н; b2=L1НC1Н; C1Н=С1RН2πfСТ, L1Н=L12πfСТ/R1—нормированные относительно R1 и fСТ значения элементов С1, L1, RH - сопротивление нагрузки, fСТ—частота стыковки канальных усилителей [2];
p=iΩ, где Ω=ω/(2πfСТ)—нормированная частота; ω—текущая частота.
Учитывая, что C1L1=1/(2πfСТ)2[2], из уравнений:
a1=b1; L1НС1Н=1
получим условие отсутствия искажений амплитудно-частотной (АЧХ) и переходной (ПХ) характеристик усилителя:
| L1Н=1; C1Н=1. | (1) |
Для реализации схемы на рис. 1 необходимо использовать сверхширокополосный делитель мощности с развязанными выходами. Поэтому в [1] предложено заменить делитель мощности на ЧРЦ 1-го порядка с частотой стыковки, в N раз меньшей частоты стыковки выходной ЧРЦ (рис. 2).

Рис. 2
При этом элементы выходной ЧРЦ выбираются из условия (1), а элементы входной ЧРЦ берутся равными: С2Н=NC1Н; L2Н=NL1Н; R1=Rг; R2>>Rг, где Rг— сопротивление генератора, С2Н, L2Н— нормированные относительно Rг и fСТ значения С2, L2.
В этом случае нормированная передаточная характеристика усилителя (рис. 2)
![]() | (2) |
где а1=N; a2=N; b1=1+N; b2=N.
Из условий работы схемы следует, что верхняя граничная частота УНЧ fВУНЧ - больше или равна частоте стыковки выходной ЧРЦ, а нижняя граничная частота УВЧ fНУВЧ должна бытьменьше или равна частоте стыковки входной ЧРЦ, т.е fВУНЧ и fНУВЧ связаны соотношением:fВУНЧ/fНУВЧ≥N.
В соответствии с (2) полное отсутствие искажений АЧХ и ПХ возможно при N , стремящемся к бесконечности. В [1] предложено выбирать N =9. Как показывает анализ, в этом случае неравномерность АЧХ, обусловленная использованием ЧРЦ, равна 1 дБ, а отрицательный выброс ПХ составляет 8 %.
Цель работы- исследование возможности минимизации взаимного перекрытия рабочих частот канальных усилителей двухканального импульсного усилителя с ЧРЦ при одновременном исключении искажений АЧХ и ПХ из-за разделения спектра усиливаемого сигнала.
В рамках схемного решения, приведенного на рис. 2, взаимное перекрытие рабочих частот канальных усилителей может быть уменьшено при выборе С1Н, С2Н и R1, из условий: С1Н=С2Н=1; R1=Rг. В этом случае нормированная передаточная характеристика усилителя может быть представлена в виде:

где a1=2+L2Н; a2=2(1+L2H); a3=L1H+2L2H; a4=L1HL2H; b1=3+(L1H+L2H)/2; b2=L1H+L2H+(L1H+3)(L2H+3)/4; b3=(L1H+3)L2H/2+(L2H+3)L1H/2; b4=L1HL2H.
Отсутствие искажений АЧХ и ПХ возможно при выполнении условий:
| a1=b1; a2=b2; a3=b3. | (3) |
Однако система уравнений (3) не имеет решения. Поэтому целесообразно найти условия, при которых искажения минимальны. Эти условия соответствуют выбору L1H и L2H из решенияпервого и третьего уравнений (3):
| L1H=0,4142; L2H=2,4142. | (4) |
Расчет элементов L1H и L2H по (4) соответствует величине необходимого взаимного перекрытия рабочих частот канальных усилителей:
fВУНЧ/fНУВЧ=1/L1H=2,4142.
Анализ рассматриваемого усилителя с выбором L1H и L2H из (4) показывает, что неравномерность АЧХ, обусловленная использованием ЧРЦ, равна 1 дБ, отрицательный выброс ПХ составляет 6 %, положительный 2 % .
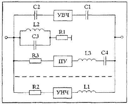
Полное устранение искажений АЧХ и ПХ из-за применения ЧРЦ при одновременном уменьшении взаимного перекрытия рабочих частот канальных усилителей до величины fВУНЧ/fНУВЧ=1 возможно в схеме многоканального усилителя (рис. 3).

Рис. 3
Для минимизации взаимного перекрытия рабочих частот УВЧ и УНЧ выберем нормированные значения С1, L1, C2 из условий:
| C1H=C2H=1; L1H=1. | (5) |
В этом случае нормированная передаточная характеристика усилителя

где
a1=2+L2H/R1H;
a2=1+L2HC3H+2L2H/R1H+(1+2R1H)/(1+R1H);
a3=2L2HC3H+L2H/R1H+(1+L2H/R1H)(1+2R1H)/(1+R1H);
a4=L2HC3H+L2H(C3H+1/R1H)(1+2R1H)/(1+R1H);
a5=L2HC3H(1+2R1H)/(1+R1H);
b1=2+(1+L2H+2R1H)/(1+R1H);
b2=1+2(1+L2H+2R1H)/(1+R1H)+L2H(2+C3H+C3HR1H)/(1+R1H);
b3=L2HC3H(1+2R1H)/(1+R1H)+2L2H(2+C3H+C3HR1H)/(1+R1H)+(1+L2H+2R1H)/(1+R1H);
b4=2L2HC3H(1+2R1H)/(1+R1H)+L2H(2+C3H+C3HR1H)/(1+R1H);
b5=L2HC3H(1+2R1H)/(1+R1H).
Полное отсутствие искажений АЧХ и ПХ соответствует выполнению условий:
| a1=b1; a2=b2; a3=b3; a4=b4. | (6) |
Несмотря на то, что в системе четырех уравнений (6) имеется только три варьируемых параметра, она имеет единственное решение:
| L2H=1; C3H=1; R1H=0,5. | (7) |
В соответствии с этим выбор нормированных значений элементов C1, C2, C3, L1, L2, R1 из условий (5), (7) позволяет полностью устранить искажения АЧХ и ПХ, обусловленные использованием ЧРЦ, и обеспечить взаимное перекрытие частот УВЧ и УНЧ равным единице.
Схемное решение (рис. 3) может быть распространено и на случай многоканальной схемы построения импульсного усилителя (рис. 4). где ПУ - полосовой усилитель.
Для трехканального варианта импульсного усилителя АЧХ канальных усилителей приведены на рис. 5, где АЧХ 1 - УВЧ; 2 - ПУ, 3 - УНЧ.

Рис. 4

Рис. 5
При заданных R1, RH, fНУВЧ, fВУНЧ, с учетом методики расчета полосовых фильтров [7] и соотношений (5) и (7), элементы схемы на рис. 4 рассчитываются по формулам:
| C1=1/(RH2πfНУВЧ); C2=C3=1/(Rг2πfНУВЧ); C4=(fНУВЧ-fВУНЧ)/(RH2πfНУВЧfВУНЧ); L1=RH/(2πfВУНЧ); L2=Rг/(2πfHУВЧ); L3=RH/(2π(fНУВЧ-fВУНЧ)); R1=0,5Rг; R2, R3>>Rг. | (8) |
В случае двухканального варианта импульсного усилителя (см. рис. 3) fНУВЧ=fВУНЧ и истинные значения элементов С1, С2, С3, L1, L2, R1, R2 также могут быть
рассчитаны по (8).
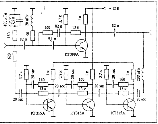
Для экспериментальной проверки теоретических исследований разработан двухканальный импульсный усилитель на транзисторах КТ399А и КТ315А, реализованный по схеме, приведенной на рис. 3. Принципиальная схема макета усилителя дана на рис. 6.
Высокочастотный и низкочастотный канальные усилители выполнены с использованием схемных решений построения широкополосных усилительных каскадов, описанных в [8, 9]. Двухканальный усилитель имеет следующие характеристики: нижняя граничная частота 200 Гц, верхняя - 850 МГц; коэффициент усиления 6 дБ; частота стыковки канальных усилителей 40 МГц; время установления фронта импульса 0,5 нс; выброс переднего фронта импульса 7 %; выброс, обусловленный использованием ЧРЦ, 3 %; сопротивление генератора и нагрузки 50 Ом. Несовпадение значений элементов схемы макета усилителя со значениями элементов, получаемыми в соответствии с (7), вызвано необходимостью компенсации влияния реальных параметров канальных усилителей на работу схемы.

Рис. 6
Предлагаемое схемное решение построения многоканальных импульсных усилителей с ЧРЦ и методика расчета этих ЧРЦ позволяют минимизировать взаимное перекрытие рабочих частот канальных усилителей и исключить искажения АЧХ и ПХ, обусловленные разделением спектра усиливаемого сигнала.
Литература
- Ильюшенко В.Н., Титов АЛ. Многоканальные импульсные устройства с частотным разделением каналов. - Радиотехника, 1991, № 1.
- Алексеев О.В., Грошев Г.А., Чавка Г.Г. Многоканальные частотно-разделительные устройства и их применение. -М.: Радио и связь, 1981.
- Луганина Н.М. Исследование частотно-разделительного устройства для сверхширокополосных усилителей. - Изв. вузов. Сер. Радиоэлектроника, 1985, № 3.
- Михайлов B.C. Исследование амллитудно-частотных характеристик Мультиплексерных усилителей с непрерывной полосой частот. — Изв. вузов. Сер. Радиоэлектроника, 1981, № 8.
- А.с. № 1224962. Многоканальный усилитель/ Лондон С.Е. Томашевич С. В.
- Титов А.А. Мощный широкополосный усилитель постоянного тока. - Приборы и техника эксперимента, 1989, № 3.
- Зааль Р. Справочник по расчету фильтров.: Пер. с нем. -М.: Радио и связь. 1983.
- Титов А.А. Расчет диссипативной межкаскадной корректирующей цепи широкополосного усилителя мощности. -Радиотехника, 1989, № 1.
- Титов А.А. Упрощенный расчет широкополосного усилителя. - Радиотехника, 1979, № 6.
Автор: А.А. Титов

