Среди важных параметров, рассматриваемых автором в многоканальных усилительных структурах (МКУС), - задержка коррекции выходного сигнала по петле обратной связи, а в УМЗЧ класса D она нередко достигает периода переключения транзисторов выходного каскада, т. е. десятка микросекунд. Включение экономичного усилителя мощности класса D в МКУС способствует улучшению его параметров во всей полосе звуковых частот и подавлению внеполосных помех и наводок.
В этой статье продолжается тема многоканальных усилительных структур (МКУС) в УМЗЧ и реализации критериев отрицательной обратной связи (ООС). Она представляет собой логическое продолжение двух предыдущих публикаций [1, 2]. Здесь описана версия усилителя мощности класса D и рассмотрена специфика его применения в УМЗЧ на основе МКУС.
Как уже отмечалось в предыдущих публикациях, в частности в [3], усилители, в которых реализованы предельные параметры ООС, имеют малые нелинейные искажения, связанные в основном с особенностями монтажа. Именно ООС и является ключевым фактором, определяющим качественные характеристики УМЗЧ, однако во многих усилителях максимизация глубины ООС, минимизация времени реакции по петле ООС (ВРП ООС) реализованы недостаточно хорошо.
Если рассматривать эти два ключевых критерия, то с их реализацией в усилителях класса D дела обстояли до недавнего времени очень плохо. Причина - задержка в петле ООС на время, равное периоду тактовой частоты, и наличие LC-фильтра низких частот (ФНЧ) на выходе усилителя. Кроме того, относительно большим получается и коэффициент деления в цепи ООС, задающий усиление УМЗЧ. Это ведёт к тому, что точность и эффективность работы ООС в усилителе (как системе автоматического регулирования) далеки от достижимых пределов.
Следует отметить, что в последнее десятилетие популярность усилителей класса D заметно выросла, и во многом это обусловлено ростом качества этих усилителей при их высокой экономичности. Заметную роль в этом сыграли новая элементная база и схемотехника [4]. Это позволило улучшить действие ООС и, как следствие, качественные характеристики УМЗЧ в целом.
Надо заметить, что сама идея получения высококачественного усиления в усилителе класса D достаточно проблематична. Мощные импульсы тока и напряжения плохо соседствуют с малосигнальным входным каскадом. Радикально улучшить параметры именно самого усилителя, работающего в режиме класса D, очень сложно. Это связано с основным принципом работы такого усилителя.
Совсем другое дело, если параметры мощного усилителя класса D улучшать с помощью других усилителей в МКУС. В этом случае можно использовать упрощённые версии усилителей класса D. Хорошим вариантом здесь может быть автоколебательный на частоте переключения (Self-Oscillating) усилитель на основе контроллера ШИМ (PWM) IRS2092 [5]. Он имеет внешние цепи ОС и управляет мощными переключательными транзисторами (например, в сборке IRFI4019 [6]), осуществляя управление мощностью, подводимой к нагрузке, изменением скважности импульсов.
Существуют два принципиально разных варианта включения ООС в подобных усилителях. Первый - когда ООС снимается с выхода до ФНЧ, а второй - после фильтра. Принято считать, что ООС, не охватывающая выходной ФНЧ, более "правильная" [5]. Однако предпочтения именно по качеству звука обычно отдаются усилителям, в которых этот фильтр включён в петлю обратной связи.
Если проанализировать эффективность работы обратной связи, подключённой до ФНЧ, то окажется, что в точке подключения выше названные параметры находятся на относительно высоком уровне [5]. В основном это обусловлено значительным запасом усиления и относительно высоким быстродействием. Сам усилитель в этом случае представляет собой релаксационный генератор.
Однако весьма радужную картину здесь сильно портит именно выходной ФНЧ. Этот фильтр, выполненный с применением ферромагнитных материалов, находится вне петли ООС и проявляет заметную нелинейность. В дополнение к этому такой фильтр на частоте среза может проявлять резонансные свойства при повышенном импедансе нагрузки; в этом случае контроль сигнала на выходе усилителя ухудшается. Эффективность и точность работы ООС, охватывающей и выходной фильтр, становятся хуже вследствие вносимой фильтром задержки.
Частота переключения и сам режим автоколебаний в усилителях класса D находятся в зависимости от места подключения ОС. Быстродействующая ОС (взятая до выходного фильтра) может обеспечить высокую частоту переключения в усилителе. Если же цепь общей ОС подключена после фильтра, эта частота получается существенно ниже (в несколько раз).
Общая ООС, не охватывающая выходной фильтр, контролирует скважность сигнала, незначительно понижая тактовую частоту на больших амплитудах сигнала. В случае же охвата ФНЧ петлёй общей ООС скважность сигнала заметно изменяется, существенно понижая частоту переключения, особенно при больших индексах модуляции. При этом проявляются недостатки в виде пониженного быстродействия (из-за выходного ФНЧ) и ограничения усиления в петле, чтобы создать приоритет работы ПОС на частотах в сотни килогерц.
Итак, обобщив выше сказанное, можно подытожить, что целесообразно объединение достоинств этих двух вариантов ОС.
Уровень паразитных колебаний на выходе УМЗЧ класса D сильно зависит от частоты переключения. Из-за наличия выходного ФНЧ в виде реактивного звена второго порядка уровень сигнала на выходе типового УМЗЧ обратно пропорционален квадрату его частоты. Для усилителя класса D в составе МКУС важно, чтобы этот паразитный сигнал был как можно меньше - его проще подавить.
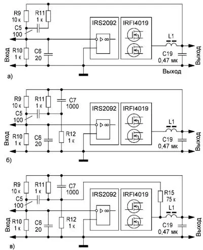
Быстродействие УМЗЧ класса D, выражаемое через ВРП ООС и принятое нами для анализа МКУС, существенно зависит от частоты переключения, поэтому важно иметь её более высокой. На рис. 1 приведены структурные схемы усилителей класса D для высокоомного источника сигнала с различными вариантами ОС применительно к выше упомянутой микросхеме IRS2092 и транзисторной сборке IRFI4019. Так, на рис. 1,а представлена структура УМ с ОС, охватывающей выходной фильтр, за которой закрепилась аббревиатура UcD. На рис. 1,б показана похожая структура ОС, но с дополнительной цепью ВЧ-коррекции, а на рис. 1,в - аналогичная ОС с дополнительным резистором ООС. Для удобства рассмотрения позиционные обозначения элементов в структурных схемах соответствуют тем, которые выполняют аналогичные функции в более полной принципиальной схеме узла МКУС.

Рис. 1. Структурные схемы усилителей класса D
На звуковых частотах (и на частоте среза выходного ФНЧ) сигнал с выхода усилителя (см. рис. 1 ,а) сильно ослабляется делителем R9R10, причём R9 >> R10. Однако на частотах выше 200 кГц ослабление сигнала, приходящего по петле ОС, незначительное, что связано с проходом ВЧ-сигнала через конденсатор ВЧ ОС C5. Этим создаются условия для режима генерации на частоте около 300 кГц. В данной версии ОС тактовую частоту заметно выше 300 кГц получить сложно.
Но эту ОС возможно дополнить ВЧ-фильтром R12C7 (см. рис. 1 ,б). Он пропускает сигналы частотой выше 400 кГц. На более низких частотах действует делитель напряжения R11R12, причём R11 ≈ R12. К этому фильтру и подключён конденсатор C5 ОС на ВЧ. Этим создаются приоритетные условия для режима генерации на частотах выше 400 кГц. Следовательно, в этом варианте ОС частота переключения близка к 450 кГц.
На рис. 1,в показана структура ОС, которая в целом аналогична структуре на рис. 1,б, но имеет дополнительный резистор ООС R15, который подключён до фильтра. Быстродействующая дополнительная ОС через резистор R15 ускоряет переключение мощных транзисторов выходного каскада, и при указанных номиналах элементов ОС тактовая частота достигает 600 кГц.
Также следует сказать о выборе напряжения питания усилителя мощности. Для усилителя класса D напряжение питания нужно выбрать немного больше максимальной амплитуды выходного напряжения ЗЧ, а контроль выходной амплитуды следует организовать в одном из предыдущих узлов так, чтобы ограничение сигнала в УМЗЧ не приводило к резким изменениям частоты генерации и индекса модуляции при перегрузке усилителя большим уровнем входного сигнала. Сам усилитель класса D при такой перегрузке будет продолжать работать в линейном режиме.
Итак, с учётом изложенных выше особенностей обсуждаемый усилитель класса D обладает отнюдь не предельными по качеству звуковоспроизведения техническими характеристиками. Но здесь главное то, что ООС в нём контролирует сигнал именно на выходе усилителя, а уровень побочных сигналов относительно мал. Поэтому такой усилитель класса D может быть дополнен другими усилителями (усилительными каналами) для достижения предельно высоких технических характеристик линейности.
Дополнительный корректирующий сигнал, поступивший от внешней управляющей ВЧ-структуры на вход мощного усилителя класса D, приходит существенно ослабленным. При таком техническом решении ООС не может эффективно управлять сигналом на выходе мощного усилителя класса D и тем самым не может полностью устранить его недостатки (в области частот выше 10 кГц). Это обусловлено глубинными проблемами самих усилителей класса D.

Рис. 2. Схема усилителя
Очень важно отметить, что получаемый таким образом усилитель может обладать весьма высокими параметрами ООС, т. е. иметь крайне малое ВРП ООС и допускать стопроцентную ООС на ВЧ. Соответственно подобный усилитель может быть применён как один из вариантов внешнего усилителя мощности (ВУМ) для УМЗЧ, опубликованного ранее в [1]. Примером такого решения может служить схема усилителя, показанная на рис. 2.
Продолжение следует
Литратура
1. Литаврин А. МКУС в УМЗЧ с биполярными и полевыми транзисторами (универсальная структура). - Радио, 2015, № 10, с. 12-16; № 11, с. 7-9.
2. Литаврин А. МКУС в усилителях с интегральными микросхемами мощных УМЗЧ (универсальная структура). - Радио, 2016, № 4, с. 13-18.
3. Литаврин А. МКУС в УМЗЧ с гиперглу-бокой ООС. - Радио, 2013, № 9, с. 8-12; № 10, с. 15-19; № 11, с. 8-10.
4. Игнатьев Ю. Улучшение параметров усилителя класса D на примере разработки автомобильного усилителя высокого класса. - Радио, 2016, № 1, с. 8-13; № 2, с. 29-34; № 3, с. 12-17.
5. IRS2092.PDF. - URL: http://www. alldatasheet.com/datasheet-pdf/pdf/ 202425/IRF/IRS2092.html (30.11.16).
6. IRFI4019.PDF. - URL: http://www. alldatasheet.com/datasheet-pdf/pdf/ 191073/IRF/IRFI4019H-1 17P.html (30.11.16).
Автор: А. Литварин, г. Березовский Кемеровской обл.
