История терроризма показывает, что самолеты очень уязвимы. Еще в 60-х годах ученые и инженеры начали искать способы обнаружения взрывчатых веществ до того, как они попали на борт самолета. 21 декабря 1988 небольшое количество пластиковой взрывчатки послужило причиной трагического взрыва рейса Pan American 103. В катастрофе погибли все 259 пассажиров и 11 жителей местечка Локерби в Шотландии. Тщательное расследование показало, что террористы спрятали бомбу внутри магнитофона, находящегося в чемодане, который был сдан в багаж. Очевидно, что даже тщательный ручной досмотр не смог бы выявить наличия взрывчатого вещества.
Катастрофа в Локерби стимулировала поиск новых технологий, с помощью которых стало бы возможно обнаружить взрывчатые вещества, спрятанные в багаже пассажиров. Через два года после трагедии с рейсом PanAm, в 1990 году, Конгресс США принял Акт о совершенствовании безопасности полетов, чтобы ускорить исследования и разработку технологий и процедур для противодействия терроризму. Данный законодательный акт призывал Федеральную администрацию по авиации (ФАА) финансировать разработку и создание систем обнаружения взрывчатых веществ (СОВВ), разработать сертифицированные стандарты для СОВВ, тесты и сертифицировать потенциальные СОВВ для возможного внедрения в практику. ФАА начала работу по созданию эффективных новых технологий.

На сегодняшний момент имеется ряд различных систем как уже используемых, так и только разрабатываемых, использующие такие типы отображения, как рентген, микроволновой голографии, акустического детектирования и т.д. Так, например, автоматические системы просвечивания (по принципу работы они схожи с томографами, применяемыми в медицине) для контрольных пунктов в аэропортах производят американские компании InVision Technologies и L-3 Communications Holdings. Детекторы взрывчатки выпускают компании Ion Track Instruments и Barringer Instruments.

Современные системы безопасности
Система | Используемая энергия | Излучение | Портативность |
Детектор твердых объектов | Акустическая | Активная | Мобильная |
Детектор металлических объектов | Магнитная | Активная | Переносимая |
Ручной детектор металлов | Магнитная | Активная | Мобильная |
Портал формирования изображения | Магнитная | Активная | Переносимая |
Формирователь изображения объемных тел | Магнитная | Активная | Стационарная |
Ферромагнитный детектор металла | Магнитная | Пассивная | Переносимая |
Локатор металлических объектов | Магнитная | Пассивная | Переносимая |
Микроволновая система диэлектрического контроля | Электромагнитная | Активная | Переносимая |
Микроволновая система формирования голофафического изображения | Электромагнитная | Активная | Переносимая |
Рентгеновская система формирования изображения | Электромагнитная | Активная | Переносимая |
Микроволновый радар | Электромагнитная | Активная | Переносимая |
Импульсный радар | Электромагнитная | Активная | Переносимая |
Миллиметровая/Террагерцовая система формирования изображения | Электромагнитная | Активная | Переносимая |
Миллиметровый радар | Электромагнитная | Активная | Ручной |
Электромагнитный импульсный детектор | Электромагнитная | Активная | Переносимая |
ММ система формирования изображения | Электромагнитная | Пассивная | Переносимая |
ИК система формирования изображения | Электромагнитная | Пассивная | Переносимая |
ММ/ИК система формирования изображения | Электромагнитная | Пассивная | Переносимая |
Аэропорты используют оборудование того и другого типа довольно давно, но сейчас потребность в нем существенно возросла - ужесточение мер безопасности предполагает проверку около миллиарда сумок и чемоданов ежегодно.



Необходимость в системах обнаружения взрывчатых веществ есть не только у аэропортов. Последние террористические акты показали целесообразность развития инфраструктуры безопасности для предотвращения новых форм терроризма. Правительственные здания, таможни, места скопления людей, спортивные арены, почтовые офисы и школы - все они являются потенциальными объектами, где новые технологии могут быть использованы для повышения безопасности.
Улучшенные технологии детектирования оружия критически необходимы, чтобы противостоять угрозе терроризма. К этому времени уже не целесообразно полагаться на такие системы контроля безопасности персонала как металлические детекторы и системы Рентгеновского излучение. Использование металлических детекторов недостаточно для обнаружения угрозы, которые могут нести пластиковые и жидкостные взрывчатые вещества, пластиковые или керамические оружие и ножи, также как традиционные металлическое оружие и ножи.

Отображение Рентгеновского излучения эффективно для контроля переносных предметов. Технология, которая допускает маломощное Рентгеновское излучение персонала, развивается, однако, это нельзя допускать из-за реальных или воспринятых угроз здоровью создаваемых ионизирующим Рентгеновским излучением.
В научно-исследовательской лаборатории "Радиотехнических устройств СВЧ и КВЧ диапазона" ведется разработка автоматической системы обнаружения оружия, взрывчатых, а также наркотических веществ, использующей собственные радиометрические излучения различных покровов и средств.

Характеристики собственного радиометрического излучения различных покровов и сред естественного и искусственного происхождения, в том числе и живых объектов, существенно зависят от их электрофизических параметров (диэлектрической проницаемости, термодинамической температуры, однородности и шероховатости поверхности и т.п.), а также условий наблюдения (диапазона частот, поляризации, углов наблюдения). Таким образом, радиояркостная температура излучения, характеризующая интенсивность собственного излучения в радиодиапазоне частот, может изменяться под действием различных факторов, что позволяет в ходе радиометрических измерений производить оценки параметров наблюдаемых объектов.

Одной из практических задач, потенциально решаемых с помощью радиотепловых методов наблюдений в диапазоне миллиметровых волн, является задача регистрации неоднородностей радиотеплового излучения тела человека, с целью выявления инородных предметов, находящихся (скрытых) на теле человека под одеждой.

При этом сама одежда в миллиметровом диапазоне длин волн (ММДВ) выступает в качестве прозрачного слоя с малым коэффициентом поглощения, что потенциально позволяет обнаруживать инородные предметы, невидимые другими средствами диагностики, например, традиционными датчиками оптического или инфракрасного диапазонов волн. Другим достоинством радиотепловых методов при решении задач наблюдения живых объектов является использование для диагностики чрезвычайно слабого собственного радиотеплового излучения человека без применения любых дополнительных внешних проникающих излучений, способных оказать вредное воздействие на организм, например, при измерении теплового температурного распределения внутренних органов человека.

В настоящее время в мире уже разработаны системы контроля использующие собственное радиотепловое излучение человека и способные формировать пассивные миллиметровые изображения.

Так, Тихоокеанская Северо-Западная Национальная Лаборатория, США (Pacific Northwest National Laboratory) – разработала широкополосную голографическую систему формирования изображения миллиметрового диапазона.
Лаборатория Startiger (Великобритания) создала систему формирования изображения, работающую с излучением в террагерцовом диапазоне частот.
Лаборатория Millivision (США) и ЗАО "НПП Текстиль Интернэшнл" (Россия) создали переносные пассивные радиометрические камеры миллиметрового диапазона.
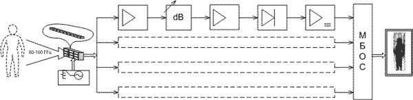
Предлагаемая радиометрическая система (РМС) является многоканальным приемником радиотеплового излучения ММДВ, в частности 3-мм диапазона.
Радиометрическая система состоит из следующих блоков:
- стойки аппаратурной;
- стойки измерительной;
- устройства визуализации (основная ЭВМ PC, обеспечивающая формирование радиотепловых изображений);
В свою очередь стойка измерительная состоит из:
- сканирующей антенны;
- блока управления антенной;
- приемника радиометрического многоканального;
- блока питания;
- блока управления и сбора информации.
РМС обеспечивает пространственную селекцию направлений в фиксированном секторе углов наблюдения, что позволяет оперативно формировать двумерные (растровые) радиотепловые изображения, для которых различия в интенсивности излучения различных фрагментов отображаются посредством измерения их яркости (цветового тона) по некоторой заранее заданной шкале.
Радиотепловое излучение принимается из окружающего пространства с помощью приемной антенны, обеспечивающей пространственную селекцию направления приема, после чего принятый сигнал преобразуется, усиливается, детектируется, осуществляется его временное усиление, преобразование к цифровому виду и к шкале радиояркостных температур, затем преобразованный сигнал вводится в устройство визуализации, где формируется радиотепловое изображение.
В результате выполнения этих процедур циклически, с временным периодом, соответствующем длительности цикла обзора поля наблюдения, формируется растровое изображение наблюдаемого объекта. Последовательные формируемые изображения синхронно обновляются на экране устройства визуализации.
Автор: Веретенников Игорь,
г. Минск, Беларусь
E-mail:igor@radioradar.net
