Усилитель в телевизионной приёмной антенне предназначен, главным образом, для увеличения чувствительности, ограниченную шумами, а во вторую очередь для компенсации потерь принимаемого сигнала в коаксиальном кабеле. Сами телевизоры обладают весьма большим запасом собственного усиления, т.е. имеют высокую чувствительность, ограниченную усилением. Несколько хуже у них чувствительность, ограниченная синхронизацией. И наконец, наиболее низкая – чувствительность, ограниченная шумами. Следовательно, фактором, определяющим дальний приём, следует принять уровень собственных шумов линейного тракта, а не коэффициент усиления.
Влияние шума оценивают по отношению сигнал/шум, минимальное значение которого принято равным 20. Для телевизоров третьего – пятого поколения чувствительность, ограниченная шумами, равна 50-100 мкВ. Однако при отношении сигнал/шум (с/ш) равном 20, наблюдаются плохое качество изображения и разборчивость только крупных деталей. Для получения изображения хорошего качества следует подать на вход телевизора полезный сигнал примерно в 4 раза больший, т.е. обеспечить отношение с/ш около 80.
Используемые в настоящее время кабели с волновым сопротивлением 75 Ом в зависимости от конструкции и качества диэлектрика имеют погонное затухание 0,07 - 0,18 дБ/м в метровом и 0,25 - 0,6 дБ/м в дециметровом диапазоне волн. При длине кабеля 2…4 м общее затухание может составлять 1,2 - 2,4 дБ. В связи с этим усилитель должен иметь коэффициент усиления порядка 3 дБ для типичных условий приема. К нему прибавляют запас в 12…14 дБ для усиления слабых сигналов, что необходимо из-за низкой эффективности широкополосных малогабаритных приёмных антенн.
Любой усилитель имеет собственные шумы, которые усиливаются вместе с полезным сигналом и ухудшают отношение сигнал/шум. Поэтому важнейшим параметром усилительного элемента следует считать его коэффициент шума Кш.
Для единой оценки шумов многокаскадного тракта существует показатель приведенного коэффициента шума Кш, который равен уровню шума на выходе, поделенному на общий коэффициент усиления, т.е. Кш = Кш.вых / КУ. Так как выходной уровень шума Кш.вых зависит в наибольшей степени от уровня шума первого транзистора, усиливаемого всеми последующими каскадами, шумами остальных каскадов можно пренебречь. Тогда Кш.вых= Кш1КУ, где Кш1 - коэффициент шума первого транзистора. Следовательно, получим Кш= Кш1, т.е. приведенный коэффициент шума усилительной части в основном определяется коэффициентом шума первого транзистора. Отсюда вытекает вывод - применение активной части может дать положительный результат тогда, когда коэффициент шума первого транзистора усилителя меньше коэффициента шума первого каскада телевизора. Коэффициент шума зависит также от качества согласования на входе усилителя и режима работы первого транзистора.
Частотный диапазон усилителя должен обеспечить усиление сигнала в полосе частот вещательного телевидения f = 48-790 МГц. Для увеличения динамического диапазона усилитель должен иметь отрицательную обратную связь.
В [1] рассмотрены принципы схемотехнического построения усилительных модулей для широкополосных активных антенн. Исследованы и приведены амплитудно-частотные и амплитудные характеристики модулей. Дан анализ перспектив развития активных модулей для всеволновых антенн.
На рисунке 1 [2] представлена схема однокаскадного усилителя с трансформаторным входом и открытым асимметричным выходом, обеспечивающим возможность дистанционной запитки усилительного модуля по сигнальному кабелю. Такая однокаскадная схема обладает высокой устойчивостью и легко каскадируется.

Рис.1. Однокаскадный усилитель
Точки возбуждения антенны подключаются непосредственно в балансное сечение трансформатора Тр1, который обеспечивает широкополосное согласование входа антенны с входом усилительного каскада. Усилительный элемент VT1 включен по схеме с общим эмиттером. Это позволяет реализовать большее полосовое усиление и лучшие шумовые свойства схемы сравнительно с другими вариантами включения. Эффекты влияния граничной частоты транзистора по крутизне на изменение коэффициента усиления и входного сопротивления в диапазоне рабочих частот компенсируются за счёт использования в схеме комбинированных частотно-зависимых обратных связей параллельного и последовательного типа. Параллельная обратная связь выполнена на элементах R3, C1, L1. Резистор R3 определяет согласование усилительного модуля в присоединительных стыках в метровом и нижней части дециметрового диапазона. В верхней части рабочего диапазона, где усиление спадает на 2-4 дБ, индуктивность L1 ослабляет действие этой обратной связи, выравнивая амплитудно-частотную характеристику (АЧХ). Конденсатор C1 обеспечивает развязку цепи обратной связи с контуром питания и одновременно формирует низкочастотный срез передаточной характеристики устройства. Цепь R4, C3 является элементом последовательной обратной связи по току, определяющей основные параметры каскада в малосигнальном режиме: резистор R4 задаёт номинальный коэффициент усиления каскада, а настройкой C3 регулируется подъём АЧХ в верхней части рабочего диапазона. Заданные параметры динамического диапазона обеспечиваются выбором типа транзистора и его режимом работы. В представленной схеме режим работы каскада по постоянному току задаётся R4 совместно с элементами базового делителя R1 и R2. Конденсатор С2 шунтирует R1 и обеспечивает асимметричность подключения Тр1 в схему модуля. Усилительный модуль, реализованный на среднемощном транзисторе третьего поколения, обеспечивает коэффициент усиления 15 дБ в полосе частот 40-800 МГц, коэффициент шума устройства не превышает 3,5 дБ, а динамический диапазон для телевизионных сигналов составляет 75 дБ. Снижение коэффициента шума и реализация большей линейности устройства возможны при использовании в схеме сложных активных элементов с каскодным включением либо при переходе к двухтранзисторным каскадам.
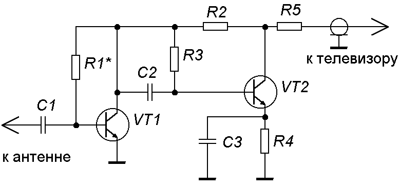
В [3] приведены две принципиальные схемы, представляющие собой двухкаскадный апериодический усилитель на биполярных транзисторах СВЧ, включенных по схеме с ОЭ (рис. 2).
Усилитель на рис. 2,а содержит два широкополосных каскада усиления на транзисторах VT1 и VT2. Сигнал с собственно антенны через согласующий трансформатор (на схеме не показан) и конденсатор С1 поступает на базу транзистора VT1, включенного по схеме с ОЭ.

Рис.2,а. Двухкаскадный усилитель
Рабочая точка транзистора задана напряжением смещения, определяемым резистором R1. Действующая при этом отрицательная обратная связь (ООС) по напряжению линеаризует характеристику первого каскада, стабилизирует положение рабочей точки, но уменьшает его усиление. Частотная коррекция в первом каскаде отсутствует. Второй каскад также выполнен на транзисторе по схеме с ОЭ и ООС по напряжению через резисторы R2 и R3, но имеет ещё и токовую ООС через резистор R4 в эмиттерной цепи, стабилизирующую режим транзистора VT2. Во избежание большой потери усиления резистор R4 зашунтирован по переменному току конденсатором С3, ёмкость которого выбрана относительно малой (10 пФ). В результате на нижних частотах диапазона емкостное сопротивление конденсатора С3 оказывается существенным и возникающая ООС по переменному току уменьшает усиление, корректируя тем самым АЧХ усилителя. К недостаткам такой схемы усилителя можно отнести пассивные потери в выходной цепи на резисторе R5, который включён так, что на нём падает как постоянное напряжение питания, так и напряжение сигнала.
Аналогично построен и усилитель на рис. 2,б , который также имеет два каскада, собранные по схеме с ОЭ. Он отличается от предыдущего усилителя лучшей развязкой по цепям питания через Г-образные фильтры L1 C6, R5 C4 и повышенным коэффициентом усиления за счёт наличия конденсатора С5 в цепи ООС (R3 C5 R6) второго каскада и переходного конденсатора С7 на выходе.

Рис.2,б. Двухкаскадный усилитель
В каскадах на транзисторах, включенных по схеме с ОЭ, наиболее велико влияние внутренних связей и емкостей переходов транзисторов. Оно проявляется в ограничении полосы пропускания и склонности усилителя к самовозбуждению, вероятность которого тем больше, чем выше коэффициент усиления. Для его оценки известно понятие порога устойчивости - предельного значения коэффициента усиления, при превышении которого усилитель превращается в генератор. В качестве мер повышения устойчивости можно предложить включение транзисторов по каскодной схеме с ОЭ-ОБ.
Каскодное включение транзисторов VT1 и VT2 (рис.3) позволяет реализовать хорошую однонаправленность и получить большую широкополосность усилительного модуля [1]. Это дает возможность отказаться от использования сигнальных обратных связей, стабилизирующих и корректирующих амплитудно-частотную характеристику а также входной и выходной импедансы звена. Здесь коэффициент передачи и присоединительные параметры схемы задаются режимно. Для уменьшения влияния паразитных индуктивностей общих выводов, снижающих коэффициент усиления каскада на верхних частотах, эмиттерные выводы входных танзисторов соединяются непосредственно с корпусом, а режим работы стабилизируется фиксированным током базы. Высокочастотный срез регулируется индуктивностью L1, включенной в коллекторную цепь оконечного транзистора.

Рис.3. Усилитель с каскодным включением VT
Диапазонная корректировка и стабилизация выходного сопротивления модуля производятся резистивно-емкостными цепями. Каскодная схема при реализации оптимального режима работы транзисторов позволяет получить пониженные интермодуляционные искажения.
При наличии антенны МВ-ДМВ, конструктивно выполненной в виде двух электрически не соединённых антенн возможно использовать усилительный модуль, который усиливает сигналы от каждой из них, суммирует и передаёт к ТВ-приёмнику по одному кабелю [4]. Питание усилителя подаётся по этому же кабелю. Принципиальная схема такого усилительного модуля изображена на рисунке 4. Он содержит два независимых канала усиления. Сигнал с антенны МВ поступает на контакты ХТ1, ХТ2, к которым подключен входной каскад канала МВ, собранного на транзисторах VT1, VT2 по схеме дифференциального усилителя. Это позволяет получить хорошее согласование с высокоомными антеннами, а также подавить синфазные помехи.

Рис.4. Усилитель с раздельными входами МВ и ДЦВ
На входе каскада установлены катушки L1, L2, устраняющие накопление зарядов статического электричества на некоторых антеннах, а также диоды VD1 – VD4, защищающие усилитель от грозовых разрядов. На транзисторе VT5 собран дополнительный усилительный каскад. Коэффициент передачи канала равен 15…20 дБ. Сигналы МВ проходят на кабель через фильтр НЧ L6 C19 L7 с частотой среза 250 МГц. Через этот же фильтр и дроссель L5 на канал приходит питающее напряжение с кабеля снижения. Кроме того, фильтр не пропускает сигналы ДЦВ.
Канал усиления ДМВ представляет собой два последовательно включенных однотипных усилительных каскада. Первый из них собран на транзисторах VT3, VT4 по схеме с гальванической связью, благодаря чему происходит автоматический выход на заданный рабочий режим и его поддержание при изменении температуры и питающего напряжения. На входе каскада установлен фильтр ВЧ C1 L3 C2 с частотой среза 450 МГц, который подавляет низкочастотные сигналы и помехи. Аналогичный фильтр ВЧ C21 L9 C22 на выходе второго каскада пропускает сигналы ДМВ и не пропускает сигналы МВ. Следовательно, фильтры на выходах каналов взаимно их развязывают. Катушка L4 обеспечивает согласование между каскадами канала ДМВ и коррекцию суммарной АЧХ. Общее усиление канала равно 32…36 дБ. Канал ДМВ питается через дроссель L8 с кабеля снижения. Усилительный модуль питается напряжением 12 В при токе не менее 70 мА.
Важно отметить, что модули с каскадно-цепочечной структурой обычно обеспечивают большую линейность передаточной характеристики, что связано, в первую очередь, с возможностью раздельной настройки каскадов (оптимизация передаточной характеристики, режимов согласования и параметров динамического диапазона), при которой пороги перегрузки наращиваются эстафетно и пропорционально увеличению коэффициента передачи.
Сравнительный анализ [1] технических решений и функционально-энергетических характеристик модулей показывает, что в качестве базовых структур при проектировании усилительных модулей для активных широкополосных антенн целесообразно выбирать схемы с цепочечным включением каскадов с комбинированными частотно-зависимыми обратными связями. Причем, в первом каскаде глубина обратной связи выбирается исходя из требуемого значения коэффициента шума и стабильности присоединительного импеданса. Режим работы и тип транзистора выходного каскада в основном определяются требуемой нагрузочной способностью модуля.
Источники
- УДК 621.375.029. Малевич И.Ю., Бирюк А.А., Кузьмичев И.И., Рыбаков С.А., Трусов В.В.. Усилительные модули для широкополосных активных антенн. Параметры, схемотехника, тенденции развития.
- Тезисы докладов 1-й Республиканской научно-технической конференции "Цифровое телевидение и радиовещание". Минск-Раубичи, 14-16 апреля 1999.
- Антенные усилители SWA / А. Пахомов. Радио №1, 1999.
- Активная антенна МВ–ДМВ / И. Нечаев. Радио №4, 1998.
Автор:sas
А.А. Ткаченко
г. Минск, Беларусь
