Основой предлагаемого мультиметра является микросхема 16-битного двухканального дельта-сигма аналого-цифрового преобразователя (АЦП) AD7705 [1].. Широко распространенные мультиметры на основе АЦП двойного интегрирования ICL7106 [2] обеспечивают отображение результата преобразования числом, не превышающим 1999, что соответствует, без учета знака, 11-битному АЦП, за вычетом 48 единиц счёта. В предлагаемом устройстве при использовании источника образцового напряжения (ИОН) напряжением 2,5 В максимальный результат преобразования отображается как десятичное число 249999999. В отличие от микросхемы ICL7106, микросхема AD7705 имеет возможность внешней калибровки. Оба АЦП требуют применения интегрального ИОН, но в дешевых мультиметрах на основе АЦП ICL7106 ИОН не используется.
В предлагаемом мультиметре используется трехпроводная схема измерения сопротивления [3, с. 76], которая позволяет расширить верхний предел измерения сопротивления от 2 МОм до 250 МОм.
В мультиметре осуществляется контроль напряжения питания. Элементы питания расположены в отдельном батарейном отсеке и заменяются или извлекаются для зарядки без вскрытия корпуса, как и плавкий предохранитель цепи шунта.
Измеряемое постоянное напряжение - до 1000 В перекрывается поддиапазонами с верхними пределами 0,2; 2; 200 и 1000 В. Постоянный ток имеет один диапазон измерения 10 А, при этом единица самого младшего разряда соответствует току 1 мкА. Напряжение переменного тока синусоидальной формы с частотой 45…400 Гц имеет один диапазон измерения 600 В. Интервал измеряемого электрического сопротивления - до 250 МОм перекрывается поддиапазонами с верхними пределами 250 Ом, 2,5 кОм, 25 кОм ,250 кОм, 2,5 Мом, 25 Мом и 250 МОм. Основная погрешность прибора, выраженная в процентах от верхнего предела установленного поддиапазона, не превышает: ± 0,5 % - во всём интервале измерения постоянного напряжения; ± 1,2 % во всём интервале измерения напряжения переменного тока; ± 3 % - во всем интервале измерения постоянного тока; ± 1 % во всем интервале измерения сопротивления. Напряжение питания мультиметра - 3,6 В. Потребляемый ток в режиме измерения сопротивления и с включенной подсветкой дисплея, - не более 100 мА. Масса с элементами питания - 170 г.

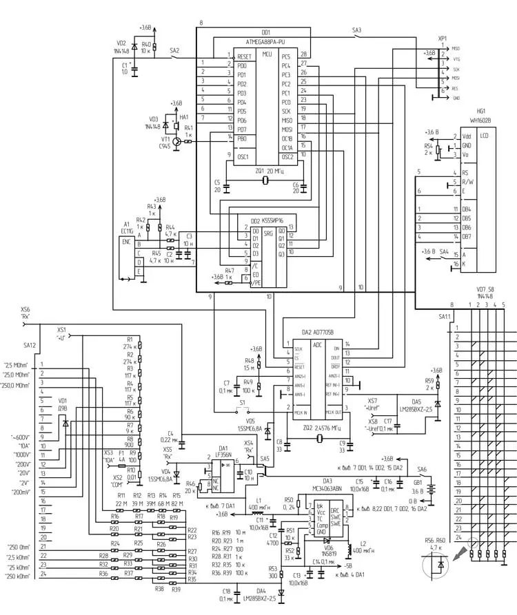
Рис. 1. Схема мультиметра

Рис. 2. Конструкцию мультиметра
Схема мультиметра показана на рис. 1. Основой измерительной части мультиметра является АЦП DA2. Управление режимами его работы и обработка результатов преобразования производится микроконтроллером DD1 ATMEGA88PA-PU, связанный с АЦП DA2 интерфейсом SPI по сигналу готовности DRDY, поступающему на вывод 25 (PC2) микроконтроллера DD1. Микросхемы DA2 и DD1 используют один общий источник сигнала сброса при включении питания прибора. ИОН (2,5 В) для АЦП DA2 собран на микросхеме DA5. Источником тактовых импульсов для АЦП DA2 может служить собственный генератор АЦП DA2 при наличии кварцевого резонатора ZQ2 с частотой 2,4576 МГц или 1,0 МГц, или таймер 1 микроконтроллера DD1, генерирующий тактовые импульсы с частотой следования 1,0 МГц, подключаемый к выводу 2 DA2 перемычкой S1.
Переключение пределов измерения производится секцией переключателя SA1.1. Секция переключателя SA1.2 совместно с диодами VD7-VD58 обеспечивают декодирование положений переключателя, включая незадействованные. Переключение видов измерения производится переключателем SA2. Все внешние измерения производятся через канал 1 АЦП DA2. В показанном на схеме положении подключен преобразователь сопротивление-напряжение (ПСН) на основе ОУ DA1 с высоким входным сопротивлением. ИОН минусовой полярности (–2,5 В) для ОУ DA1 собран на микросхеме DA4. Входы с высоким входным сопротивлением DA1 и DA2 дополнительно защищены TVS-диодами VD4 и VD5 соответственно от воздействия электростатических разрядов (ESD).
Источником напряжения –5 В для питания ОУ DA3 служит ШИ-преобразователь на микросхеме DA3, включенный по схеме инвертора полярности. Источником напряжения питания +3,6 В ОУ DA3 является батарея GB1. Напряжение на выходе ОУ DA3 в таком включении не превышает напряжения +2,5 В, таким образом, выходные каскады ОУ не перегружаются.
В нижнем по схеме положении переключателя SA2 производится измерение тока и напряжения, при этом ШИ-преобразователь DA3 , ОУ DA1 и ИОН DA4 обесточиваются. Резисторы делителя напряжения R1-R9 и шунт R10 находятся в общей цепи подобно измерительной цепи тестера Ц4317М, что упрощает коммутацию. Напряжение в эту цепь поступает непосредственно с гнёзд XS1 и XS2. Ток на шунт R10 поступает с гнёзд XS3 и XS2.
Напряжение батареи питание контролируется через второй канал АЦП DA2. Результаты измерения и другая информация выводится на ЖК-дисплей HG1. Прибор оборудован излучателем HA1, включенным в цепь коллектора транзистора VT1. Управление режимами осуществляется поворотным энкодером А1 с встроенной кнопкой. Подавление дребезга контактов энкодера производится ФНЧ R44C2 и R45C3, а также сдвиговым регистром DD2, что упрощает программную обработку сигналов энкодера. Программирование микроконтроллера DD1 производится через разъем XP1, при этом цепь сброса переключается DIP-переключателями SA2 и SA3.

Рис. 3. Расположение элементов на плате мультиметра


Рис. 4. Чертёж печатной платы устройства
Большинство элементов смонтировано на печатной плате размерами 70×98 мм, рис 4. Расположение элементов на плате показано на рис. 3. Диоды VD7-VD58 и резисторы R56-R60 смонтированы на макетной печатной плате размерами 20×80 мм, имеющей металлизированные отверстия, расположенные с шагом 2,54 мм. Остальные элементы смонтированы навесным монтажом на выводах переключателей SA1, SA4, SA5, SA6, гнезд XS1…XS8, и держателя предохранителя FU1. Гнезда XS1-XS6 - гнездо приборное ГИ4. Гнезда XS7, XS8 изготовлены самостоятельно из латуни и имеют диаметр внутреннего отверстия 2 мм. Переключатели S1.1 и S1.2 - галеты переключателя 1Н-4.880.001 от приборов Ц4317, Ц4317М или приборов более ранних моделей. Переключатели SA2 и SA3 - DIP-переключатели DS1040-01RN, но можно применить выключатели ВДМ1-2 или аналогичные импортные. Выключатели SA4 и SA4 - серии SWR-45. Переключатель SA2 - ПДМ2-1. Постоянные резисторы - МЛТ или импортные типоразмера MFR3 производства TT-electronics, за исключением резистора R10 - проволочного шунта и подстроечного резистора R46 серии 3266 или 3296 фирмы Bourns и подстроечного резистора R54 серии 3306 фирмы Bourns. Допуск резисторов R11-R39 должен быть не хуже ±0,5 %. В приборе использован комплект резисторов делителя напряжения и шунт мультиметра DT830. Оксидные конденсаторы С1, С11, С13, С15 - импортные, остальные - К10-17, КМ. Акустический излучатель HA1 - Universal passive buzzer electromagnetic impedance 16 ohms AC / 2KHz 3V. Дроссели L1 и L2 имеют тороидальный магнитопровод DT60-52 размерами 15,2x8,53x5,94 мм. На нём намотаны 85 витков провода ПЭТВ-0,2.
Конструкцию мультиметра поясняет рис. 2. Корпус мультиметра пластиковый G1189 производства GAINTA, и состоит из двух половин 1 и 2. На верхней половине 1 расположены дисплей 5, переключатель диапазонов 7, переключатель видов измерения 11, энкодер 12, и три гнезда 13, предназначенные для измерения сопротивления. На нижней половине спереди размещены гнезда "COM", "U" и "10 A". Также спереди расположены два гнезда 3 “+Uref” и “-Uref”, имеющие внутренний диаметр 2 мм, что позволяет использовать щупы импортных мультиметров для калибровки.
В нижней половине снизу расположены батарейный отсек 4, выключатели питания и подсветки дисплея 6, лючок переключателя 8 и крышка держателя предохранителя 9, крепящаяся двумя винтами 10. Эскиз фальшпанели показан на рис. 5. Внешний вид мультиметра показан на рис. 6.

Рис. 5. Эскиз фальшпанели

Рис. 6. Внешний вид мультиметра
Налаживание начинают с установки контрастности ЖК-дисплея с помощью подстроечного резистора R49. Для налаживания прибора в режиме измерения сопротивления необходимо установить переключатель SA2 в верхнее по схеме положение. Гнезда XS5 и гнездо XS8 необходимо соединить проводом мультиметра (с одной стороны- штекер диаметром 4 мм, с другой стороны - щуп диаметром 2 мм). С помощью подстроечного резистора R46 добиваются нулевого напряжения на выходе (выводе 6) ОУ DA1 относительно общего провода.
Для налаживания прибора в режиме измерения напряжения и тока необходимо установить переключатель SA2 в нижнее по схеме положение. В качестве источника образцового напряжения необходимо использовать ИОН на микросхеме DA5 (гнезда XS7, XS8). Для налаживания прибора в режиме измерения тока необходим внешний источник постоянного тока и образцовый амперметр или мультиметр в режиме измерения тока 10 А.
Для работы с прибором необходимо включить прибор выключателем SA6 и при необходимости подсветку дисплея выключателем SA4. Переключателем SA1 выбирается предел измерения, а переключателем SA2 - вид измерения. Вращением энкодера А1 в любую сторону выбирают один из следующих режимов работы:
- "Test after Res";
- "Normal mode" (однократное измерение в нормальном режиме);
- "Self calibr"(однократное измерение в режиме самокалибровки);
- "Zero-Scale"(калибровка нуля шкалы);
- "Full-Scale"(калибровка полной шкалы);
- "Zero-Scale Reg";
- "Full-Scale Reg ";
- "Self calibr cont" (непрерывное измерение в режиме самокалибровки );
- "Normal mode cont"( непрерывное измерение в нормальном режиме );
- "Supply Voltage".
Нажатием на кнопку энкодера A1 осуществляется вход в выбранный режим, при этом запуск преобразования или самотестирования АЦП начинается сразу. Выход из выбранного режима осуществляется вращением энкодера А1 в любую сторону, а при непрерывном измерении – повторным нажатием на кнопку энкодера, и далее вращением энкодера А1 в любую сторону. Запуск и конец преобразования сопровождаются коротким звуковым сигналом. Начинать измерения следует всегда с режима "Test after Res", при этом на дисплее появятся сообщения "Not ready", а по готовности АЦП появится надпись "OK, go on". Далее до выключения прибора пользоваться этим режимом можно факультативно.
Далее рекомендуется произвести калибровку нуля и полной шкалы. Калибровка нуля в режиме измерения сопротивления производится замыканием всех гнезд XS4, XS5, XS6 накоротко, а в режиме измерения напряжения/тока - замыканием гнезд XS1, XS2 соответствующими измерительными проводами, с помощью которых будет производиться измерение.
Затем необходимо выбрать режим "Zero-Scale"и запустить преобразование. Результат преобразования заносится в регистр "Zero-Scale", при включении прибора - 1F4000 HEX. Калибровка полной шкалы в режиме измерения сопротивления производится замыканием гнезд XS5, XS6 накоротко, а в режиме измерения напряжения/тока - замыканием гнезд XS1, XS7 и XS2, XS8 попарно соответствующими измерительными проводами, с помощью которых будет производиться измерение.
Результат преобразования заносится в регистр "Full-Scale Reg", при включении прибора - 5761AB HEX. После этого необходимо выбрать режим "Normal mode" и произвести измерение.
Также можно пользоваться режимом "Self calibr", но при этом содержимое регистров калибровки обновится. Таким образом, перед началом использования режимов "Normal mode" и "Normal mode cont" необходимо производить калибровку.
В режимах "Self calibr" и "Normal mode" измерение производится однократно при каждом нажатии на кнопку энкодера, при этом результат преобразования сохраняется на дисплее до следующего измерения.
В режимах"Self calibr cont" и "Normal mode cont" результаты отдельных измерений накапливаются в буфере 64х16, организованном как однонаправленный стек, при этом на дисплее отображается результат усреднения 64 последних отдельных измерений, накопленных в буфере, а обновление показаний на дисплее происходит после каждого отдельного измерения.
Режим контроля напряжения питания "Supply Voltage" можно активизировать в любой момент, при любом положении переключателей SA1 и SA2. Так же можно просмотреть содержимое регистров калибровки "Zero-Scale Reg" и "Full-Scale Reg ", а также убедиться в готовности АЦП входом в режим "Test after Res".
Файлы схем .hex, .asm, .eep находятся здесь.
Литература
1. 3 V/5 V, 1 mW 2-/3-Channel 16-Bit, Sigma-Delta ADCs AD7705/AD7706.
2. ICL7106, ICL7107, ICL7106S, ICL7107S 3 1/2 Digit, LCD/LED Display, A/D Converters.
3. Гутников В. С. Интегральная электроника в измерительных устройствах. - Л. Энергоатомиздат, 1988.
Автор: Молоков Дмитрий
