Высокочастотные поля (ВЧ-поля) – это электромагнитные колебания в диапазоне 100 000 – 30 000 000 Гц. Традиционно в этот диапазон включаются короткие, средние и длинные волны. Есть еще ультра- и сверхвысокочастотные волны.
Другими словами – ВЧ-поля, это те электромагнитные излучения, с использованием которых работает подавляющая часть окружающих нас приборов.
Индикатор ВЧ-поля позволяет определить наличие этих самых излучений и наводок.
Принцип работы его очень прост:
1.Необходима антенна, способная принимать сигнал высоких частот;
2.Принятые магнитные колебания преобразуются антенной в электрические импульсы;
3.Оповещение пользователя производится удобным для него способом (простым горением светодиодов, шкалой, соответствующей какому-либо ожидаемому уровню мощности сигнала, или даже цифровыми или жидкокристаллическими дисплеями, а также звуком).
Для каких случаев может понадобиться индикатор ВЧ ЭМ поля:
1.Определение наличия или отсутствия нежелательного излучения на рабочем месте (облучение радиоволнами может оказывать губительное воздействие на любой живой организм);
2.Поиск проводки или даже следящих устройств ("жучков");
3.Оповещение о состоявшемся обмене данными с сетью сотовой связи на мобильных телефонах;
4.И другие цели.
Итак, с целями и принципом работы все более-менее ясно. Но как же собрать такое устройство своими руками? Ниже приведем несколько простых схем.
Самая простейшая

Рис. 1. Схема индикатора
На изображении видно, что в составе по факту только два конденсатора, диода, одна антенна (подойдет металлический или медный проводник длиной 15-20 см) и милиамперметр (как самый недорогой – любой шкальный).
Чтобы определить наличие поля достаточной мощности необходимо поднести антенну к источнику ВЧ-излучения.
Амперметр можно заменить светодиодом.
Чувствительность указанной схемы сильно зависит от параметров диодов, поэтому их необходимо подбирать под заданные требования к обнаруживаемому излучению.
Если вам требуется обнаружить ВЧ-поле на выходе какого-либо прибора, то вместо антенны следует использовать простой щуп, который может подключаться к выводам техники гальванически. Но в этом случае необходимо позаботиться заранее о безопасности цепи, ведь выходной ток может пробить диоды и вывести узлы индикатора из строя.
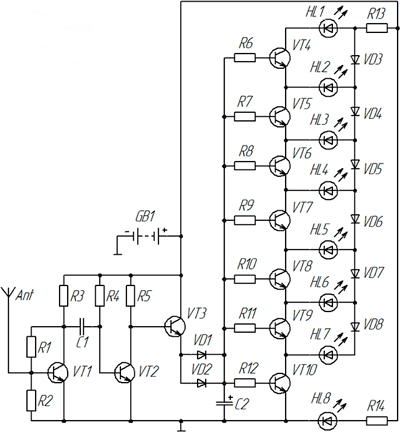
Схема с индикацией уровня ВЧ-поля на светодиодах
Если вам требуется небольшое портативное устройство, способное весьма наглядно продемонстрировать наличие и относительную мощность ВЧ сигнала, то вам определенно будет интересна следующая схема.

Рис. 2. Схема с индикацией уровня ВЧ-поля на светодиодах
Этот вариант будет заметно чувствительнее своего аналога из первого рассмотренного случая благодаря встроенному усилителю на транзисторах.
Питается схема от обычной "кроны" (или любая другая батарея на 9 В), шкала загорается по мере усиления сигнала (светодиод HL8 сигнализирует о том, что прибор включен). Этого позволяют добиться транзисторы VT4-VT10, которые работают как ключи.
Монтаж схемы может быть осуществлен даже на макетной плате. И в этом случае ее габариты могут вписаться в 5*7 см (даже вместе с антенной, схема таких размеров даже в жестком корпусе и с батареей легко поместится в кармане).
Конечный результат, например, будет выглядеть следующим образом.

Рис. 3. Устройство в сборе
Задающий транзистор VT1 должен быть достаточно чувствительным к ВЧ-колебаниям и поэтому на его роль подойдет биполярный КТ3102ЕМ или аналогичный.
Все элементы в схеме в таблице.
Таблица
Тип элемента | Обозначение на схеме | Кодировка/номинал | Кол-во |
Диод Шоттки | VD1 | 1N5818 | 1 |
Выпрямительный диод | VD2-VD8 | 1N4001 | 7 |
Биполярный транзистор | VT1 | КТ3102ЕМ | 1 |
Биполярный транзистор | VT2-VT10 | 2N3904 | 9 |
Сопротивление | R1, R4 | 1 Мом | 2 |
Сопротивление | R2 | 470 кОм | 1 |
Сопротивление | R3, R5 | 10 кОм | 2 |
Сопротивление | R6-R12 | 1 кОм | 7 |
Сопротивление | R13-R14 | 300 - 680 Ом | 2 |
Керамический конденсатор | C1 | 1 - 10 нФ | 1 |
Электролитический конденсатор | C2 | 10 - 22 мкФ | 1 |
Светодиод | HL1-HL8 | 2...3 В, 15...20 мА | 8 |
Индикатор со звуковой сигнализацией на операционных усилителях
Если вам нужно простое компактное и одновременно эффективное устройство для обнаружения ВЧ-волн, которое легко оповестит вас о наличии поля не светом и не стрелкой амперметра, а звуком, то схема ниже для вас.

Рис. 4. Схема индикатор со звуковой сигнализацией на операционных усилителях
Основа схемы – операционный усилитель средней точности КР140УД2Б (или аналог, например, CA3047T).
Автор: RadioRadar
