Генераторы тактовых импульсов (ГТИ) – это своего рода задающие механизмы в большинстве сложных цифровых схем. На выходе ГТИ формируются повторяющиеся с определенной частотой электрические импульсы. Чаще всего они имеют прямоугольную форму. На основе этих колебаний синхронизируется работа всех включенных в устройство цифровых микросхем. За один такт выполняется одна атомарная операция (т.е. неделимая, та, которую нельзя выполнить или не выполнить частично).
Сгенерировать импульсы напряжения можно с различной степенью точности и стабильности. Но чем требовательнее схема к задающей частоте, тем точнее и стабильнее должен быть генератор.
Наиболее распространены:
1.Классические (аналоговые) генераторы. Они просты в сборке, но имеют низкую стабильность или генерируют не совсем прямоугольные импульсы. В качестве простейшего примера – LC-контуры или схемы на их основе.
2.Кварцевые (на основе кристаллов кварца). Здесь кварц выступает в качестве высокоизбирательного фильтра. Схема отличается высокой степенью стабильности и простотой сборки.
3.На основе программируемых микросхем (таких как Arduino). Решения тоже формируют стабильные импульсы, но в отличие от кварцевых могут управляться в заданных диапазонах и формировать сразу несколько опорных частот.
4.Автогенераторы. Это управляемые ГТИ, работающие преимущественно с современными процессорами, чаще всего интегрируются непосредственно в кристалл.
Таким образом, на роль стабильных генераторов прямоугольных импульсов в схемотехнике подходят:
- Кварцевые
- И программируемые (на основе программируемых микросхем).
Отдельно стоит упомянуть схемы классических одно- и мультивибраторов, работающих с применением логических элементов. Такой класс ГТИ однозначно может применяться в цифровых схемах, так как способен формировать стабильную частоту.
Кварцевый генератор повышенной стабильности
Один из примеров реализации.

Рис. 1. Схема кварцевого генератора
Схема строится на основе кварцевого резонатора и КМОП инвертора по принципу генератора Пирса.
За повышение стабильности отвечают конденсаторы увеличенной емкости Ca и Cb.
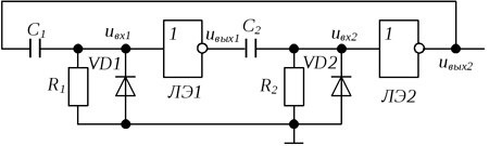
Мультивибраторы на основе логических элементов
Простейшая схема мультивибратора выглядит так.

Рис. 2. Схема мультивибратора
Фактически это колебательный контур на основе конденсаторов и сопротивлений. Логические элементы позволяют отсечь плавные фронты увеличения и снижения напряжения при заряде/разряде конденсатора в колебательном контуре.
График формирования напряжений будет выглядеть следующим образом.

Рис. 3. График формирования напряжений
За длительность импульса отвечает конденсатор C1, а за паузу между импульсами – C2. Крутизна фронта зависит от времени реакции логического элемента.
Обозначенная схема имеет один недостаток – возможен режим самовозбуждения.
Чтобы исключить этот эффект применяется еще один дополнительный логический элемент (смотри схему ниже – ЛЭ3).

Рис. 4. Схема мультивибратора
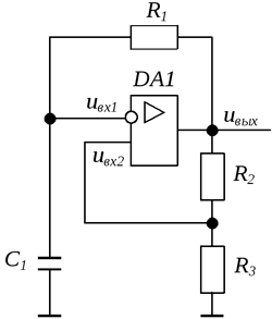
Генераторы на операционных усилителях
Тот же колебательный контур, но с интеграцией ОУ будет выглядеть так.

Рис. 5. Схема колебательного контура
График формирования импульсов на его выходе.

Рис. 6. График формирования импульсов на его выходе
Упомянутая выше схема формирует импульсы, время которых равно времени паузы, что не всегда должно быть так.
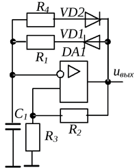
Внести асимметрию в частоту генерации можно следующим образом.

Рис. 7. Схема генератора импульсов
Здесь время импульсов и паузы между ними определяют различные номиналы резисторов.
Генератор на основе NE555
Микросхема NE555 – это универсальный таймер, способный работать в режиме мульти- или одновибратора.
Существует множество аналогов этой микросхемы: 1006ВИ1, UPC617C, ICM7555 и др.
Один из простых вариантов построения генераторов стабильных прямоугольных импульсов с возможностью подстройки частоты можно увидеть ниже.

Рис. 8. Вариант схемы генератора стабильных прямоугольных импульсов
Здесь в схему включаются различные конденсаторы (C1, C2, C3, их может быть и больше), и подстроечные резисторы (R2,R3, а R4 отвечает за уровень выходного тока).
Формула расчета частоты выглядит следующим образом.

Генератор на основе Arduino мы рассмотрим в отдельной статье.
Автор: RadioRadar
