Первая часть статьи будет посвящена особенностям конструкции шасси M36, вторая часть ремонту телевизоров.
На ТВ шасси М36 выпускаются телевизоры цветного изображения "Horizont 25EF05/25E06/25E07/ 29EF05/29EF06/29E07", "Schneider 25E06/29EF06". Модели телевизоров с индексом "F" в названии имеют плоский кинескоп типа REAL FLAT.
Телевизоры предназначены для приема радиосигналов и воспроизведения изображения и звукового сопровождения телевизионных передач по стандартам вещательного телевидения D/K и В/G и системам цветности SECAM, PAL, NTSC-4,43/3,58 (последнюю - только c НЧ входа).
Кроме того, телевизоры позволяют принимать сигналы телетекста, обеспечивают дистанционное управление с помощью пульта дистанционного управления (ПДУ) через экранное меню.
Для подключения внешних бытовых видео- и аудиоустройств во всех моделях установлены разъемы типов SCART, RCA и S-VHS.
Для питания телевизоров используется бытовая сеть напряжением 150...253 В частотой 50 Гц. При этом потребляемая мощность моделей с кинескопом 25 дюймов составляет не более 100 Вт, а моделей с кинескопом 29 дюймов - не более 110 Вт.
Особенности шасси М36
Структурная схема шасси М36 приведена на рис. 1.

Рис. 1. Структурная схема телевизоров на шасси М36
Основой шасси служит телевизионный процессор IC201 типа VCT3831A фирмы MICRONAS. Микросхема выполняет функции ТВ микроконтроллера видеопроцессора. Цифровой видеопроцессор осуществляет обработку сигналов видео и цветности в цифровом виде и формирование сигналов управления развертками.
Микроконтроллер обеспечивает управление функциональными узлами и блоками телевизора, а также реализует функции экранного меню (генератор OSD) и декодера телетекста. Микроконтроллер содержит следующие узлы:
- кварцевый генератор частоты 20,25 МГц;
- интерфейс шины I2C;
- 8-битное процессорное ядро 10 МГц (65СО2);
- 96 К х 8 бит ПЗУ;
- 1 К х 8 бит ОЗУ;
- 16-уровневый контроллер прерываний;
- два 16-разрядных регистра;
- таймер защиты;
- 14-битный ШИМ;
- четыре 8-битных ШИМ;
- 10-битный АЦП с мультиплексным входом 15:1.
Назначение выводов микросхемы VCT3831A приведено в табл. 1.
Таблица 1. Назначение выводов микросхемы VCT3831A
Номер вывода | Наименование сигнала | Описание | |
1 | KEY | Вход подключения клавиатуры | |
2 | AV1 | Выход сигнала переключения НЧ входа (не используется) | |
3 | VSUPP1 | Напряжение питания 5 В | |
4 | GNDP1 | "Земля" | |
5 | STAT1 | Выход сигнала приоритетного режима AV | |
6 | VT | Выход ШИМ сигнала настройки частоты тюнера | |
7 | BAND1 | Выход сигнала включения диапазона 1 тюнера | |
8 | SYS | Выход сигнала стандарта вещания (не используется) | |
9 | AFT | Вход сигнала АПЧГ | |
10 | BAND2 | Выход сигнала включения диапазона 2 тюнера | |
11 | VOUT | Выход ПЦТС | |
12 | VRT | Опорное напряжение высокого уровня (для видео АЦП) | |
13 | SGND | "Земля" аналогового входа | |
14 | GNDAF | "Земля" схемы обработки входных аналоговых сигналов | |
15 | VSUPAF | Напряжение питания схемы обработки входных аналоговых сигналов 5 В | |
16 | CBIN | Вход компонентного сигнала цветности СВ (B-Y) | |
17 | CIN1 | Вход сигнала поднесущей цветности 1 (S- видео) | |
18 | CIN2/CRIN | Вход сигнала поднесущей цветности 2 (S- видео)/вход компонентного сигнала цветности CR (R-Y) | |
19 | VIN 1 | Входы аналоговых видеосигналов 1-4 | |
20 | VIN 2 | ||
21 | VIN 3 | ||
22 | VIN 4 | ||
23 | TEST | Тестовый вход (должен быть подключен к "земле") | |
24 | HOUT | Выход строчных импульсов запуска | |
25 | VSUPD | Напряжение питания 5 В для цифровой части | |
26 | GNDD | "Земля" цифровой части | |
27 | FBLIN | Вход быстрой коммутации Fb | |
28 | RIN | Вход аналогового сигнала RGB | |
29 | GIN | ||
30 | BIN | ||
31 | VPROT | Вход защиты кадровой развертки (уровень КИОХ - 2,5 В) | |
Номер вывода | Наименование сигнала | Описание |
32 | SAFETY | Вход защиты |
33 | HFLB | Вход СИОХ |
34 | VERT0 | Выход дифференциального кадрового пилообразного сигнала |
35 | VERT | |
36 | EW | Выход сигнала коррекции E-W |
37 | SENSE | Вход АЦП схемы автоматического баланса белого (АББ) |
38 | GNDM | "Земля" |
39 | RSW1 | Выход сигнала переключения диапазона 1 АЦП схемы АББ |
40 | RSW2 | Выход сигнала переключения диапазона 2 АЦП схемы АББ |
41 | SVMOUT | Выход сигнала модуляции скорости строчной развертки (не используется) |
42 | ROUT | Выход аналогового сигнала RGB |
43 | GOUT | |
44 | BOUT | |
45 | VSUPAB | Напряжение питания 5 В схемы выходных аналоговых сигналов |
46 | GNDAB | "Земля" |
47 | VRD | Фильтр опорного напряжения ЦАП |
48 | XREF | Вывод опорного резистора выходного тока ЦАП |
49 | AIN3 | Входы аналоговых аудиосигналов |
50 | AIN2 | |
51 | AIN1 | |
52 | AOUT2 | Выходы аналоговых аудиосигналов |
53 | AOUT1 | |
54 | VSUPS | Напряжение питания дежурного режима |
55 | GNDS | "Земля" |
56 | XTAL1 | Вход кварцевого генератора 20,25 МГц |
57 | XTAL2 | Выход кварцевого генератора 20,25 МГц |
58 | RESET | Вход/выход сигнала сброса (активный - низкий уровень) |
59 | SCL | Сигнал синхронизации шины I2C (SCL) |
60 | SDA | Сигнал данных шины I2C (SDA) |
61 | GAME | Не используется |
62 | REMOTE | Вход сигнала дистанционного управления от фотоприемника |
63 | STB | Выход сигнала переключения режимов телевизора дежурный/рабочий (уровень - высокий/низкий) |
64 | VOL | Не используется |
Кроме микроконтроллера в состав схемы управления входят энергонезависимая память IC202, фотоприемник IR001, кнопки передней панели и ПДУ.
Энергонезависимая память реализована на микросхеме EEPROM IC202 типа 24С16.
IC201 содержит встроенный декодер телетекста, который обеспечивает прием и декодирование сигналов телетекста, передаваемых в течение нескольких строк во время обратного хода по кадру. Цифровые данные телетекста и сигналы синхронизации выделяются из ПЦТС. Страницы телетекста, выделенные схемой приема, записываются в 10-страничное ОЗУ и декодируются. Данные телетекста и OSD выводятся на экран телевизора с помощью блока дисплея, который, используя ПЗУ, формирует сигналы R, G, B и Fb и подает их на коммутатор видеопроцессора.
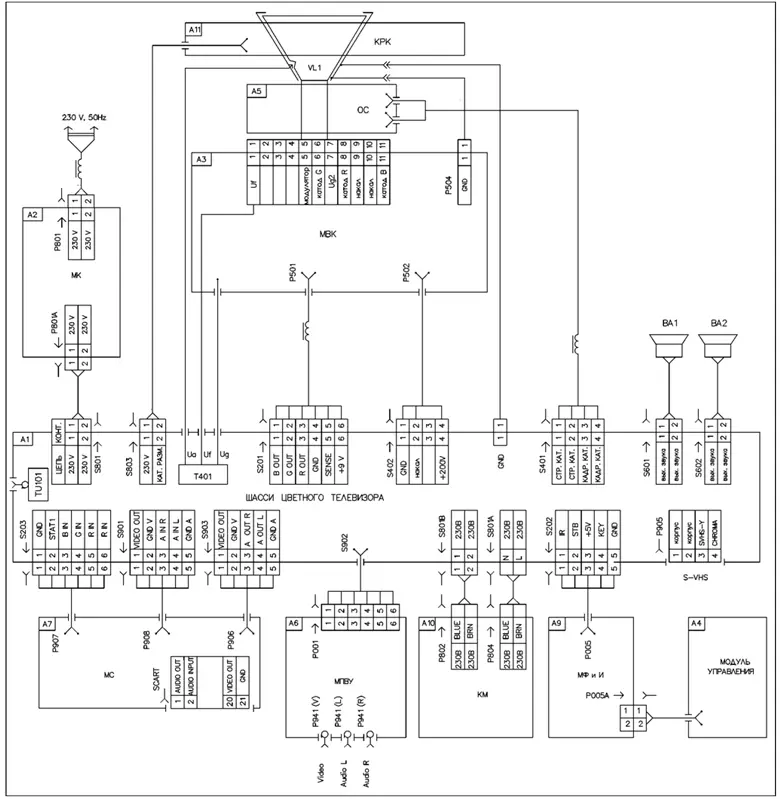
Рассмотрим принципиальную электрическую схему шасси М36. Она приведена на рис. 2.
Описание принципиальной электрической схемы
Радиоканал
Микроконтроллер в составе IC 201 (VCT3831A) управляет настройкой тюнера TU201. Диапазоны переключаются сигналами с выв. 7 и 10, а частота в каждом диапазоне перестраивается сигналом ШИМ с выв. 6 IC 201. Схема на транзисторе Q210 с интегрирующей цепью на элементах R255, C242, R256, C101, R101 и C102 преобразует ШИМ сигнал в напряжение настройки 0,3...33 В. Схема питается от источника питания через стабилизатор 33 В на элементах R839, C836, D834.
Тюнер TU201 выбирает необходимый ТВ канал в соответствии с напряжением настройки. Если в процессе настройки сигнал синхронизации и сигнал точной автоматической настройки не поступают в микроконтроллер,то функция автоматической настройки не работает. Во время автонастройки на выв. 18 IC101 формируется ПЦТС и поступает на выв. 19 IC 201. Если схема опознавания сигнала строчной синхронизации в составе IC201 определила наличие строчных СИ, и сигнал опознавания поступил на микроконтроллер, он автоматически снижает скорость настройки и включает схему АПЧГ для точной настройки. Сигнал точной автоматической настройки с выв. 2 IC101 подается на выв. 9 IC 201. Микроконтроллер обеспечивает точную настройку на канал в соответствии с этим напряжением. Таким образом реализуется точная настройка. Все необходимые данные по настройке записываются микроконтроллером в энергонезависимую память IC 202 (24С16).
Тракт ПЧ
Сигнал ПЧ с выв. 11 тюнера TU101 подается на усилительный каскад на транзисторе Q101, который усиливает сигнал ПЧ для компенсации потерь в фильтре ПАВ. Сигналы ПЧ изображения и звука разделяются видео- и аудиофильт-рами ПАВ Z101 и Z102. С выхода фильтра Z101 сигнал ПЧ изображения подается на вход УПЧИ в составе IC101 (выв. 4, 5), а с выхода фильтра аудио Z102 - на вход УПЧЗ квазипараллельного канала (выв. 7 IC101). Сигнал ПЧ изображения усиливается схемой УПЧИ и поступает на видеодемодулятор. Опорный сигнал демодулятора формируется генератором в составе IC101 (М52760БР) с внешним опорным контуром Т101. Схема АРУ поддерживает постоянный уровень выходного видеосигнала путем автоматической регулировки усиления тюнера и УПЧИ. Порог схемы АРУ тюнера регулируется потенциометром VR102. Назначение выводов микросхемы IC101 (M52760SP) приведено в табл. 2.
Полный видеосигнал на выходе демодулятора усиливается предварительным усилителем в составе IC101, снимается с выв. 18 и через эмиттерный повторитель на транзисторе Q104, режекторные фильтры звуковой поднесущей Z104, Z105 и эмиттерный повторитель на транзисторе Q103 подается на вход коммутатора видеосигналов - выв. 19 IC201. Этот же сигнал чрез согласующий каскад на транзисторе Q903 подается на разъемы SCART и RCA для внешних устройств. Сигнал 2-й ПЧ (QIF) с выв. 13 IC101 подается на звуковой процессор IC901.
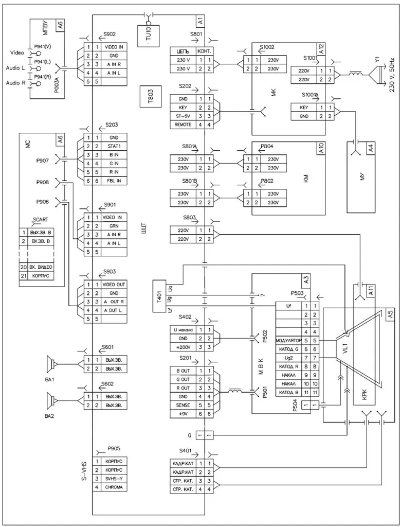
Тракт звуковой частоты
Тракт звуковой частоты на шасси М36 реализован на основе звукового процессора IC901 типа MSP 3465G и двухканального усилителя мощности IC602 типа TDA8944.
Процессор MSP3465G обрабатывает аналоговый звуковой сигнал в любом телевизионном стандарте, а цифровой - в стандарте NICAM. Сигнал 2-й ПЧ через ВЧ фильтр на элементах С944, С945 и L902 поступает на выв. 47 IC901.
Таблица 2. Назначение выводов микросхемы M52760SP
Номер вывода | Наименование сигнала | Описание |
1 | RF AGC DELAY | Регулировка задержки АРУ |
2 | AFT OUT | Выход сигнала АПЧГ |
3 | RF AGC OUT | Выход сигнала АРУ |
4 | VIF IN | Вход сигнала ПЧ видео |
5 | VIF IN | |
6 | GND | "Земля" |
7 | QIF DET IN | Вход сигнала ПЧ аудио |
8 | IF AGC FILTER | Фильтр АРУ аудио |
9 | NFB | Фильтр усилителя звукового сигнала |
10 | AUDIO OUT | Выход звукового сигнала |
11 | LIMITER IN | Вход внешней 2-й ПЧ звука |
12 | AFT SW/NPSW | Не используется (заземлен) |
13 | QIF OUT | Выход 2-й ПЧ звука (QIF) |
14 | VCC | Напряжение питания 5 В |
15 | VCO COIL | Катушка опорного контура |
16 | VCO COIL | Катушка опорного контура |
17 | VREG OUT | Напряжение питания 5 В |
18 | VIDEO OUT | Выход ПЦТС |
19 | APC FILTER | Фильтр АПЧГ |
20 | EQ F/B | Не используется |
Сигнал 2-й ПЧ усиливается схемой УПЧЗ, преобразуется в цифровую форму и демодулируется мультистандартным демодулятором звука. При приеме стереозвука осуществляется декодирование стереосигналов. Полученные аудиосигналы в цифровой форме поступают на цифровую коммутирующую матрицу аудиосигналов. Стереосигналы с разъемов SCART и RCA от внешних устройств подаются на входы аналогового коммутатора звуковых сигналов (выв. 39, 40 и 41, 42 IC901). На выходе коммутатора выбранный звуковой сигнал преобразуется в цифровую форму и подается на коммутирующую матрицу. С одних стереовыходов матрицы нерегулируемые аудиосигналы после преобразования в аналоговую форму через выв. 30, 31 подаются на разъемы SCART и RCA для внешних устройств. С других выходов матрицы моно- или стереосигналы проходят через схемы регулировок громкости, НЧ и ВЧ тембров, преобразуются в аналоговую форму и через выв. 24, 25 подаются на входы двухканального усилителя мощности IC602 (выв. 8, 9), реализованного по мостовой схеме. Усилитель TDA8944 с мостовой нагрузкой (BTL) и выходными каскадами на транзисторах структуры п-р-п способен передать пиковый ток до 2 А. Динамические громкоговорители подключены к выходам усилителя - выв. 1, 4 и 14, 17 IC602. На элементах Q601, Q602, Q705 реализована схема, которая формирует на выв. 10 IC 602 управляющий сигнал для переключения режимов работы микросхемы и устранения щелчков при включении и выключении телевизора и переключении программ. Схема управляется сигналом с выв. 63 IC201.
В дежурном режиме на выв. 10 TDA8944 формируется высокий потенциал (не менее VCC-0,5 В). При этом уровень потребляемого тока очень мал, выходные сигналы блокируются. В рабочем режиме на выв. 10 IC602 формируется низкий потенциал (менее 0,5 В).
Тракт обработки видеосигнала и сигналов цветности
Полный видеосигнал с радиоканала поступает на вход коммутатора видео (выв. 19 IC201). На другие входы коммутатора подаются видеосигналы CVBS (выв. 20, 21) с разъемов, а также SCART и RCA и сигналы Y+С c разъема S-видео (выв. 17, 22). В зависимости от выбранного через экранное меню источника коммутатор подключает соответствующий видеосигнал, который с помощью АЦП преобразуется в цифровую форму и подается в яркостной канал, в канал цветности и на схему селекции синхроимпульсов и синхронизации. Дальнейшая обработка, управление и регулировка сигналов производится в цифровом виде. Разделение яркостного сигнала и сигнала цветности систем PAL/NTSC производится адаптивным 2Н-гребенчатым фильтром. В яркостном канале осуществляется режекция цветовой поднесущей, задержка яркостного сигнала, коррекция частотной и импульсной характеристик канала в зависимости от регулировки четкости. Сигнал цветовой поднесущей выделяется из полного видеосигнала цифровым полосовым фильтром (в системах PAL/NTSC) или фильтром коррекции ВЧ предыскажений (в системе SECAM), усиливается и демо-дулируется мультисистемным декодером цветности. Схема опознавания автоматически определяет систему цветности принимаемого сигнала и устанавливает требуемый режим работы декодера. Демодулированные цветораз-ностные сигналы задерживаются на длительность строки, проходят через схему регулировки насыщенности и подаются на схему матрицирования, на которую также поступает яркостной сигнал. Полученные в результате матрицирования RGB-сигналы основных цветов проходят схемы коммутации, регулировок контрастности и яркости, ограничения тока лучей кинескопа, автоматического баланса белого, преобразуются ЦАП в аналоговую форму и подаются c выв. 42, 43, 44 IC201 через согласующие каскады на транзисторах Q201, Q203, Q205 на выходные видеоусилители (на плате кинескопа).
Внешние RGB-сигналы и сигнал управления Fb с разъема SCART от внешних источников подаются на выв. 28, 29, 30, 27 IC201.
Схема выходных видеоусилителей представляет собой три идентичных видеоусилителя, реализованных на транзисторных каскадах с отрицательной обратной связью по напряжению. Каскад на транзисторе Q513 формирует опорное напряжение для усилительных каскадов на транзисторах Q502, Q506, Q510. На транзисторах Q504, Q508, Q512 реализованы измерительные каскады для работы схемы автоматического баланса белого.
Кадровая развертка
Схема кадровой развертки включает генератор пилообразного напряжения (ГПН) со схемой синхронизации в составе IC201 и выходные каскады кадровой развертки, реализованные на микросхеме ZC301 типа TDA8172.
ГПН формирует цифровые кадровые пилообразные сигналы, которые преобразуются ЦАП в аналоговые сигналы и в виде противофазных пилообразных сигналов через выв. 34, 35 IC201 подаются на входы ZC301 (выв. 1, 7).
Ток отклонения кадровой развертки с выв. 5 ZC301 протекает через отклоняющую катушку и резистор R312. Сигнал обратной связи снимается с резистора R312, подается через резистор R320 на вывод 1 ZC301 и обеспечивает стабильность и линейность кадровой развертки.
Элементы R307, C305 устраняют паразитные колебания кадровых катушек. Элементы D302 и С301 формируют вспомогательное напряжение питания для обеспечения требуемой скорости развертки на обратном ходу.
Кадровый импульс обратного хода снимается с выв. 3 IC ZC301 и подается через элементы формирования R236, D207 на вход схемы защиты - выв. 31 IC201. Амплитуда КИОХ на данном выводе должна составлять не менее 2,5 В. Если при выходе из строя кадровой развертки КИОХ отсутствуют, то блокируются выходные сигналы RGB.
Регулировка параметров кадровой развертки осуществляется по шине I2C через экранное меню путем изменения формы и размаха пилообразного напряжения, формируемого IC201.
Строчная развертка
Задающий генератор строчной развертки генерирует импульсы строчной частоты, синхронизированные синхросигналом, из которых формируются импульсы запуска с требуемой длительностью и фазой. Импульсы запуска с выв. 24 IC201 подаются на базу транзистора Q401 схемы предварительного каскада (драйвера), который обеспечивает усиление импульсов запуска и согласование с транзистором выходного каскада Q402. Транзистор имеет встроенный демпферный диод, который обеспечивает протекание тока отклонения в первой половине прямого хода строчной развертки, в то время как транзистор Q402 открывается импульсами запуска и через него протекает ток во второй половине. На элементах C411, C412, C423, D404, D405 выполнен диодный модулятор, обеспечивающий регулировку размера по горизонтали и коррекцию геометрии по горизонтали (E-W коррекция). Диодный модулятор управляется сигналом с выв.36IC201 через драйвер на транзисторах Q480, Q481, Q482. СИОХ снимаются с емкостного делителя С408 С409 и подаются на выв. 33 IC201 для синхронизации изображения экранного меню. Для коррекции нелинейных искажений растра по горизонтали используется регулятор линейности строк L401. Резистор R409, параллельно соединенный с L401, служит для подавления паразитных колебаний.
Источник питания
Схема импульсного источника питания реализована на контроллере IC801 (см. табл. 3) типа MC44608 фирмы MOTOROLA и обеспечивает экономичный дежурный режим питания (потребление менее 2 Вт). При включении напряжения сети на вход стартового напряжения питания (выв. 8 IC801) подается выпрямленное напряжение сети. Конденсатор С812 заряжается до напряжения 13 В и источник питания включается в рабочий режим. На выв. 5 IC801 появляются импульсы управления силовым транзистором Q801. После этого микросхема питается через выв. 6 от обмотки 1-4 трансформатора Т803 (через выпрямитель D804 C812). В рабочем режиме импульсы запуска на выв. 5 следуют непрерывно с частотой 40 кГц и изменяющейся длительностью. Групповая стабилизация вторичных напряжений осуществляется методом регулировки ШИМ. Сигнал обратной связи для регулировки снимается с источника питания строчной развертки (140 В) и через оптрон IC802 подается на выв. 3 IC801. На выв. 1 контроллера подается сигнал обратной связи с обмотки обратной связи Т803 для контроля перемагничивания сердечника этого трансформатора.
Если ток нагрузки увеличивается, это приводит к увеличению тока через открытый ключевой транзистор Q801 и, когда напряжение на резисторе R810 превысит значение 1,0 В, срабатывает защита по току в первичной цепи.
В дежурном режиме импульсы запуска появляются в пульсирующем режиме. Логические схемы отслеживают напряжение на выв. 6 IC801 и конденсаторе С812 и, в зависимости от состояния сигналов на выв. 1 и 3, циклически заряжают и разряжают конденсатор С812. Импульсы запуска на выв. 5 появляются при превышении напряжения на выв. 6 значения 10 В и пропадают при превышении напряжения 15,4 В. В связи с пульсирующим характером импульсов запуска в дежурном режиме выпрямленное напряжение источника питания строчной развертки значительно уменьшается. Отдаваемой источником мощности хватает для работы стабилизатора 8 В на элементах Q830, D839, C838, от которого питаются стабилизаторы дежурных напряжений 5 В (ST-5V - R274 D 211 C239) и 3,3 В (ST-3,3V - Q206 D208). Этими напряжениями питается микроконтроллер IC201.
Таблица 3. Назначение выводов микросхемы МС44608
Номер вывода | Название сигнала | Описание |
1 | Demag | Вход выполняет три функции: - определение пересечения нулевого напряжения (50 мВ); - определение тока 24 мкА для контроля вторичного состояния конфигурации; - определение тока 120 мкА для контроля перенапряжения |
2 | Isense | Вход токового считывания, контролирует напряжение на резисторах, в цепи истока силового ключа. Когда напряжение достигает 1 В, выходной сигнал на выв. 5 блокируется. Эта функция называется "защита от перенапряжения" |
3 | Control Input | На этот вход подается ток обратной связи со вторичной цепи источника питания |
4 | GND | "Земля" первичной цепи источника питания |
5 | Driver | Выход импульсов управления силовым ключом |
6 | VCC | Вход питания микросхемы. Выходной сигнал (выв. 5) блокируется, если напряжение становится выше 15 В, и не будет блокироваться при напряжении 6,6.13 В |
7 | - | Вывод обеспечивает изоляцию между выводами 8 (Vi) и 6 (VCC) |
8 | VI | Вход запуска микросхемы, напрямую соединяется с источником питания 200...500 В. Во время фазы запуска ток 9 мА постоянно подается на этот вывод, что дает возможность быстрого заряда фильтрующего конденсатора VCC. После запуска микросхемы этот вход блокируется |
Сервисный режим и электрические регулировки шасси М36
Для входа в сервисный режим необходимо включить телевизор в рабочий режим, в экранном меню установить язык ENGLISH, нажать кнопку CAPS, затем нажать кнопку REVEAL и удерживать ее в течение нескольких секунд до появления сервисного меню 1. Список параметров всех сервисных меню ТВ шасси М36 приведен в табл. 4.
Таблица 4. Сервисные меню ТВ шасси М36
Параметр | Описание | Значение |
Сервисное меню 1 | ||
S Symmetry | Симметрия горизонтальных линий | 66508 |
S Correct | S-коррекция | 00 |
Vert. Amp. | Размер по вертикали | 160 |
Vert. Pos. | Центровка по вертикали | 3928 |
SubBright | Субъяркость | 45 |
Сервисное меню 2 | ||
Hcor | Коррекция по горизонтали | 87 |
Hsym | Симметрия вертикальных линий | 87 |
Bow | Бочкообразные искажения | 13 |
Angl | Коррекция в углах | 482 |
HPOS | Центр по горизонтали | 106 |
HAMP | Размер по горизонтали | 64791 |
Trap | Трапецеидальные искажения | 63536 |
Cush | Подушкообразые искажения | 65418 |
HBSO | - | 345 |
HBST | - | 245 |
Параметр | Описание | Значение |
Сервисное меню 3 | ||
Drive | Усиление | |
Cut Off | Отсечка | |
Сервисное меню 4 | ||
POWER | S | |
AV № | AV1-AV2-SVHS | |
VS/FS | См. табл. 5 | F |
21/25 | 1 | |
Keep On | 0 | |
TTX | См. табл. 6 | 55 |
Сервисное меню 5 | ||
VOL05 | 20 | |
VOL25 | 80 | |
VOL MAX | 100 | |
S SYS | См. п. "Регулировка звука" | D/K B/G |
Default | D/K | |
AVC | OFF | |
DBE | OFF | |
Регулировка источника питания
Регулировка этого узла включает в себя установку напряжения +140 В (питание строчной развертки) и проверку остальных выходных напряжений. Кроме того, необходимо проверить переключение источника из рабочего режима в дежурный и обратно, а также функционирование схемы защиты от перегрузок.
Напряжение +140 В контролируют вольтметром на конденсаторе С835. При необходимости, вращением движка переменного резистора VR830 на шасси телевизора устанавливают требуемую величину напряжения +140±5 В.
Регулировка строчной и кадровой разверток
Перед этой операцией включают ТВ в рабочий режим, подают на его вход тестовый сигнал (таблица УЭИТ или сигнал "Сетчатое поле"), входят в сервисный режим и в сервисном меню 1 (см. табл. 4) регулируют параметры растра по вертикали:
- нажимают кнопки V+/- и регулируют вертикальную симметрию;
- нажимают кнопку Р- и кнопками V+/- регулируют S-коррекцию по вертикали;
- нажимают кнопку Р- и кнопками V+/- устанавливают необходимый размер по вертикали;
- нажимают кнопку Р- и кнопками V+/- регулируют центровку по вертикали;
- нажимают кнопку ОК для выхода из меню 1.
Для выбора сервисного меню 2 нажимают кнопку REVEAL и, выбирая кнопками Р-/+ необходимые параметры, регулируют параметры растра по горизонтали (Нсог Hsym, Bow, Angl, НАМР, Trap, Cush) с помощью кнопок V+/-.
При регулировке центровки изображения по горизонтали вначале делают это для сигнала УЭИТ ("Сетчатое поле"), а затем подают на разъем SCART сигнал "Цветные полосы" и регулируют центровку для RGB-сигналов. После этого дважды нажимают кнопку ОК для выхода из сервисного меню 2 и из сервисного режима.
Регулировка баланса белого
Регулировку баланса белого выполняют в следующей последовательности:
- на вход телевизора подают сигнал "Цветные полосы", в пользовательском меню ИЗОБРАЖЕНИЕ устанавливают регулировку насыщенности в минимальное положение, а регулировками контрастности и яркости регулируют изображение таким образом, чтобы была видна вторая черная полоса из восьми градаций серой шкалы;
- входят в сервисный режим, а в нем - в меню 3;
- нажимая кнопку Р-, выбирают параметр Cutoff. Следующим нажатием кнопки Р- входят в режим CATHODE CURRENT (G2) и нажимают кнопку PIC на ПДУ;
- потенциометром регулировки ускоряющего напряжения (Screen) на трансформаторе Т401 добиваются слабого свечения горизонтальной линии;
- нажимают кнопку PIC, затем кнопку ОК;
- визуально оценивают баланс белого и при необходимости регулируют размахи сигналов RGB (в меню 3 выбирают параметр DRIVE; нажимают кнопку V+ и входят в меню DRIVE RET; нажимая кнопки Р-/+, выбирают необходимый для регулировки канал цвета, при этом цветовая индикация выбранного канала будет отображаться белым цветом; кнопками V-/+ регулируют выбранный цвет);
- нажимают два раза кнопку ОК для выхода из сервисного меню.
Регулировка АПЧГ
Для регулировки АПЧГ отключают вывод конденсатора С110 от контакта 11 тюнера и подают на него тестовый сигнал ПЧ частотой 38,9 МГц. Затем медленно вращают сердечник катушки Т101, добиваясь значения постоянного напряжения на выв. 2IC101 равным 2,5 В.
Регулировка АРУ
Для регулировки АРУ подают на антенный вход ТВ тестовый сигнал серой шкалы или цветных полос с уровнем 60 дБ и регулируют потенциометром VR102 уровень сигнала, при котором отсутствуют шумы на экране.
Регулировка ускоряющего напряжения
Для регулировки ускоряющего напряжения выполняют следующие операции:
- входят в сервисный режим, а в нем - в сервисное меню 3;
- нажимая кнопку Р-, выбирают параметр Cutoff, следующим нажатием кнопки Р- входят в режим CATHODE CURRENT (G2) и нажимают кнопку PIC на ПДУ;
- регулируют ускоряющее напряжение потенциометром Screen на трансформаторе Т401, добиваясь слабого свечения горизонтальной линии;
- нажимают кнопку PIC, а затем - кнопку ОК.
Установка режимов
В зависимости от конкретной конфигурации телевизора необходимо настроить программное обеспечение, которое хранится в одной их областей энергонезависимой памяти. Если в процессе ремонта были установлены или, наоборот, сняты некоторые узлы, требуется внести изменения в эту область. Это можно сделать в сервисном режиме. В табл. 5 приведены параметры сервисного меню 4, отвечающие за конфигурацию, и их возможные значения.
Таблица 5. Параметры сервисного меню 4
Параметр и его рекомендуемое значение | Описание режима |
POWER S | 0: отмена дежурного режима при включенном питании S: переход в дежурный режим при включенном питании |
AV NO AV1-AV-AV2-SVHS | AV1-AV2; SCART-AV2; SCART-AV2-SVHS; SCART; AV1-AV2-SVHS; AV1-AV2-YUV |
VS/FS F | V: тюнер с настройкой напряжением F: тюнер с настройкой частотой |
21/25 1 | 1: диагональ кинескопа 21” и менее 5: диагональ кинескопа 25” и более |
Keep On | 0: синий фон, если сигнал отсутствует; автоматический переход в дежурный режим, если сигнал отсутствует 15 минут; 1: шумовой фон |
TTX 55 | 55; 70; 6; 38; 40 - код выбирается в соответствии со страной (см. табл. 6) |
Таблица 6. Коды телетекста
6 | 38 | 40 | 55 | 70 |
Английский | Польский | Английский | Английский | Английский |
Французский | Французский | Французский | Французский | Словацкий |
Шведский | Шведский | Шведский | Шведский | Венгерский |
Чешский | Чешский | Чешский | Турецкий | Сербский |
Немецкий | Немецкий | Немецкий | Немецкий | Албанский |
Испанский | Сербский | Испанский | Испанский | Польский |
Итальянский | Итальянский | Итальянский | Итальянский | Турецкий |
Эстонский | Эстонский | Эстонский | Эстонский | Румынский |
Регулировка звука
Для регулировки звука служит сервисное меню 5 (см. табл. 4). С помощью трех первых параметров VOL01, VOL25 и VOLMAX можно установить минимальную и максимальную громкость в соответствии с требованиями пользователя. Третий параметр S SYS служит для установки звуковых стандартов и может принимать три значения: D/K1, B/G1 и D/K B/G. В последнем случае стандарт устанавливается автоматически.
Параметр AVC служит для управления режимом автоматической регулировки громкости: ON - режим включен, OFF - режим выключен.
Регулировка тока анода
Необходимо войти в сервисное меню 1, выбрать параметр S Symmetry и нажатием кнопки Р+ войти в режим NVM. Нажатием кнопки V- установить адрес 184. После этого с помощью кнопок COLOUR SYS (уменьшение) и DISPLAY (увеличение) нужно установить значение, равное 60.
Регулировка разряда анодного напряжения
Необходимо войти в сервисное меню 1, выбрать параметр S Symmetry и нажатием кнопки Р+ войти в режим NVM. Нажатием кнопки V- установить адрес 492. После этого с помощью кнопок COLOUR SYS (уменьшение) и DISPLAY (увеличение) нужно установить значение равное 200.
Регулировка яркости OSD
Необходимо войти в сервисное меню 1, выбрать параметр S Symmetry и нажатием кнопки Р+ войти в режим NVM. Нажатием кнопки V- установить адрес 209. После этого с помощью кнопок COLOUR SYS (уменьшение) и DISPLAY (увеличение) нужно отрегулировать комфортную яркость символов экранного меню.
Регулировка прозрачности OSD
Необходимо войти в сервисное меню 1, выбрать параметр S Symmetry и нажатием кнопки Р+ войти в режим NVM. Нажатием кнопки V- установить адрес 14. После этого с помощью кнопок COLOUR SYS (уменьшение) и DISPLAY (увеличение) нужно отрегулировать комфортную прозрачность экранного меню.
Типовые неисправности ТВ на шасси М36 и их устранение
Схемы соединений узлов в различных моделях телевизоров, изготовленных на шасси М36, приведены на рис. 3 и 4.

Рис. 3. Схема соединений узлов в телевизорах Horizont 25E06, Horizont 29EF06, Schneider 25E06, Schneider 29EF06

Рис. 4. Схема соединений узлов в телевизорах Horizont 25EF05, Horizont 25E07, Horizont 29EF05, Horizont 29E07, Schneider 29EF07
При включении телевизора перегорает сетевой предохранитель F801
Отключают телевизор от сети и омметром проверяют на короткое замыкание следующие элементы: T801, Т802, C801-0808, DТ801, D806, С815, C817, Q801, RT801, катушку размагничивания (подключена к шасси через разъем Р803). Если указанные элементы исправны, проверяют обмотку 7-9 трансформатора Т803 на короткое замыкание.
Сетевой индикатор на передней панели не светится, телевизор не включается, предохранитель F801 исправен
Включают телевизор сетевым выключателем и проверяют наличие переменного напряжения 220...240 В на входе диодного моста DT801. Если оно равно нулю, проверяют на обрыв элементы S801, T801, Т802, R828. Если напряжение на DT801 есть, а на выходе дежурного стабилизатора Q206 D208 напряжение равно нулю, отключают телевизор от сети и омметром проверяют вторичные цепи источника на отсутствие короткого замыкания. Если замыкание есть, устраняют причину. При отсутствии замыкания проверяют элементы дежурного стабилизатора, цепь его питания (стабилизаторы 8 В (Q830 D839) и 5 В (D211C239) и элементы импульсного преобразователя.
Если постоянное напряжение 310 В (при напряжении сети 220 В) есть на стоке транзистора Q801, а импульсы амплитудой около 500 В на этом электроде транзистора отсутствуют, проверяют исправность следующих элементов: R804, R804A, D804, C812, R810A, Q801, обмотку 1-4 Т803. Если они исправны - заменяют микросхему IC801.
Сетевой индикатор светится, но телевизор не включается
- Короткое замыкание во вторичных цепях источника питания
Проверяют отсутствие короткого замыкания на шинах +140 В, +18 В + 12 В, +9 В и -12 В.
- Неисправен микроконтроллер в составе микросхемы IC201 (или его внешние элементы)
Если источник питания работает (есть +3,3 В на выходе стабилизатора Q806 D808), проверяют микроконтроллер и его внешние элементы.
Проверяют наличие импульса сброса низкого уровня на выв. 58 IC201 в момент включения питания. Если сигнала нет, проверяют элементы C538, Q207, D209. Затем проверяют исправность генератора 20,25 МГц (выв. 56, 57 IC501). Если он исправен, проверяют наличие низкого потенциала на выв. 63 IC201, а также работу ключа Q832 Q833.
- Сбой микросхемы ЭСППЗУ IC202
Иногда по разным причинам изменяется содержимое микросхемы ЭСППЗУ. Проверяют микросхему методом сравнения с эталонной прошивкой.
Телевизор не реагирует на команды ПДУ, кнопки передней панели работают
- Неисправен ПДУ, фотоприемник, микроконтроллер
Проверяют батарейки ПДУ и элементы его схемы: ключевой транзистор, ИК светодиод, микросхему (на базе транзистора при нажатии кнопки должны появляться пачки импульсов). Если сигнал амплитудой около 2...2,5 В на коллекторе ключевого транзистора ПДУ есть и светодиод исправен, переходят к проверке фотоприемника IR001 - на выв. 1 должны быть импульсы амплитудой около 5 В.
Если импульсы есть на выв. 1 IR001, а телевизор не реагирует на команды ПДУ - заменяют эту микросхему.
Примечание. ПДУ можно достаточно быстро проверить с помощью цифровой фото- или видеокамеры с ЖК дисплеем: если нажать одну из кнопок ПДУ и наблюдать светодиод пульта через ЖК экран фотокамеры в режиме съемки, - он будет мигать.
Телевизор не включается, нет высокого напряжения и растра
- Неисправен синхропроцессор в составе микросхемы IC201
Если сигнал Н OUT на выв. 24 IC201 отсутствует, проверяют питание микросхемы IC201 (см. табл. 1). Если сигнал HOUT после включения ТВ появляется и сразу же пропадает, проверяют элементы в цепи СИОХ (сигнал HFLB от строчной развертки до выв. 33 IC201). Если элементы исправны - заменяют микросхемуIC201.
- Обрыв в цепи питания или неисправны элементы выходного каскада строчной развертки
Если СИОХ размахом около 1000 В на коллекторе Q402 отсутствуют, проверяют питание драйвера Q401, выходного каскада на транзисторе Q402 (возможно, в обрыве элемент R401) и следующие элементы: Q401, Q402, T402, D204, D205, C411, C412, C423, обмотку 9-10 Т401, Если СИОХ на коллекторе Q402 есть, проверяют вторичные цепи строчного трансформатора Т401: наличие напряжений UEHT, UFOCUS, USCREEN, UHEATER, 200 В. Если одно из напряжений отсутствует - определяют причину и устраняют. Проверяют на обрыв цепь питания строчных катушек: коллектор Q603, контакты 41-42 S401, L401, C413.
- Срабатывает схема защиты кадровой развертки
Включают телевизор и контролируют кадровые импульсы размахом 5 В на выв. 31 IC201. Если их нет, проверяют микросхему кадровой развертки ZC301 и связанные с ней элементы.
Есть высокое напряжение и звук, изображение отсутствует
- Регулировки яркости и контрастности установлены в минимальном положении
Проверяют установку яркости и контрастности.
- Отсутствует одно из питающих напряжений видеоусилителей или кинескопа
Проверяют наличие питающих напряжений: 200 или 6,3 В на разъеме S402. Напряжение USCREEN поступает на плату кинескопа от ТДКС непосредственно на цоколь кинескопа.
- Неисправен видеопроцессор IC201, драйверы Q202-Q205, выходные видеоусилители на плате кинескопа
Проверяют наличие видеосигналов основных цветов размахом 2...2,5 В на выв. 42-44 IC201, их прохождение через транзисторные драйверы Q202-Q205 на контакты 1-3 S201/P501 и выходные сигналы видеоусилителей размахом 50...60 В на резисторах R510, R520, R530. При отсутствии сигнала на входе или выходе одного из каналов RGB методом сравнения с исправным каналом определяют неисправный элемент и заменяют.
Нет звука
Проверяют наличие напряжения + 18 В на выв. 3, 16 IC602. Если оно равно нулю - проверяют обмотку 17-18 Т401, D830, C831, R634. Если напряжение есть, проверяют отсутствие блокировки звука - высокого потенциала на выв. 10 IC4602. Если сигнал активен, но телевизор при этом работает (кроме звука), проверяют транзисторные ключи Q602 и Q601 Q705. Для контроля исправности УМЗЧ касаются металлическим щупом выв. 8 или 9 IC602. Если в динамических головках появится звук низкого тона - микросхема исправна. В противном случае микросхему заменяют.
Если УМЗЧ исправен, проверяют элементы звукового тракта (см. описание).
Звук искажается, с НЧ входа звук нормальный
Проверяют установку звукового стандарта в пользовательском меню (D/K для России). Если стандарт выбран верно, проверяют следующие элементы: Z102, IC101, C112, C114, T101, X901, IC901.
Растр есть, звук и изображение отсутствуют (с НЧ входа телевизор работает), OSD отображается
- Неисправна микросхема памяти IC202
Проверяют микросхему методом замены (предварительно записав в нее исходную информацию).
- Неисправен тракт ПЧ
Подают с выхода телевизионного генератора сигнал ПЧ (38,9 МГц) на базу транзистораQ101. Если изображение и звук не появляются, проверяют напряжение питания микросхемы IC101 и цепи прохождения сигнала ПЧ (см. описание).
- Неисправен тюнер TU101, схема настройки на телевизионный сигнал
Если тракты ПЧ изображения и звука работают, проверяют наличие питания тюнера (напряжение 5 В на контакте 6 TU101) и исправность источника 33 В (стабилизатора D834 R839). Затем переводят телевизор в режим автоматической настройки на каналы и проверяют наличие напряжения настройки (должно плавно изменяться от 0 до 31) и переключения диапазонов на контактах 4, 5 TU101. Делают выводы об исправности элементов.
После отключения телевизора не сохраняется информация о настройках (частота, система цветности, уровни яркости, насыщенности, громкости и т.д.)
Заменяют микросхему памяти IC202. Если результата нет, заменяют микроконтроллер IC201.
Нет цвета
Необходимо проверить регулировку насыщенности в пользовательском меню. Цветное изображение может отсутствовать по причине слабого эфирного сигнала. Если это не так, проверяют питание микросхемы IC201, исправность резонатора X201 (20,25 МГц) и конденсаторов С207, С208. Если указанные элементы исправны, заменяют микросхему.
Не работает кадровая развертка (при включении на экране появляется узкая горизонтальная полоса и затем через некоторое время срабатывает защита)
Неисправна микросхема IC201, ZC301 или их внешние элементы. Проверяют наличие пилообразного сигнала на выв. 35 IC201 размахом около 2 В. Если его нет, проверяют элементы в цепи обратной связи С304, R308, R272, C221, R272A, C603. Если они исправны - заменяют микросхему IC201. Если сигнал на выв. 47 появляется и сразу же пропадает, проверяют питание микросхемы ZC301 (напряжение + 19 В на выв. 2 и -14 В на выв. 4) и ее внешние элементы. Проверяют на обрыв (короткое замыкание) кадровые катушки. Если они исправны, заменяют микросхему ZC301.
На экране телевизора видна только верхняя или нижняя половина изображения
Проверяют питание микросхемы ZC301 (напряжение +19 В на выв. 2 и -14 В на выв. 4). Если одно из напряжений отсутствует, проверяют источник (строчная развертка, в цепях источников установлены предохранительные резисторы R431, R432). Если питание в норме, заменяют микросхему ZC301.
Заворот верхней части растра
Проверяют элементы схемы вольтодобавки D302 и С301.
Подушкообразные искажения растра
Проверяют наличие сигнала коррекции EW на выв. 36 IC201, а также исправность усилителя на элементах Q401, Q402, Q480 и дроссель L480 (на обрыв).
Автор: Павел Потапов (г. Москва)
Источник: Ремонт и сервис
