В любом электронном устройстве импульсные блоки питания (ИБП) по количеству отказов занимают одно из ведущих мест. Не являются исключением и DVD-проигрыватели, где неисправности ИБП встречаются не намного реже загрязнения лазерных головок. Описанная в статье схема ИБП применяется не менее чем в десяти моделях DVD-про-игрывателей фирмы Samsung Electronics Co., таких как: DVD-511, DVD-611, DVD-611B, DVD-615, DVD-711, DVD-718, DVD-811, DVD-812, DVD-818, DVD-818J, DVD-819 и т.д.
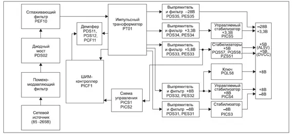
В перечисленных выше моделях DVD-проигрывателей, произведенных для Европы и стран СНГ, применен обратноходовой импульсный блок питания с ШИМ, который рассчитан на работу от сети переменного тока 50/60 Гц напряжением 85...265 В без дополнительных переключений (Free Voltage). Потребляемая мощность электического тока ИБП от сети составляет 17.18 Вт. Упрощенная функциональная схема этого блока приведена на рис. 1.

Рис. 1. Упрощенная функциональная схема ИБП DVD-проигрывателей

Рис. 2. Функциональная схема микросхемы ШИМ-контроллера STR-G6551
Переменное напряжение сети через помехоподавляющий фильтр поступает на мостовой выпрямитель. Выпрямленное напряжение сглаживается фильтром и через первичную обмотку импульсного трансформатора поступает на сток полевого транзистора - выходного ключа ШИМ-контроллера PICF1 (STR-G6551). Для защиты транзистора выходного ключа от пробоя импульсами ЭДС самоиндукции используется демпфер. Для групповой стабилизации выходных напряжений ИБП на ШИМ-контроллер STR-G6551 поступает напряжение ошибки от схемы управления, которое формируется из вторичного напряжения +5,8 В.
Описание некоторых элементов ИБП
Основой этого блока питания является ШИМ-контроллер PICF1 типа STR-G6551.
Таблица 1. Назначение выводов микросхемы STR-G6551
| Номера вывода | Обозначение | Назначение |
| 1 | D (DRAIN) | Сток мощного полевого транзистора |
| 2 | C (SOURCE) | Исток мощного полевого транзистора |
| 3 | GND | Общий провод первичной цепи ИБП |
| 4 | VIN | Вход запуска ИБП при включении и напряжение питания в установившемся режиме |
| 5 | FB/OCP | Вход управляющего сигнала обратной связи на ШИМ и вход защиты от перегрузки по току |
Его функциональная схема приведена на рис. 2, а назначение выводов - в табл. 1.
Микросхема STR-G6551 содержит:
схему запуска (START);
внутренний стабилизатор напряжения;
схемы термозащиты и защиты от перегрузки по напряжению;
элемент ИЛИ и триггер- "защелку" схемы защиты;
генератор импульсов;
предвыходной каскад (драйвер);
выходной ключ на высоковольтном МДП-транзисторе с демпфирующим диодом;
компаратор широтно-импуль-сного модулятора и схемы защиты от перегрузки по току (Comp);
элемент ИЛИ схемы управления ШИМ.
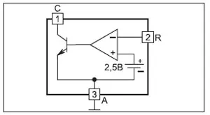
В цепи обратной связи ИБП используется микросхема PICS2 типа 431 (согласно спецификации используется микросхема KA431Z фирмы SAMSUNG). Эту микросхему часто называют "регулируемым (программируемым) стабилитроном" или программируемым источником опорного напряжения шунтового типа (Programmable shunt voltage reference). Упрощенная функциональная схема микросхемы приведена на рис. 3.

Рис. 3. Упрощенная функциональная схема регулируемого стабилитрона KA431Z
Подобную схему на дискретных элементах принято называть схемой сравнения или "усилителем напряжения (сигнала) ошибки" (error amplifier). Из рис. 3 видно, что KA431Z содержит источник опорного напряжения 2,5 В, компаратор и управляющий транзистор с открытым коллектором. На входы компаратора подаются опорное напряжение 2,5 В и через внешний делитель - часть одного из вторичных положительных напряжений ИБП (на выв. R). Компаратор сравнивает эти напряжения и через транзистор, а также регулирующий узел ИБП управляет выходными напряжениями как импульсного, так и линейного источника питания. Расположение и назначение выводов микросхемы KA431Z в корпусе ТО92 приведено на рис. 4.

Рис. 4. Расположение и назначение выводов (корпус ТО-92)
В ИБП используются также опто-пара PICS1 (PC123), неуправляемый стабилизатор -8 В PICS3 типа 7908 и управляемые стабилизаторы +8 В PICS4 типа 78R08 и +3,3 В PICS5 типа PQ3RF23. В качестве ряда ключей в блоке применяются так называемые цифровые транзисторы (KSR1101 и KSR1103 - структуры n-p-n, KSR2101 - структуры p-n-p), каждый из которых, кроме, собственно, самого транзистора, содержит резистивный делитель базового смещения.
Принципиальная схема ИБП
Принципиальная схема ИБП приведена на рис. 5.

Рис. 5. Принципиальная схема ИБП
Примечание. В схеме на этом рисунке используются несколько непривычные обозначения позиционных номеров деталей.
Все они начинаются с латинской буквы P (сокращение от Power), что показывает принадлежность детали к блоку питания.
Всего в позиционном обозначении детали три или четыре буквы. Вторая буква из трех или вторая и третья из четырех показывают тип детали: D - диод, Q - транзистор, R - резистор, C - конденсатор, E - оксидный (электролитический) конденсатор, F - предохранитель, L - индуктивность (дроссель), B - индуктивность (дроссель) в виде ферритовой трубки, одетой на перемычку или вывод детали (CORE-FERRITE BEAD), T - трансформатор, V - варистор, Z - стабилитрон, IC - микросхема, CN - соединитель.
Последняя третья или четвертая буква показывает принадлежность детали той или иной цепи. Так, буквой F обозначают детали первичных цепей, а буквой S - детали вторичных цепей и т.п. Позиционный номер любой детали (кроме варистора PVA1 и импульсного трансформатора PTD1) содержит пять знаков. Так, позиционный номер детали с четырьмя буквами заканчивается одной цифрой, а с тремя буквами заканчивается двумя цифрами. Например: PICS3 или PEF12. Рассмотрим работу ИБП по схеме на рис. 5. Сетевой выпрямитель со схемой помехозащиты достаточно прост и особых пояснений не требует. Он собран на диодах PDS01-PDS04. Варистор PVA1 защищает ИБП и весь аппарат от перегрузки при значительном увеличении напряжения сети. Полученное с помощью сетевого выпрямителя напряжение 290...310 В (для сети АС 220 В) сглаживается конденсатором PEF10 и используется для питания преобразователя ИБП. Резистор PRF10 ограничивает ток заряда конденсатора PEF10, защищая тем самым диоды выпрямительного моста от перегрузки при включении. При включении DVD-проигрыва-теля в сеть конденсатор цепи запуска PEF12 заряжается от сети через помехоподавляющие фильтры, диод PDF01 и резисторы цепи запуска PRF11, PRF12, PRF13, PRF14. Когда напряжение на этом конденсаторе и на выв. 4 микросхемы достигает 16 В, включается схема запуска и напряжение с конденсатора PEF12 через эту схему поступает для питания основных узлов микросхемы STR-G6551. При этом на затвор МДП-транзистора микросхемы поступает первый положительный импульс, открывающий этот транзистор. Так как транзистор нагружен на первичную обмотку (1-3) импульсного трансформатора PTD1, сопротивление которой имеет индуктивный характер, то ток стока этого транзистора будет нарастающим. Протекая через резистор PRF20 (датчик тока), ток создает на нем нарастающее (пилообразное) падение напряжения, которое через PRF19 прикладывается к выв. 5 микросхемы STR-G6551, где складывается с постоянными напряжениями, поступающими туда через PRF15 и оптопару PICS1. Когда ток МДП-транзистора микросхемы увеличится настолько, что напряжение на выв. 5 превысит определенный предел (1,45 В), компаратор микросхемы выдаст команду на запирание этого транзистора, и он закроется до прихода следующего импульса. Момент запирания МДП-транзистора зависит как от его тока стока, так и от степени открытия фототранзистора оптопары PICS1. От этого также зависят длительность и скважность импульсов в трансформаторе PTD1.
Импульсы с выв. 4 трансформатора PTD1 через диод PDF13 и резистор PRF16 подзаряжают накопительный конденсатор PEF12, обеспечивая необходимым питанием микросхему и фототранзистор оптопары PICS1 PC123 в установившемся режиме (рабочем или дежурном).
Если схема неисправна или перегружена, то импульсы на выв. 4 PTD1 отсутствуют или имеют недостаточный размах для подзарядки конденсатора PEF12. Конденсатор разрядится и вновь будет заряжаться, а схема перейдет в циклический режим работы.
Для защиты выходного МДП-транзистора микросхемы от перегрузки по напряжению размах импульсов обратного хода на первичной обмотке трансформатора PTD1 ограничивается цепью PCF11 PFD12 PBD11 PDS11 PRS11 PRS12.
А теперь рассмотрим, как осуществляется групповая стабилизация выходных напряжений ИБП. Предположим, эти напряжения растут. Возрастет также напряжение на входе каскада стабилизации PICS2, его выходной ток, а значит и ток через ИК диод оптопары увеличатся, что приведет к уменьшению сопротивления фототранзистора оптопары и уменьшению постоянного напряжения на выв. 5 микросхемы STR-G6551. При этом для запирания выходного транзистора микросхемы понадобится несколько большее значение пилообразного напряжения от датчика тока PRF20, а это значит, что МДП-тран-зистор будет открыт дольше. Это приведет к уменьшению скважности импульсов на выходе микросхемы и в импульсном трансформаторе, и к уменьшению выходных напряжений ИБП до прежнего значения. Аналогично, но с точностью до "наоборот", идет процесс в случае уменьшения выходных напряжений на выходе преобразователя.
Назначение и особенности элементов вторичных источников ИБП приведены в табл. 2.
Таблица 2. Вторичные источники питания ИБП
| Выпрямители | Стабилизаторы | Назначение | Применение |
| PDS31 | PICS1 (7908) | Источник –8 В | Питание узлов AUDIO и VIDEO |
| PDS32 | - | Источник +10…+12 В | Вспомогательный источник для получения коммутирующих напряжений |
| PICS4 (78R08) | Источник +8 В | Питание узлов AUDIO и VIDEO | |
| PDS33 | - | Источник +5,8 В | Используется для питания каскада стабилизации, ИК диода оптопары (в цепи стабилизирующей ООС) и для получения всех выходных напряжений 5 В |
| На транзисторе PQS57 | Источник +5 В | Питание аналоговой части AUDIO, VIDEO и других узлов | |
| На транзисторе PQS58 | Источник +5 В | Питание цифровой части AUDIO, VIDEO и других узлов | |
| Без дополнительной стабилизации | Источник +5 В | Питание основных узлов аппарата (через разделительный диод PDS52 и интегральный предохранитель PIC56 N20) | |
| PDS34 | PICS5 (PQ3RF23) | Источник +3,3 В | Питание цифровой части контроллеров |
| PDD35 | - | Источник –28 В | Питание люминесцентного индикатора |
| PDS36 | - | Источник напряжения накала люминесцентного индикатора | |
Рассмотрим некоторые дополнительные особенности схемы ИБП.
Для получения стабилизированного напряжения +8 В используется микросхема PICS4 (78R08), которая имеет вход управления PWR CTL (выв. 4). Этот вывод подключен через резистор PRS56 к катоду диода PDS52 (источник +5 В). Это сделано для того, чтобы при отсутствии напряжения + 5 В отключалось и напряжение + 8 В.
Еще одна особенность схемы -наличие внешнего сигнала SAVE. Этот сигнал непосредственно управляет ключом на транзисторе PQL57. В дежурном или рабочем режимах транзистор открыт уровнем лог. "1", что приводит к открыванию связанных с ним ключей управления выходными напряжениями на транзисторах PQL58 ( + 8 В на узел AUDIO), PQL56, PQL55 (-8 В на узел AUDIO), PQL51, PQL52 (напряжение накала люминесцентного индикатора) и PQL53, PQL54 (напряжение питания люминесцентного индикатора). Если сигнал SAVE низкого уровня (лог. "0"), то транзистор PQL57 и все связанные с ним ключи закроются. Это приведет к отключению перечисленных напряжений.
И, наконец, последняя особенность. Дежурный режим ИБП отличается от рабочего отсутствием напряжения +3,3 В и двух напряжений + 5 В для питания аналоговой и цифровой частей всего аппарата. Перевод аппарата из одного режима в другой осуществляется сигналом ON/OFF (лог. "1" - включено, лог. "0" - выключено). Этот сигнал для управления подачей напряжения +3,3 В поступает на вход управления PWR CTL (выв. 4) микросхемы PICS5 (PQ3RF23). Управление стабилизаторами напряжения + 5 В осуществляется с помощью ключей на цифровых транзисторах PQS56 и PQS55. Уровень лог. "1" в рабочем режиме открывает транзистор PQS56, что обеспечивает открывание транзистора PQS55. Через этот транзистор поступает напряжение на параметрический стабилизатор на стабилитроне PZS51 и диоде PDS51, подключенный к базовым цепям транзисторов PQS57 и PQS58, обеспечивая получение двух напряжений +5 В на эмиттерах этих транзисторах.
Некоторые неисправности ИБП и рекомендации по их устранению
Аппарат не включается. Сетевой предохранитель перегорел
Если сгорел сетевой предохранитель, не следует, заменив его, сразу включать аппарат в сеть. Проверьте на обрыв защитный варистор, а диоды моста и выходной транзистор микросхемы ШИМ контроллера - на короткое замыкание. Обрыв варистора говорит о том, что была перегрузка по напряжению питающей сети. Несколько реже пробивается конденсатор сглаживающего фильтра PEF10 и конденсаторы фильтра помехозащиты. Следует помнить, что при этом дефекте могут перегореть датчик тока PRF20 и ограничивающий резистор PRF10.
Выходной транзистор микросхемы STR-G6551 обычно выходит из строя по следующим причинам:
• завышено напряжение сети;
• неисправна оптопара PICS1;
• неисправен каскад стабилизации PICS2.
Аппарат не включается. Сетевой предохранитель цел
Блок питания может не запускаться по следующим основным причинам:
• нет напряжения +300 В на конденсаторе сглаживающего фильтра PEF10;
• оборван датчик тока PRF20;
• оборваны детали цепи запуска: диод PDF01 или PRF11, PRF12, PRF13, PRF14;
• потеря емкости или утечка конденсатора PEF12;
• короткое замыкание в цепях вторичных источников питания;
• неисправность микросхемы ШИМ контроллера.
Аппарат самопроизвольно переключается из рабочего режима в дежурный
Подобный эффект может возникнуть из-за коротких замыканий во вторичных цепях источника питания, по команде процессора управления или при уменьшении емкости PEF12.
В аппарате появляются дефекты, связанные с отсутствием тех или иных напряжений на выходе ИБП
При отсутствии одного или нескольких выходных напряжений блока питания следует проверить коммутирующие ключи, стабилизаторы и выпрямители. Все эти цепи достаточно подробно рассмотрены в статье.
