Во время ремонта компьютеров, в частности блока питания, выясняется что некоторые современные блоки питания компьютеров снабжены автоматическими регуляторами частоты вращения двигателя, охлаждающего блок вентилятора. Датчик температуры такого регулятора (обычно терморезистор) закреплен на теплоотводе диодов низковольтных выпрямителей, нагревающемся значительно сильнее, чем теплоотвод, на котором установлены транзисторы высоковольтного инвертора.
При оказании компьютерной помощи выясняется что в некоторых из них оборудованных такими регуляторами блоках имеется наклейка "Noise Killer" - подавитель шума. Дело в том, что, изменяя интенсивность обдува теплоотвода в зависимости от его температуры, регулятор снижает создаваемый вентилятором акустический шум при низком и среднем уровнях мощности, потребляемой узлами компьютера.
Однако автоматические регуляторы установлены далеко не везде. Кроме того, практика показывает, что их характеристики не оптимальны - с повышением нагрузки обороты растут слишком резко. Предлагаемое устройство имеет линейную характеристику регулирования. Ее наклон, а также значения температуры, при которых вентилятор начинает работать и достигает максимальной производительности, можно изменять по своему усмотрению.

Рис. 1
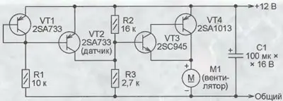
Схема регулятора представлена на рисунке. Транзисторы VT1 и VT2 образуют так называемое "токовое зеркало". Если они идентичны и находятся при одинаковой температуре, ток коллектора транзистора VT2 равен току коллектора транзистора VT1, заданному резистором R1. В данном случае - около 1 мА. Это объясняется тем, что к соединенным параллельно эмиттерным переходам обоих транзисторов приложено одно и то же напряжение. Но если транзисторы поместить в разные температурные условия, равенство значений тока при одинаковом напряжении база-эмиттер будет нарушено. Если температура транзистора VT2 выше, чем VT1, эмиттерный, а следовательно, и коллекторный ток VT2 возрастет, а в обратном случае он уменьшится. Расчет показывает, что при исходном токе 1 мА приращение составит 0,085 мА/°С. Соответственно возрастет напряжение, падающее на резисторе коллекторной нагрузки транзистора VT2.
Это напряжение через усилитель тока на транзисторах VT3 и VT4 поступает на М1 - электродвигатель вентилятора. Поэтому частота вращения крыльчатки вентилятора и интенсивность создаваемого им потока воздуха растут с повышением температуры датчика - транзистора VT2, закрепленного на обдуваемом вентилятором теплоотво-де мощных элементов блока питания.
Для расчета номиналов резисторов R2 и R3, образующих коллекторную нагрузку транзистора VT2, необходимо задаться двумя значениями температуры теплоотвода, обдуваемого вентилярисунке. Транзисторы VT1 и VT2 образуют так называемое "токовое зеркало". Если они идентичны и находятся при одинаковой температуре, ток коллектора транзистора VT2 равен току коллектора транзистора VT1, заданному резистором R1. В данном случае - около 1 мА. Это объясняется тем, что к соединенным параллельно эмиттерным переходам обоих транзисторов приложено одно и то же напряжение. Но если транзисторы поместить в разные температурные условия, равенство значений тока при одинаковом напряжении база-эмиттер будет нарушено. Если
тором, и соответствующими им значениями напряжения, подаваемого на его двигатель. Напряжение Lh должно подаваться на вентилятор, когда температура теплоотвода не отличается от средней температуры внутри корпуса блока Т^ Ее можно принять равной 40 °С. При предельно допустимой температуре теплоотвода Т2=80 °С напряжение на вентиляторе должно достичь значения U2.
Напряжение Ui обычно выбирают минимальным, при котором ротор вентилятора не только еще вращается, но и при его подаче остановленный вентилятор уверенно начинает работать. Значение Ut обычно приходится определять экспериментально. У вентилятора "Zalman" ZM-F1 80x80x25 мм с подшипниками скольжения и током потребления 0,1 А, для которого изготавливалось описываемое устройство, U1=4 В. Напряжение U2 принимают, как правило, равным 12 В - номинальному напряжению питания вентилятора.
Ток коллектора транзистора VT2 при температуре Тт (т. е. при одинаковой температуре транзисторов VT1 и VT2) h=1 мА. При температуре Т2 он, увеличившись на 0,085(T2-T1) миллиампер, достигнет
I2 = I1+0.085*40 = 4.4mA.
Теперь можно вычислить необходимое эквивалентное сопротивление нагрузки транзистора VT2:

При напряжении питания 11пит=12 В значения сопротивления резисторов R2 и R3 должны быть равны:

Выбраны ближайшие стандартные "номиналы 2,7 кОм и 16 кОм.
Ввиду простоты схемы регулятора печатная плата для него не разрабатывалась. Он был собран навесным монтажом на макетной плате размерами 40x25 мм. Транзистор VT2 крепежной скобой прижат через слой теплопроводной пасты к середине верхней плоскости теплоотвода диодов выходных выпрямителей блока питания. Транзистор VT1 размещен на плате как можно далыие от теплоотвода и от заметно нагревающегося транзистора VT4, но так, что он находится в потоке воздуха между вентилятором и обдуваемым им теплоотводом.
В дальнейшем планируется включить в разрыв минусового провода вентилятора резистор-датчик тока. По прекращению пульсаций напряжения на этом резисторе можно зафиксировать факт остановки вентилятора и своевременно принять необходимые меры. Работа блока питания без принудительного охлаждения недопустима и может привести к выходу из строя как его самого, так и материнской платы компьютера.
Автор: А. Лапатский, пос. Березовка Красноярского края
