Компания Texas Instruments Incorporated (TI) (NYSE: TXN) объявила о выпуске двух новых усилителей звука класса D, призванных улучшить качество домашних развлечений. Достигая выходной мощности 600 Вт, устройства TAS5630 и TAS5631 более чем вдвое превосходят ближайшие сравнимые устройства. Новые усилители основаны на разработанной компанией TI архитектуре с обратной связью и используют технологию PurePath HD, благодаря чему достигается высокая четкость звука и низкий уровень искажений при воспроизведении медиаконтента в бытовых и профессиональных аудиосистемах. Микросхемы выпускаются в корпусах PHD и DKD.
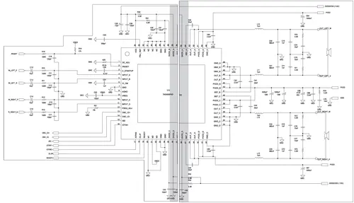
Типовая схема включения микросхемы TAS5630 в варианте стереоусилителя
Особенности технологии PurePath HD
- Диапазон воспроизведения звуковых частот превышает 73 кГц.
- Низкий уровень искажений во всем диапазоне частот.
- Эффективное подавление помех от источника питания (ИП) сокращает сборочный комплект компонентов и снижает стоимость системы за счет менее строгих требований к ИП.
- Варианты с аналоговым и ШИМ входами в полностью совместимых по выводам корпусах.
Основные характеристики и преимущества TAS5630 и TAS5631
- Выходная мощность в стереофоническом включении составляет 300 Вт на канал, а в монофоническом включении - 600 Вт.
- КПД усилителей превышает 88 %, что позволяет исключить в готовых устройствах трансформаторы или объемные радиаторы.
- Полный КНИ составляет 0,03 %.
- Полная совместимость по выводам с приборами аналогичного класса TAS5615 и TAS5616 (мощностью 150 Вт).
Рекомендованная схема включения микросхемы TAS5630 в варианте стереоусилителя показана на рисунке.
Источник: Ремонт и сервис

