Компания Winbond Electronics широко известна как производитель микросхем, которые используются на материнских платах PC и в различной периферии. Это микросхемы памяти, ISA-PCI мосты (bridge) и т.п. Специалисты, связанные с телефонией, наверняка сталкивались с микросхемами кодеков, которые компания выпускает в большом количестве. Помимо всего прочего, компанией выпускается линейка приборов под общим названием ChipCorder. Это функционально завершенные устройства для записи/воспроизведения звука (речи, музыки и т.д.). Особенность этих устройств заключается в том, что аналоговый сигнал не оцифровывается, а записывается во внутреннюю память сразу после дискретизации. При этом сигнал не сжимается и не кодируется, что в дальнейшем обеспечивает высококачественное воспроизведение звука. Длительность звукового фрагмента может варьироваться от 10 с (микросхемы серии ISD11xx) до 16 мин (микросхемы серии ISD4004).
В состав микросхем интегрированы как аналоговые, так и цифровые элементы. Как известно, сигнал при преобразовании из аналогового вида в цифровой проходит две основные стадии обработки — дискретизацию и квантование. Технология, запатентованная фирмой Information Storage Devices (ISD, сейчас входит в состав Winbond Electronics), позволяет записывать сигнал во внутреннюю память микросхемы сразу после дискретизации, исключая процесс квантования. Следовательно, в записанном сигнале отсутствует шум квантования. Сигнал хранится в микросхеме не совсем в цифровом (отсутствует квантователь), но и не в исходном аналоговом виде. Поэтому аббревиатуры ЦАП и АЦП, используемые далее при описании структуры ChipCorder, не совсем корректны.
На рис. 1 представлена структура микросхемы ChipCorder. Она состоит из микрофонного усилителя с системой АРУ, сглаживающего фильтра, выходного усилителя звуковой частоты и многоуровневого массива памяти с входным АЦП и выходным ЦАП.

Рис. 1
Структура микросхемы ChipCorder
Для всех микросхем ChipCorder характерны следующие особенности:
- системы с этими микросхемами имеют минимальное число навесных компонентов;
- нет необходимости в источнике резервного электропитания, поскольку сообщения хранятся в энергонезависимой памяти;
- количество циклов перезаписи - 100000;
- время хранения сообщения — 100 лет;
- есть возможность адресной обработки ранее записанных сообщений;
- в микросхемы встроен тактовый генератор и возможность подключения внешнего генератора;
- днополярное питание +5 В.
Первыми в линейке ChipCorder были микросхемы с «кнопочным управлением». Эти кристаллы не требовали для управления внешнего микроконтроллера. Они могут управляться простым изменением логического уровня насоответствующих выводах микросхемы. Такая простота позволяет делать устройства, для управления которыми необходимо две кнопки — «запись» и «воспроизведение». В линейке ChipCorder - это микросхемы ISD11xx, ISD12xx, ISD14xx. Время записи/воспроизведения у этого типа микросхем не превышает 20 с.
Технология развивалась и в более поздних версиях приборов, таких как ISD33xx и ISD40xx, время записи/воспроизведения доведено до 16 мин. Управление режимами работы микросхем производится при помощи интерфейса SPI, что подразумевает наличие в составе устройства микроконтроллера.
Есть и промежуточная серия приборов ISD25xx, в которой может быть реализовано как кнопочное, так и микроконтроллерное управление.
В качестве примера реализации рассмотрим устройства на основе самых простых микросхем этой серии — ISD11xx, ISD12xx, ISD14xx. Для управления устройством на их основе требуется всего три кнопки: PLAYE, PLAYL, RECORD. Кроме того, имеется встроенный режим повтора, позволяющий проигрывать записанный фрагмент несколько раз.
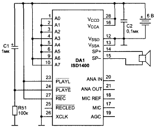
Одной из самых простых «кнопочных» микросхем ChipCorder является ISD11xx. Ее привлекательность - в низком уровне потребления питания. Однако при подключении микрофона к этой микросхеме могут возникнуть дополнительные трудности, обусловленные током утечки в цепях смещения микрофона. На рис. 2. представлена схема, в которой эта проблема решена. В ней используется выход RECLED, на котором в момент записи данных в микросхему устанавливается низкий потенциал. Таким образом обеспечивается заземление цепей смещение микрофона на момент записи.

Рис.2
Схема в которой обеспечивается заземление цепей смещение микрофона на момент записи
Другим полезным свойством данной схемы является то, что микрофон подключен к дифференциальному усилителю (выв. MIC REC и MIC). Номиналы резисторов R4 и R3 одинаковы, поэтому шум цепей питания микрофона будет подавлен предусилителем в составе ISD11xx.
Для индикации может быть использован светодиод VD1. При нажатии и удерживании кнопки RECORD (запись) светодиод загорается, а после окончания записи светодиод гаснет и микросхема переходит в режим пониженного энергопотребления. При этом на выходе RECLED устанавливается уровень VСС
В режиме воспроизведения, при нажатии кнопки PLAYL, записанное сообщение проигрывается до его окончания. После этого микросхема перейдет в режим пониженного энергопотребления.
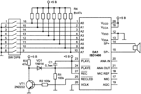
Типовая схема включения микросхем ISD12xx и ISD14xx представлена на рис. 3. Незначительное отличие от предыдущей схемы заключается в том, что в ISD12xx и ISD14xx отсутствуют внутренние «подтягивающие» резисторы, поэтому все входы управления должны быть «подтянуты» внешними цепями к уровню Vcc или Vss соответственно. Режимы работы аналогичны тем, которые описаны для схемы на рис. 2.

Рис.3
Типовая схема включения микросхем ISD12xx и ISD14xx
Приложений, где могут быть использованы микросхемы ChipCorder, может быть много. Одно из таких приложений — устройства оповещения. Бывают ситуации, когда необходимо привлечь внимание оператора не только световой, но и звуковой индикацией. В таких системах, как правило, звук записывается в ChipCorder заранее, поэтому цепи «записи» могут не использоваться. В этом случае может возникнуть необходимость, когда при подаче питания микросхема должна автоматически перейти в режим циклического воспроизведения сообщения, ранее записанного в память устройства. Для перевода микросхем ChipCorder в режим циклического воспроизведения служит выв. PLAYE (активный низкий уровень). Однако после включения питания необходимо некоторое время (не менее 25 мс) для того, чтобы выходные каскады микросхемы вышли в рабочий режим. Это время дает встроенная система задержки по питанию. Поэтому, если вывод PLAYE «закоротить» на общий провод, то может произойти потеря начального участка сообщения. Следовательно, необходимо, чтобы активный сигнал на входе PLAYE появился после того, как отработает система задержки по питанию. На рис. 4 представлена схема, решающая эту проблему. При подаче питания на схему благодаря конденсатору С1 на выв. PLAYE появляется высокий потенциал. По истечении времени, которое требуется на заряд конденсатора, на выв. PLAYE появляется низкий потенциал, переводящий микросхему в режим циклического воспроизведения. Остается лишь подобрать емкости конденсатора таким образом, чтобы время заряда было не меньше, чем время выхода микросхемы в рабочий режим.

Рис.4
Схема, решающая проблему потери начального участка сообщения
В стандартном режиме циклическое воспроизведение звукового фрагмента начинается с нулевого адреса. Однако может возникнуть ситуация, когда необходимо воспроизводить фрагменты, находящиеся по различным адресам. На рис. 5 показана схема, позволяющая реализовать этот режим. В этом случае необходимый адрес выбирается с помощью переключателя SW. При кнопочном управлении конденсатор С1 заменяется переключателем, при нажатии на который воспроизводится то сообщение, адрес которого установлен на переключателе SW.

Рис.5
Схема позволяющая воспроизводить фрагменты, находящиеся по различным адресам
