В данной статье рассматриваются микросхемы семейств CoolSErM-F2 и CoolSET™-F2Z фирмы INFINEON TECHNOLOGIES. Микросхемы предназначены для построения импульсных источников питания с развязанным выходом и выходной мощностью от 31 до 240 Вт. Микросхемы этих семейств широко применяются в бытовой аудио- и видеотехнике.
Общее описание
Второе поколение микросхем семейств CoolSET™-F2 и CoolSET™-F2Z фирмы INFINEON TECHNOLOGIES включает несколько специальных усовершенствований, касающихся низкого потребления энергии в режиме ожидания и функций защиты. Для снижения энергопотребления в режиме ожидания используется понижение частоты, при этом стабильность выходного напряжения остается прежней. Понижение частоты ограничивается значением 21,5 кГц (во избежание появления низкочастотных шумов). В случае отказа одного из режимов (разрыв цепи, перенапряжение или перегрузка из-за короткого замыкания) устройство переключается в режим автоматического повторного запуска, который работает под управлением внутреннего блока защиты. Внутренний блок точного ограничения максимального значения выходного тока делает возможным использование трансформатора меньшего размера, что также повышает экономическую эффективность устройства.
В состав семейств CoolSET™-F2 и CoolSET™-F2Z входят следующие типы микросхем: ICE2A165/265/365/180/280/180Z/2 80Z/0565Z/765Pи ICE2B165/265/365/765P.
В табл. 1 представлены основные различия между представителями этих двух семейств.
Таблица 1. Отличительные особенности микросхем семейства CoolSET™-F2 и CoolSET™-F2Z
Название | Тип корпуса | Напряжение лавинной ионизации, В | Частота переключения, кГц | Рассеиваемая мощность, Вт | Теплоотвод |
ICE2A165 | P-DIP-8-6 | 650 | 100 | 31 | Не требуется |
ICE2A265 | P-DIP-8-6 | 650 | 100 | 52 | |
ICE2A365 | P-DIP-8-6 | 650 | 100 | 67 | |
ICE2A180 | P-DIP-8-6 | 800 | 100 | 31 | |
ICE2A180Z | P-DIP-7-1 | 800 | 100 | 29 | |
ICE2A280 | P-DIP-8-6 | 800 | 100 | 54 | |
ICE2A280Z | P-DIP-7-1 | 800 | 100 | 50 | |
ICE2A765P | P-TO-220-6-3 | 650 | 100 | 240 | Требуется |
ICE2A0565Z | P-DIP-7-1 | 650 | 100 | 21 | Не требуется |
ICE2B165 | P-DIP-8-6 | 650 | 67 | 31 | |
ICE2B265 | P-DIP-8-6 | 650 | 67 | 52 | |
ICE2B365 | P-DIP-8-6 | 650 | 67 | 67 | |
ICE2B765P | P-TO-220-6-3 | 650 | 67 | 240 | Требуется |
Основные особенности микросхем семейств CoolSET™-F2 и CoolSET™-F2Z
Перечислим основные особенности семейств CoolSET™-F2 и CoolSET™-F2Z:
- напряжение лавинной ионизации составляет 650 и 850 В;
- типовая схема включения содержит малое число элементов;
- автоблокировка пониженного входного напряжения;
- фиксированные частоты переключения 67 и 100 кГц;
- максимальный рабочий цикл (duty cycle) 72%;
- низкое потребление энергии в режиме ожидания;
- тепловая защита с последующим автоматическим повторным запуском;
- не требуют установки теплоотвода (за исключением ICE2x765P);
- защита от перегрузки и разрыва цепи;
- защита от перенапряжения во время автоматического повторного запуска;
- подстройка максимального значения выходного тока с помощью внешнего регулировочного резистора;
- общий допуск к регулированию значения максимального выходного тока - не более 5%;
- внутренний механизм защиты от выброса на переднем фронте импульса;
- определяемый пользователем механизм плавного включения;
- плавное переключение при низком уровне помех.
Микросхемы выпускаются в корпусах типа P-DIP-7-1, P-DIP-8-6 и P-TO-220-6-3.
На рис. 1 представлена цоколевка микросхем в каждом из перечисленных выше корпусов.

Рис. 1. Цоколевка микросхем семейств CoolSETTM-F2 и CoolSETTM-F2Z, где а) корпус P-DIP-8-6, б) корпус P-DIP-7-1, в) корпус P-TO-220-6-3
Назначение выводов микросхем семейств CoolSET™-F2 и CoolSET™-F2Z приведено в табл. 2.
Таблица 2. Назначение выводов микросхем семейств CoolSET™-F2 и CoolSET™-F2Z
Название сигнала | Тип микросхемы | Номер вывода | Описание |
SoftS | ICE2xx65 ICE2xx80 ICE2x80Z ICE2A0565Z | 1 | Плавное включение (softstart) в случае запуска и автоматического повторного запуска (autorestart), а также управление режимом автоматического повторного запуска в случае обнаружения ошибки |
ICE2x765P | 6 | ||
FB | ICE2xx65 ICE2xx80 ICE2x80Z ICE2A0565Z | 2 | Обратная связь (feedback). Информация о регулировке поступает с этого вывода на внутренний блок защиты (protectionunit) и на внутренний ШИМ-компаратор (PWM-Comparator) для управления рабочим циклом (dutycycle) |
ICE2x765P | 7 | ||
Isense | ICE2xx65 ICE2xx80 ICE2x80Z ICE2A0565Z ICE2x765P | 3 | Считывает падение напряжения на последовательно включенном с IMOS- транзистором (IMOS - ion-implanted MOS МОП- структура с ионной имплантацией) резисторе. Когда Isense достигает внутреннего порога, установленного для компаратора ограничения тока (currentlimitcomparator), выход схемы управления транзистором (driver) не активен. Таким способом реализован механизм обнаружения перегрузки по току (OverCurrentDetection) |
Drain | ICE2xx65 ICE2xx80 | 4, 5 | Сток IMOS-транзистора |
ICE2x80Z ICE2A0565Z | 5 | ||
ICE2x765P | 1 | ||
N.C. | ICE2xx65 ICE2xx80 | 6 | Не подключен |
ICE2x80Z ICE2A0565Z | 4 | ||
VCC | ICE2xx65 ICE2xx80 ICE2x80Z ICE2A0565Z | 7 | Напряжение питания микросхемы (находится в пределах 8,5...21 В) |
ICE2x765P | 5 | ||
GND | ICE2xx65 ICE2xx80 ICE2x80Z ICE2A0565Z | 8 | Общий |
ICE2x765P | 4 |
Функциональная схема и схема включения
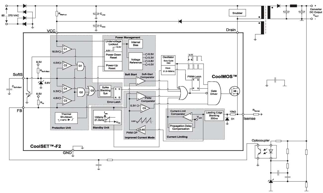
Функциональная схема и схема включения микросхем семейств CoolSETTM-F2 и CoolSETTM-F2Z представлена на рис. 2. Рассмотрим назначение основных блоков, входящих в функциональную схему.
Рис. 2. Функциональная схема микросхем семейств CoolSET™-F2 и CoolSET™-F2Z
Блок управления питанием (Power management)
Схема защиты от пониженного напряжения (Undervoltage Lockout) постоянно следит за напряжением внешнего источника питания VVCС. В случае, когда микросхема находится в режиме ожидания, максимальное потребление тока составляет 55 мкА. Когда VVCC превышает установленный порог включения (VCCon=13,5 В), включается схема внутреннего смещения (Internal Bias) и генератор опорных напряжений (Voltage Reference) формирует напряжение VREF=6,5 В. В случае включения питания выполняется сброс по включению питания (Power Up Reset) посредством сброса защелки регистрации ошибок (error-latch) в блоке защиты (Protection Unit). Когда VVCC опускается ниже установленного порога выключения (VCCoff=8,5 В), генератор опорных напряжений выключается и происходит сброс по выключению питания (Power Down Reset), позволяющий транзистору Т1 разряжать конденсатор CSoft-Start на выводе SoftS. Таким образом, гарантируется, что при каждом включении напряжение на выводе SoftS будет линейно нарастать с нуля.
Блок улучшения режима по току (Improved Current Mode)
Режим по току предусматривает управление рабочим циклом (duty cycle) в соответствии с крутизной тока первичной обмотки трансформатора (primary current). Это выполняется путем сравнения ШИМ компаратором сигнала FB линии обратной связи - с усиленным в 3,65 раз c помощью ШИМ усилителя (PWM-OP) сигналом Isense. Если усиленный сигнал Isense превышает сигнал FB, то по истечении времени Ton схемы управления IMOS-транзистором происходит сброс ШИМ триггера (PWM-Latch).
Блок плавного запуска (Soft Start)
Плавный запуск реализован посредством внутреннего нагрузочного резистора (internal pullup resistor) RSoft_Start и внешнего конденсатора CSoft-Start. Напряжение плавного запуска генерируется путем заряда внешнего конденсатора CSoft-Start через внутренний нагрузочный резистор RSoft-Start. Компаратор плавного запуска (Soft Start Comparator) сравнивает напряжение на выводе SoftS с сигналом ШИМ усилителя. Когда напряжение VSoftS меньше, чем VFB, компаратор ограничивает ширину импульса путем сброса ШИМ триггера. Кроме того, механизм плавного запуска активируется при каждой попытке повторного запуска во время работы процедуры автоматического повторного запуска. Работа блока плавного запуска может быть скорректирована подбором конденсатора CSoft-Start. Плавный запуск заканчивается, когда VSoftS превышает значение 5,3 В. В это время блок защиты активируется компаратором С4 и детектирует FB с помощью компаратора С3, определяя, находится ли значение напряжения ниже 4,8 В (то есть установилось ли требуемое значение напряжения на вторичной обмотке трансформатора). Встроенный стабилитрон на выводе SoftS с напряжением пробоя 5,6 В предотвращает насыщение.
Тактовый генератор и блок понижения частоты (Oscillator and Frequency reduction)
Тактовый генератор вырабатывает частоту fswitch=100 кГ ц. Элементы, определяющие частоту fswitch (резистор, конденсатор, источник тока), интегрированы в кристалл микросхемы, что обеспечивает высокую стабильность частоты. Кроме того, номиналы указанных компонентов подобраны таким образом, чтобы обеспечить максимальное ограничение рабочего цикла (Dmax=0,72). Частота тактового генератора зависит от напряжения на выводе FB. Подобная зависимость имеет S-образную характеристику, что позволяет устройству работать на пониженной частоте с малыми нагрузками. Это делает возможным уменьшить потери на переключение, в то же время обеспечивая хорошую производительность и низкий уровень пульсаций. Понижение частоты fswitch ограничивается значением 21,5 кГц (во избежание появления шумов низкой частоты (audible noise)).
Блок ограничения тока (Current Limiting)
Этот блок осуществляет контроль перегрузки по току (overcurrent). Ток истока IMOS-транзистора контролируется через внешний резистор RSense. Когда падение напряжения VSense на резисторе RSense превышает установленный порог Vcsth, компаратор (Current Limit Comparator) отключает схему управления IMOS-транзистором (gate driver). Для предотвращения искажений, обусловленных выбросами на переднем фронте импульса, предусмотрена схема запирания (Leading Edge Blanking), которая на время TLEB=220 нс отключает компаратор, тем самым предотвращая несвоевременное отключение схемы управления IMOS-транзистором. При обнаружении перегрузки по току выключение IMOS-транзистора происходит не сразу из-за наличия задержки в цепи. Эта задержка приводит к появлению выбросов тока Ipeak, величина которых зависит от величины задержки. Для борьбы с этим недостатком предусмотрена схема компенсации задержки (Propagation Delay Compensation), которая динамически устанавливает пороговое значение Vcsth.
Блок управления IMOS-транзистором (Driver)
Данный блок управляет работой IMOS-транзистора. Его работа оптимизирована для достижения минимума помех и высокой эффективности схемы. Это достигается с помощью контроля крутизны нарастающего фронта напряжения на затворе на выходе блока управления IMOS-транзистором.
Блок защиты (Protection Unit)
Данный блок обеспечивает защиту от перегрузки (overload), разрыва цепи (open loop) и перенапряжения (overvoltage). Обнаружение одного из трех описанных выше режимов фиксируется с помощью триггера регистрации ошибок (Error-Latch). В случае обнаружения того или иного режима ошибки по истечении 5 мкс триггер регистрации ошибок устанавливается в "1", тем самым, запирая IMOS-транзистор. Пауза в 5 мкс вызвана особенностями работы схемы запирания (Spike Blanking), которая предотвращает появление искажений, обусловленных выбросами напряжения в рабочем режиме. Также предусмотрена защита от перегрева (thermal shut down), которая при превышении температурного порога Tj=140 °C переключает микросхему в режим автоматического повторного запуска.
Типовые характеристики микросхем семейства CoolSET™-F2 и CoolSET™-F2Z приведены в табл. 3.
Таблица 3. Типовые характеристики микросхем семейств CoolSET™-F2 и CoolSET™-F2Z
Параметр | Обозначение | Типовое значение | Единица измерения | |
Температура эксплуатации | ТA | 25 | °С | |
Напряжение источника питания | VCC | 8,5...21 | В | |
Ток запуска | IVCC1 | 27 | мкА | |
Ток источника питания при закрытом IMOS-транзисторе | ICE2xxx | IVCC2 | 5 | мА |
ICE2x765P | 5,3 | |||
Ток источника питания при открытом IMOS-транзисторе | ICE2A165 | IVCC3 | 6,5 | мА |
ICE2A265 | 6,7 | |||
ICE2A365 | 8,5 | |||
ICE2A180 ICE2A180Z | 6,5 | |||
ICE2A280 ICE2A280Z | 7,7 | |||
ICE2A0565Z | 5,3 | |||
ICE2B165 | 5,5 | |||
ICE2B265 | 6,1 | |||
ICE2B365 | 7,1 | |||
ICE2A765P | 8,5 | |||
ICE2B765P | 7,1 | |||
Пороговое напряжение включения | VCCon | 13,5 | B | |
Пороговое напряжение выключения | VCCoff | 8,5 | В | |
Частота тактового генератора | 2Axxx | fosc1 | 100 | |
2Bxxx | 67 | |||
Пониженная частота тактового | 2Axxx | fosc2 | 21,5 | |
2Bxxx | 20 | |||
Коэффициент усиления ШИМ усилителя | AV | 3,65 | - | |
Сопротивление цепи ОС | RFB | 3,7 | кОм | |
Сопротивление цепи плавного запуска | RSoft-Start | 50 | кОм | |
Предельное значение напряжения сраба защиты от перегрузки и разрыва цепи | VFB2 | 4,8 | В | |
Предельное значение срабатывания защиты перенапряжения | VVCC2 | 16,5 | В | |
Предельное значение срабатывания защиты от перегрева | TjSD | 140 | °C | |
Автор: Евгений Кузнецов (г. Рязань)
Источник: Ремонт и сервис

