В этом материале пойдет речь о центральном звене схемотехники источников бесперебойного питания (ИБП) - контроллере инвертора, в частности, автор описывает диагностику довольно распространенной микросхемы IR2101 фирмы International Rectifier.
Общие сведения
Одним из важнейших элементов любого ИБП является инвертор, который позволяет преобразовывать напряжение постоянного тока аккумулятора в выходное напряжение переменного тока ИБП. Инвертор представляет собой несколько транзисторов (их количество определяется мощностью инвертора), переключающихся в определенной последовательности. Алгоритм переключения транзисторов инвертора и определяет форму выходного напряжения ИБП. А поэтому, схема управления инвертором, без преувеличения является центральным звеном всей схемотехники источника бесперебойного питания.
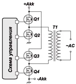
Эквивалентная схема инвертора ИБП представлена на рис. 1. Со вторичной (повышающей) обмотки силового трансформатора Т1 снимается переменное напряжение величиной 220...230 В. Источником тока в первичной обмотке является аккумулятор ИБП. Для создания переменного тока в обмотке Т1 используются транзисторные ключи, которые коммутируются по определенному алгоритму, задаваемому микропроцессором или схемой ШИМ контроллера.

Рис. 1. Эквивалентная схема инвертора ИБП
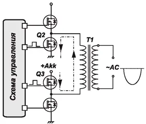
Для создания первой полуволны переменного тока открываются, например, транзисторы Q1 и Q4, при этом через первичную обмотку силового трансформатора Т1 течет ток, направление которого показано на рис. 2. Для создания второй полуволны открываются транзисторы Q2 и Q3, при этом через Т1 течет ток в противоположном направлении (рис. 3). Вот так, поочередно коммутируя транзисторы Q1, Q2, Q3 и Q4, создается переменный выходной ток ИБП. В представленной схеме можно выделить "верхние" ключи (Q1, Q2) и "нижние" ключи (Q3, Q4). Через верхние ключи к обмотке трансформатора прикладывается питающее напряжение от аккумулятора, а через нижние ключи обмотка подключается на общий провод.

Рис. 2. Фаза 1 - открыты транзисторы Q1, Q4

Рис. 3. Фаза 2 - открыты транзисторы Q2, Q3
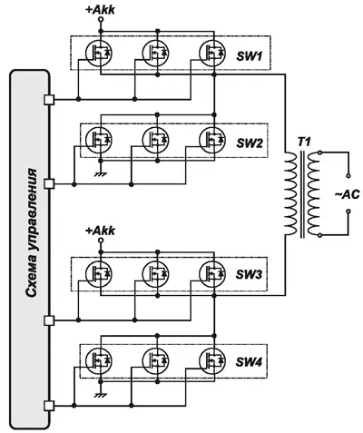
В реальных схемах ИБП каждый из ключей Q1, Q2, Q3 и Q4 может выполняться в виде целого ряда параллельно включенных транзисторов, имеющих общее управление (рис. 4). Мощные ключевые транзисторы инвертора в подавляющем своем большинстве являются транзисторами типа MOSFET или IGBT. Управление транзисторами этого типа требует некоторых особенностей, в том числе - для обеспечения ключевого режима транзисторов необходимо использование двухтактного комплементарного каскада для формирования импульсов на затворе (рис. 5).

Рис. 4. Параллельное включение транзисторов инвертора

Рис. 5. Двухтактные комплементарные выходные каскады управляющей схемы для управления MOSFET-транзисторами
Для упрощения схемы, снижения стоимости и повышения технологичности производства печатного монтажа, в современных ИБП применяются микросхемы, обеспечивающие формирование управляющих сигналов инвертора. Эти микросхемы часто называют драйверами транзисторов инвертора. Одним из примеров микросхем драйверов может служить IR2101, в частности, она используется в источнике бесперебойного питания APC "BackUPS BF500GR/BF350GR".
Описание микросхемы IR2101
Микросхема IR2101 представляет собой формирователь сигналов для управления высоковольтными транзисторами MOSFET и IGBT, коммутирующими напряжение до 600 В. Микросхема обеспечивает независимое управление транзисторами "верхних" и "нижних" ключей, позволяя переключать их с очень высокой скоростью. Микросхема управляется сигналами логических уровней CMOS и LSTTL. Выходные каскады микросхемы являются сильноточными, позволяя тем самым увеличить скорость переключения транзисторов MOSFET и IGBT. Микросхема производится в двух типах корпусов (рис. 6): DIP-8 (IR2101) и SO-8 (IR2101S).Типовой вариант включения микросхемы представлен на рис. 7.

Рис. 6. Типы корпусов микросхемы

Рис. 7. Типовой вариант включения микросхемы IR2101
Выходом HO управляется "верхний" ключ, а выходом LO - "нижний" ключ. Длительность и соотношение импульсов на выходах HO и LO определяется сигналами на входах микросхемы - HIN и LIN.
Основные характеристики выходных импульсов IR2101 представлены в табл. 1.
Таблица 1. Основные характеристики выходных импульсов IR2101
Параметр | Обозначение | Значение |
Предельное напряжение смещения на управляемых транзисторах | Voffset | 600 В |
Выходной ток (вытекающий) | Io(+) | 100 мА |
Выходной ток (втекающий) | Io(-) | 210 мА |
Напряжение на выходах | Vout | 10...20 В |
Время включения | ton | 130 нс |
Время выключения | toff | 90 нс |
Согласованная задержка | - | 30 нс |
Функциональная блок-схема IR2101 приведена на рис. 8. В табл. 2 приведено назначение выводов микросхемы. Все функциональные элементы микросхемы можно отнести к одному из трех модулей:
- логический модуль (обеспечивает обработку входных сигналов);
- модуль управления "верхним" ключом (формирует импульсы управления "верхними" ключами инвертора);
- модуль управления "нижним" ключом (формирует импульсы управления нижними ключами инвертора).

Рис. 8. Функциональная блок-схема IR2101
Таблица 2. Назначение выводов микросхемы IR2101
№ | Обозначение | Описание |
1 | VCC | Напряжение питания логической части и модуля управления "нижним" ключом |
2 | HIN | Вход логического сигнала управления "верхним" ключом |
3 | LIN | Вход логического сигнала управления "нижним" ключом |
4 | COM | Общий вывод для модуля управления "нижним" ключом |
5 | LO | Выход сигналов управления "нижним" ключом |
6 | VS | Общий вывод для модуля управления "верхним" ключом |
7 | HO | Выход сигналов управления "верхним" ключом |
8 | VB | Напряжение питания модуля управления "верхним" ключом |
Таблица 3. Абсолютные максимальные значения параметров
Параметр | Обозначение | Значение | |
мин. | макс. | ||
Напряжение питания модуля управления "верхним" ключом | VB | -0,3 В | 625 В |
Напряжение смещения общего вывода модуля "верхнего" ключа | VS | [VB-25] В | [VB+0,3] В |
Напряжение на выходе управления "верхним" ключом | VHO | [VS-0,3] В | [VB+0,3] В |
Напряжение питания логической части микросхемы и модуля управления "нижним" ключом | VCC | -0,3 В | 25 В |
Напряжение на выходе управления "нижним" ключом | VLO | -0,3 В | [VCC+0,3] В |
Напряжение входных логических сигналов (HIN и LIN) | VIN | -0,3 В | [VCC+0,3] В |
Температура пайки (в течение 10 с) | TL | - | 300°C |
Диапазон рабочих температур | TA | -40°C | + 125°C |
Методика проверки микросхемы IR2101
Так как микросхема IR2101 устанавливается в каскадах управления ключами инвертора и имеет непосредственную гальваническую связь с мощными транзисторами, то отказ этих микросхем - явление весьма обычное и распространенное при пробоях силовых транзисторов. Можно даже утверждать, что в случае пробоя транзисторов инвертора очень мала вероятность "выживания" микросхемы. Поэтому при диагностике ИБП, содержащих IR2101, проверка исправности микросхемы является одной из обязательных процедур.
При отказе полевого транзистора зачастую наблюдается пробой перехода сток-затвор (исток-затвор), при этом к выходам микросхемы (HO и LO) прикладывается высокое напряжение, и через внутренние транзисторы IR2101 начинает протекать чрезвычайно большой ток, что приводит к пробою внутренних выходных транзисторов микросхемы. Именно это и является основной их неисправностью. Таким образом, проверить микросхему IR2101 достаточно просто - необходимо просто убедиться в исправности внутренних выходных транзисторов. Для этого измеряют сопротивление между следующими выводами микросхемы: 8 и 7, 7 и 6, 1 и 5, 5 и 4.
У исправной микросхемы во всех четырех случаях сопротивление должно быть бесконечно большим. Если это условие не соблюдается, то микросхему необходимо заменить. Естественно, что если вы будете проводить измерения, не выпаивая микросхемы, то необходимо учесть сопротивление внешних элементов (резисторов, диодов, стабилитронов, переходов транзисторов), которые могут быть подключены к перечисленным выводам микросхемы.
В заключение необходимо заметить, что подобный способ проверки данной микросхемы справедлив и для других приборов данной серии. Например, в стиральных машинах ARISTON/INDESIT с 3-фазным приводным мотором в электронном модуле используются выходные каскады с использованием микросхем IR2106, выполняющих аналогичные функции, что и IR2101. К тому же расположение выводов у указанных приборов совпадает. Они различаются только своими электрическими характеристиками.
Автор: Виктор Ткаченко (г. Пенза)
Источник: Ремонт и сервис
