Из распространенных схем неуправляемых выпрямителей (однополупериодных, двухполупериодных и мостовых) наиболее эффективны двухполупери-одные. Сравнение основных их видов - со средней точкой и с удвоителем тока - показывает, что хотя оба выпрямителя имеют одинаковые динамические характеристики, удвоитель больше подходит для использования в области больших токов, так как в нем меньше соединений и потерь на вторичной стороне, а отсутствие средней точки дает возможность выбрать нечетное число витков.
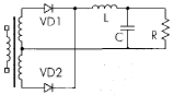
Схемы двухполупериодных выпрямителей со средней точкой и удвоителем тока с силовым трансформатором, фильтром и нагрузкой приведены на рис.1. Выпрямитель с удвоителем тока (см. рис.1 б) имеет ряд преимуществ перед выпрямителем со средней точкой (см. рис. 1а): в нем используется двухобмоточный трансформатор, который легко интегрируется с дросселями L1, L2; пульсации токов находятся в противофазе, следовательно, пульсации тока нагрузки меньше.

Рис. 1.а Двухполупериодные выпрямители со средней точкой

Рис. 1.б Двухполупериодные выпрямители с удвоителем тока

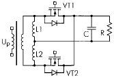
Рис. 1.в Синхронные выпрямители на МДП-транзисторах
С целью снижения статических потерь вместо диодов можно использовать синхронные выпрямители на МДП-транзисторах (см. рис.1 в). В такой схеме транзистор VT1 открыт при положительном напряжении Up, а транзистор VT2 -при отрицательном напряжении Up. Транзисторами можно управлять от схемы управления и непосредственно от вторичной обмотки трансформатора.
Сравним статические потери выпрямительного диода и синхронного выпрямителя при токе через выпрямитель I=10 А:
Pd=IUd=10·1=10 Вт,
Ps=I2Rds=100·0,03=3 Вт,
Где Pd-потери для диода, Ps-потери для МДП-транзистора, Ud-1 В - прямое падение напряжения на диоде, Rds= 0,03 Ом -сопротивление канала транзистора.
Применение синхронных выпрямителей особенно актуально при низких выходных напряжениях (1,6; 3,3; 5 В), когда падение напряжения на диоде может составлять треть выходного напряжения (для U0=3,3 В). Однако современные МДП-транзисторы целесообразно применять в синхронных выпрямителях с выходным напряжением до 48 В и выше. Сопротивление Rds транзисторов на максимальное напряжение 150-200 В не превышает 20 мОм.
Динамические потери.

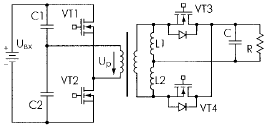
Рис. 2 Полумостовой преобразователь
Кроме статических потерь большую роль играют динамические потери при переключении транзисторов первичной стороны полумостового преобразователя (рис.2), а также динамические потери, связанные с восстановлением обратного сопротивления диодов выпрямителя (внутренних диодов МДП-транзисторов синхронных выпрямителей). В схеме на рис.2 среднее значение напряжения на конденсаторе С1 равно DUвх, на конденсаторе С2 - (1-D)Uвх, где D= tот/Т(tот- время открытого состояния транзистора VT2). На первом этапе открыт транзистор VT2 - этап DT. Соответственно, напряжение на первичной обмотке положительно, транзистор VT3 открыт, и энергия поступает в нагрузку. В момент времени DT транзистор VT2 отключается. Для исключения сквозных токов введена пауза между переключениями транзисторов, во время которой начинается перезаряд внутренних емкостей транзисторов VT1 и VT2. При этом транзистор VT3 остается открытым (даже если его закрыть, ток будет проводить внутренний диод транзистора). Когда напряжение на транзисторе VT2 достигает значения напряжения на конденсаторе С2 - (1-D)Uвх, напряжение на первичной обмотке трансформатора становится равным нулю. Следовательно, и на вторичной обмотке напряжение будет нулевым. В этот момент откроется внутренний диод транзистора VT3. Таким образом, окажутся открытыми внутренние диоды обоих транзисторов (VT3 и VT4). Из-за наличия индуктивности рассеивания трансформатора этот этап будет продолжаться, пока ток через индуктивность рассеивания (фактически, ток первичной обмотки трансформатора), изменяясь от значения Ilm+Inn, не достигнет значения Ilm-Inn (где Ilm - ток индуктивности намагничивания трансформатора в момент выключения транзистора VT2, In - ток нагрузки, n - коэффициент трансформации). Как только ток через индуктивность рассеивания достигнет значения Ilm-Inn, начнется процесс восстановления обратного сопротивления внутреннего диода транзистора VT3. Транзистор VT1 включается с задержкой после начала этого процесса, и на вторичной обмотке трансформатора появляется напряжение, создающее сквозной ток через открытый внутренний диод транзистора VT4.
Существует несколько способов исключения сквозных токов. Первый способ - использование насыщаемых дросселей последовательно с каждым транзистором синхронного выпрямителя. Время насыщения дросселя больше времени рассасывания во внутренних диодах синхронного выпрямителя и длительности нулевого этапа напряжения на первичной обмотке. Второй способ-использование в качестве синхронных выпрямителей однонаправленных ключей, например МДП-транзисторов, у которых внутренний диод блокируется диодом Шотки.Третий способ -использование удвоителя тока. При этом дроссели подбираются таким образом, чтобы ток через них менял направление в моменты переключения основных транзисторов, тогда соответствующий внутренний диод синхронных выпрямителей не будет открываться или будет открываться позже. Рассмотрим реализацию этого способа.
Использование удвоителя тока.

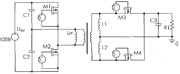
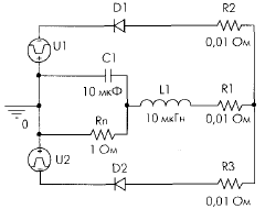
Рис. 3 Модель полумостового преобразователя
На рис.3 представлена модель полумостового преобразователя, работающего на частоте 100 кГц, Uвх=400 В. Все транзисторы управляются синхронно.
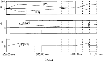
Результаты моделирования отражены на рис.4. Синхронные выпрямители работают без сквозных токов, обусловленных восстановлением обратного тока внутренних диодов. Главный недостаток метода -зависимость регулировочной характеристики от тока нагрузки. Подобная зависимость объясняется тем, что при малых токах нагрузки ток через дроссели имеет отрицательные значения довольно продолжительное время, в течение которого энергия выходного фильтра передается через соответствующий открытый транзистор синхронного выпрямителя соответствующему дросселю. При этом суммарные пульсации тока нагрузки будут больше, чем в обычной схеме.

Рис. 4 Результаты моделирования: а) токи через дроссели; б) ток через внутренний диод синхронного выпрямителя М4; в) ток через внутренний диод синхронного выпрямителя М3
Пульсации тока дросселя L1 определяются следующим образом:
ΔIl1=U0DT/L1. Пульсации тока дросселя L2: Il2=U0(1-D)T/L2.
Для того, чтобы внутренний диод синхронных выпрямителей не проводил ток, необходимо: In/2-U0DT/2L1<0, In/2-U0(1-D)T/2L2<0.
Сравнительное моделирование выпрямителей.
При моделировании на входе выпрямителя можно сформировать регулируемое симметричное импульсное напряжение с областью нулевой ординаты. В этом случае модели выпрямителей можно упростить. Модель двухполупериодного выпрямителя со средней точкой приведена на рис.5, а с удвоителем тока - на рис.6. В моделях принято: сопротивление диода Rs= 0,01 Ом, сопротивление канала транзистора Rds= 0,03 Ом. При таких параметрах диода и транзистора синхронный выпрямитель не нужен.

Рис. 5 Упрощенная модель двухполупериодного выпрямителя со средней точкой

Рис. 6 Упрощенная модель двухполупериодного выпрямителя с удвоителем тока
Процессы в моделях рис.5 и 6 совпадают (рис.7). Напряжение на входе удвоителя тока в два раза больше. Процессы в схемах нелинейные, поэтому эффективность удвоителя тока должна бытьвыше. На рис.8 представлены графики выходных напряжений и мощностей моделей рис.5 и 6; нагрузка 1 Ом, D=0,8.

Рис. 7 Процесс в модели выпрямителя с удвоителем тока: а) напряжение на входе удвоителя тока: б) ток I(D3): в) ток I(D4); г) токи -I(L2), I(L3), -I(L2)+I(L3)

Рис. 8 Выходные напряжение и мощность моделей рис.5 и 6: а) выходное напряжение; б) выходная мощность
Литература
- Montgomery G. Усовершенствование выпрямительных схем. - Electronics, 1961,№14.
- Smith M., Owiyang К. Improving the efficiency of low output voltage switched-mo-de converters with synchronous rectification. - Proceedings of Powercon 7, 1980.
- Kagan R., Chi M. Improving power supply efficiency with MOSFET synchronous rectifiers. - Proceedings of Powercon 9, 1982.
- Archer W. Current-driven synchronous rectifier. - TMOS Power FET design ideas. /Motorola Inc. Publ. BR316, 1985.
- Chou S., Simonsen С Chip voltage: Why less is better. - IEEE Spectrum, 1987, vol. 24, № 4.
- Cobos J. Synchronous rectification. Study of the applicability of self-driven synchronous rectification to resonant topologies. - Proc. of the IEEE, 1992.
- Muakami N. A simple and efficient synchronous rectifier for forward dc-dc converters. - Proc. of the IEEE, 1993. Пат. 4 625 541 США, фирма Lusent Technologies. Low loss synchronous rectifier for application to clamped-mode power convertors/ Rozman А. Приор, от 29.04.1997. Пат. 5 734 563, США, фирма NEC. Synchronous rectification type converters/ Shinada Y. Приор, от 31.03.1988.
- Yee H., Sawahata S. A balanced review of synchronous rectifiers in DC/DC converters. - Proc. of the IEEE 0-7803-5163-0/99.-1999.
- Panov Y., Jovaanovic M. Design and performance of low-voltage/high-currentdc/dc on-board modules. - Proc. of the IEEE0-7803-5163-0/99.-1999.
- Cobos J., Abu P., Garcia O. A new driving scheme for self driven synchronousrectifiers. - Proc. of the IEEE 0-7803-5163-0/99. - 1999.
Автор: М. Кастров
