Материал предоставлен журналом
Прежде чем перейти к рассмотрению различных разновидностей LC фильтров, применяющихся в реальной аппаратуре, будет полезно кратко остановиться на их основных параметрах. Как известно из теории цепей, электрический фильтр наиболее удобно рассматривать в качестве линейного пассивного четырехполюсника (рис. 1) и описывать его свойства через параметры такого четырехполюсника. На практике для описания основных параметров фильтров наиболее часто применяется система так называемых рабочих параметров. Рассмотрим кратко их суть.

Рис. 1
Схема линейного пассивного четырехполюсника
Итак, совокупность рабочих параметров фильтра включает в себя следующие: частотные границы полосы пропускания и полосы задерживания (подавления, непропускания); максимальное ослабление в полосе пропускания (или максимальную неравномерность частотной характеристики в полосе пропускания); минимальное ослабление в полосе задерживания; а также нормируются величины входного и выходного сопротивлений. Поясним суть этих параметров при помощи примера, приведенного на рис. 2 На этом рисунке приведена частотная характеристика фильтра, называемая кривой затухания. Здесь по горизонтальной оси отложена частота f, а по вертикальной - величина затухания (ослабления) А, выражаемая обычно в децибелах (дБ). Полоса пропускания фильтра, соответствующего рис. 2, лежит в пределах от частоты f2 до частоты f3, в пределах которой рабочее ослабление (затухание) не превышает величины amax (максимального ослабления в полосе пропускания). Полоса задерживания этого фильтра состоит из двух промежутков: от нуля (постоянного тока) до 11 и от 14 до бесконечности. На этих частотных промежутках затухание фильтра составляет не менее величины Amin (минимального затухания в полосе задерживания). Частотные интервалы от 11 до 12 и от 13 до 14 составляют так называемую промежуточную или переходную полосу.

Рис. 2
Характеристика ослабления полосового фильтра
Электрический фильтр, характеристика ослабления (затухания) которого приведена на рис. 2, называют полосовым (ПФ) или полоснопропускающим. Его полоса пропускания ограничена снизу и сверху. Такой фильтр выделяет из всей полосы частот участок, ограниченный его полосой пропускания, и подавляет более высокие и более низкие частотные составляющие. Обратную функцию несут режекторные (РФ) или полоснозаграждающие фильтры, которые также часто называют "фильтр-пробками". Характеристика ослабления такого фильтра представлена на рис. 3. Здесь, наоборот, в некоторой полосе от f2 до f3 затухание велико, а на более низких и более высоких частотах оно мало, т.е. фильтр будет эффективно пропускать все частоты, кроме полосы, лежащей в пределах от f1 до f4, и не пропускать (заграждать) частоты, лежащие в пределах от f2 до f3.

Рис. 3
Характеристика ослабления фильтр-пробка
Однако, наибольшее распространение на практике получили фильтры нижних частот (ФНЧ) и верхних частот (ФВЧ). Характеристика ослабления ФНЧ приведена на рис. 4. Здесь полоса пропускания лежит в пределах от нуля (постоянного тока) до частоты 11, являющейся границей полосы пропускания и часто также называемой частотой среза. Частота 12 является границей полосы задерживания. Обратными свойствами обладает ФВЧ, характеристика ослабления которого имеет вид, приведенный на рис. 5. Здесь полоса пропускания лежит в пределах от частоты 12 до бесконечности, а полоса задерживания от нуля (постоянного тока) до частоты 11. Анализируя рис. 2...5, нетрудно сделать вывод о том, что полоснопропускающие и полосно-заграждающие фильтры могут быть получены путем сочетания более простых ФНЧ и ФВЧ, что часто и делается на практике.

Рис. 4
Характеристика ослабления фильтра нижних частот
Характеристики затухания фильтров, приведенные на рис. 2...5, принято называть максимально-плоскими, поскольку кривые затухания в пределах полос пропускания и задерживания содержат максимум один (у ПФ и РФ) экстремум (максимум или минимум), а на остальных участках монотонно возрастают либо убывают. Такие кривые математически описываются полиномами Батерворта. Поэтому такие фильтры в литературе принято называть фильтрами Батерворта, либо фильтрами с максимально плоской характеристикой. Основным недостатком таких фильтров является невысокая крутизна нарастания характеристики затухания и, следовательно, достаточно широкая переходная полоса (промежуток между полосой пропускания и полосой задерживания). Лучшими в этом смысле свойствами обладают фильтры Чебышева (названы также по автору полинома). В качестве примера на рис. 6 приведена характеристика ослабления ФНЧ Чебышева. Как видно из рисунка, в полосе пропускания характеристика ослабления носит так называемый равноколебательный характер. Величину amax в этом случае принято называть максимальной неравномерностью характеристики затухания или амплитудно-частотной характеристики (АЧХ) в полосе пропускания. Число колебаний (всплесков) характеристики зависит от количества элементов фильтра, т.е. его порядка (см. ниже). Эти фильтры также называют фильтрами с равноколебательной характеристикой в полосе пропускания. Наконец, самыми лучшими частотными свойствами обладают фильтры, которые чаще всего называют фильтрами Кауэра. Также они встречаются под названиями фильтров Золотарева (по автору их математической модели), либо эллиптических фильтров. Кривая ослабления таких фильтров экстремальна не только в полосе пропускания, но и в полосе задерживания, а ширина переходной полосы у них минимальна. В качестве примера характеристика затухания ФНЧ Кауэра показана на рис. 7. Поскольку все рассмотренные выше характеристики ослабления фильтров математически описываются полиномами (Батерворта, Чебышева и Золотарева соответственно), часто их также называют полноминальными. Расчет элементов таких фильтров под заданные рабочие параметры довольно сложен и заключается в определении необходимого порядка полинома и поиску его корней и полюсов. На практике чаще пользуются специальными таблицами нормированных значений, которые издаются в виде справочников по расчету и синтезу фильтров.

Рис. 5
Характеристика ослабления фильтра верхних частот

Рис. 6
Характеристика ослабления ФНЧ Чебышева

Рис. 7
Характеристика затухания ФНЧ Кауэра
Перейдем к рассмотрению схемотехники полиноминальных фильтров. Здесь подробно следует остановиться на фильтрах нижних и фильтрах верхних частот, так как полоснопропускающие и полоснозаграждающие фильтры являются комбинацией первых двух. Схемотехника фильтров Батерворта и Чебышева принципиально друг от друга не отличается, а вид характеристики ослабления зависит лишь от числа и номиналов элементов. На рис. 8а и рис. 8б в качестве примера показаны принципиальные схемы ФНЧ и ФВЧ с такими характеристиками соответственно. Из рисунков нетрудно заметить, что схемы эти дуальны: при переходе от ФНЧ к ФВЧ на место конденсаторов ставятся катушки индуктивности и наоборот. Число реактивных элементов (катушек и конденсаторов) в таких фильтрах принято называть порядком фильтра (математически это число совпадает с порядком полинома, что и породило этот термин). Итак, на рис. 8 приведены принципиальные схемы ФНЧ и ФВЧ 5-го порядка. В силу вышесказанного, фильтры Чебышева по сравнению с фильтрами Батерворта того же порядка будут иметь большую крутизну характеристики ослабления. Это значит, что для достижения одинаковой крутизны характеристики ослабления потребуется фильтр Чебышева с меньшим количеством элементов, нежели чем фильтр Батерворта, однако при этом характеристика в полосе пропускания вместо монотонного (гладкого) приобретает существенно неравномерный равноколебательный характер.

Рис. 8а
Принципиальная схема ФНЧ

Рис. 8б
Принципиальная схема ФВЧ
На рис. 9 приведена принципиальная схема ФНЧ Кауэра 5-го порядка. Как видно из рисунка, схемотехника таких фильтров сложнее: часть реактивных звеньев представляет собой не одиночные катушки и индуктивности, а параллельные (либо последовательные) колебательные контуры. Однако, несмотря на более сложную схемотехнику и большее число элементов, такие фильтры (как уже говорилось выше) при одинаковом порядке имеют самую узкую, по сравнению с фильтрами других типов, переходную полосу, т.е. могут обеспечить характеристику затухания вблизи полосы пропускания наиболее приближенную к прямоугольной. Это неоспоримое достоинство является причиной очень широкого применения подобных фильтров на практике.

Рис. 9
ФНЧ Кауэра 5-го порядка

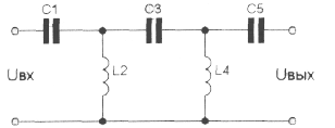
Рис. 10
Принципиальная схема П-фильтра

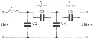
Рис. 11
Принципиальная схема Т-фильтра
В ряде случаев на практике применяются также и менее сложные типы пассивных LC фильтров, нежели рассмотренные выше. Расчетные формулы для них также достаточно простые. В частности, к таковым относятся простейшие так называемые "П" и "Т" фильтры, показанные на рис. 10 и рис. 11 соответственно, а также системы связанных колебательных контуров, которые заслуживают отдельного рассмотрения.
