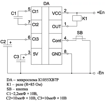
Микросхема К1055ХВ7Р представляет собой схему управления реле включения ламп автомобиля и предназначена для работы в качестве счетного триггера в составе реле включения задних/передних противотуманных фар, реле управления фарами ближнего и дальнего света автомобиля с соответствующими алгоритмами управления. Типовая схема включения микросхемы показана на рис. 1.

Рис. 1. Типовая схема включения микросхемы К1055ХВ7Р
В состав ИС входят следующие функциональные узлы: триггер, линейный стабилизатор напряжения, источники тока, регулируемые внешним резистором, выходной каскад, схемы ограничения тока и схема тепловой защиты.
Триггер построен на транзисторах Q10-Q14 (рис. 2) с базовыми резисторами R14, R15 и диодах D5-D8. Времязадающий конденсатор С2 подключается к выводам "Ct1", "Ct2" и определяет разрешаемое время для переключения триггера, а переключается он при подсоединении вывода "Cont" на общий вывод "Gnd" при условии, что один из выводов конденсатора имеет потенциал не ниже, чем потенциал точки соединения диодов D9, D11. Конденсатор начальной установки С1, подключаемый к выводу "Ct3", устанавливает триггер в выключенное состояние при подаче напряжения питания, а также удерживает его в определенном состоянии при кратковременных провалах питающего напряжения. Триггер, в свою очередь, управляет выходными транзисторами Q22, Q23 (блок 3), нагрузкой которых является обмотка реле, подключаемая к выводам "Ucc" и "Out". Между выводами "Ucc" и "Out" включен мощный диод D3. Для повышения экономичности ИС, а также для обеспечения работы ИС при пониженных питающих напряжениях триггер управляет включением выходных транзисторов через блок 2. Этот блок включает только один транзистор Q23 при напряжениях менее 7 В для минимизации выходного остаточного напряжения ИС. При напряжении более 7 В для уменьшения потребляемого тока включается транзистор Q22, соединенный с транзистором Q23 по схеме Дарлингтона. Для стабилизации временных характеристик триггера во всем диапазоне питающих напряжений используется линейный стабилизатор (блок 1 и транзистор Q12), формирующий напряжение питания триггера около 4,7 В на конденсаторе С4, подключаемом к выводу "5V". На транзисторе Q3 и резисторах R7, R4 построена схема тепловой защиты. Блоком 4 обозначена схема токовой защиты (см. рис. 2). Особенностью ИС является широкий диапазон напряжения питания 5...115 В.

Рис. 2. Электрическая функциональная схема микросхемы К1055ХВ7Р
№ вывода | Обозначение | Описание |
1 | Out | Выходной сигнал |
2 | Uсс | Напряжение питания ИС |
3 | 5V | Выход линейного стабилизатора напряжения |
4 | Cont | Вход управления |
5 | Ct1 | Вывод 1 времязадающего конденсатора |
6 | Ct3 | Вывод "+" конденсатора предустановки |
7 | Ct2 | Вывод 2 времязадающего конденсатора |
8 | Gnd | Общий |
Микросхема выпускается в корпусе типа 2101.8-1, масса не более 1 г.
Электрические параметры
Остаточное напряжение выходного ключа при IOL = 65 мА:
при Uсс = 5...5,5 В, В ≤0,2
при Uсс = 5.18 В, В ≤0,5
при Uсс = 8.18 В, В ≤0,7
Напряжение внутреннего источника при Uсс = 5...18 В, В 4,4...5,2
Напряжение высокого уровня на выводе 6 при Uсс = 5...18 В, В 2,6...3,4
Ток потребления в выключенном состоянии при Uсс = 5...18 В, мА ≤4
Ток низкого уровня вывода 5 при Uсс = 5...18 В, мкА 55...110
Ток низкого уровня вывода 7 при Uсс = 5...18 В, мкА 65...120
Ток утечки выхода:
при Uсс = 5...18 В, Uout = 12 В, мкА ≤50
при Uсс = 115 В, Uout = 115 В, мкА ≤100
Предельные режимы эксплуатации
Напряжение питания:
постоянное, В 28
импульсное (импульс, убывающий по экспоненте до 14 В, длительностью 400 мс), В ≤105
импульсное (импульс, убывающий по экспоненте до 14 В, длительностью 2 мс), В ≤115
Ток защиты, мА ≥230
Температура срабатывания тепловой защиты (при срабатывании тепловой защиты триггер должен сохранять свое состояние), °С 135...160
Автор: Анатолий Нефедов (г. Москва)
Источник: Ремонт и сервис
